Curiosii for ever!: Car repair manuals for everyone.

Computers and Control Systems: Description and Operation




Fuel and Emissions System Description

Electronic Control System

The functions of the fuel and emission control systems are managed by the powertrain control module (PCM).

Self-diagnosis

The PCM detects a failure of a signal from a sensor or another control unit and stores a Temporary DTC or a DTC. Depending on the failure, a DTC is stored in either the first or the second drive cycle. When a DTC is stored, the PCM turns on the malfunction indicator lamp (MIL) by communication signal (F-CAN signal).

- One Drive Cycle Detection Method
When an abnormality occurs in the signal from a sensor or another control unit, the PCM stores a DTC turns on the MIL immediately.

- Two Drive Cycle Detection Method
When an abnormality occurs in the signal from a sensor or another control unit in the first drive cycle, the PCM stores a Temporary DTC. If the failure continues in the second drive cycle, the PCM stores a DTC in erasable memory and turns on the MIL.

Fail-safe Function

When an abnormality occurs in the signal from a sensor or another control unit, the PCM ignores the signal and substitutes a pre-programmed value that allows the engine to continue running. This causes a DTC to be stored and the MIL to come on.

MIL Bulb Check and Readiness Code Condition

When the ignition switch is turned to ON (II), the PCM turns on the MIL via the F-CAN circuit for about 15 to 20 seconds to check the bulb condition. If any readiness codes are not set to complete, the MIL flashes five times. If all readiness codes are set to complete, the MIL goes off.

Self Shut Down (SSD) Mode

After the ignition switch is turned to LOCK (0), the PCM stays on (about 15 minutes). If the PCM connector is disconnected during this time, the PCM may be damaged. To cancel this mode, disconnect the negative cable from the battery or jump the SCS line with the HDS after the ignition switch is turned to LOCK (0).

Low Fuel Indicator

The PCM turns the low fuel indicator on to inform the driver that the fuel level is low.

The PCM calculates the gas quantity in the fuel tank from fuel pressure detected by the fuel tank pressure (FTP) sensor and from fuel temperature detected by the fuel tank temperature (FTT) sensor. The PCM then outputs a calculated signal to the gauge control module.

When the PCM detects a malfunction of the FTP sensor or the fuel pressure regulator switch, the PCM causes the low fuel indicator to blink and the fuel gauge to read empty.

When the PCM detects a fuel leak, it turns the low fuel indicator on. If the low fuel indicator is blinking, the vehicle will not start. Low Fuel Indicator Troubleshooting

PCM Electrical Connections









PCM Electrical Connections (cont'd)









PCM Electrical Connections (cont'd)









Vacuum Hose Routing





Vacuum Distribution





PCM Inputs and Outputs at Connector A (square) (44P)





NOTE: Standard battery voltage is about 12 V.









PCM Inputs and Outputs at Connector A (square) (44P)





NOTE: Standard battery voltage is about 12 V.





PCM Inputs and Outputs at Connector A (square) (44P)





NOTE: Standard battery voltage is about 12 V.





PCM Inputs and Outputs at Connector B (triangle) (44P)





NOTE: Standard battery voltage is about 12 V.





PCM Inputs and Outputs at Connector B (triangle) (44P)





NOTE: Standard battery voltage is about 12 V.





PCM Inputs and Outputs at Connector B (triangle) (44P)





NOTE: Standard battery voltage is about 12 V.





PCM Inputs and Outputs at Connector C (circle) (44P)





NOTE: Standard battery voltage is about 12 V.









PCM Inputs and Outputs at Connector C (circle) (44P)





NOTE: Standard battery voltage is about 12 V.





PGM-FI System

The programmed fuel injection (PGM-FI) system is a sequential multiport fuel injection system.

Air Conditioning (A/C) Compressor Clutch Relay

When the PCM receives a demand for cooling from the A/C system, it delays the compressor from being energized, and enriches the mixture to assure smooth transition to the A/C mode.

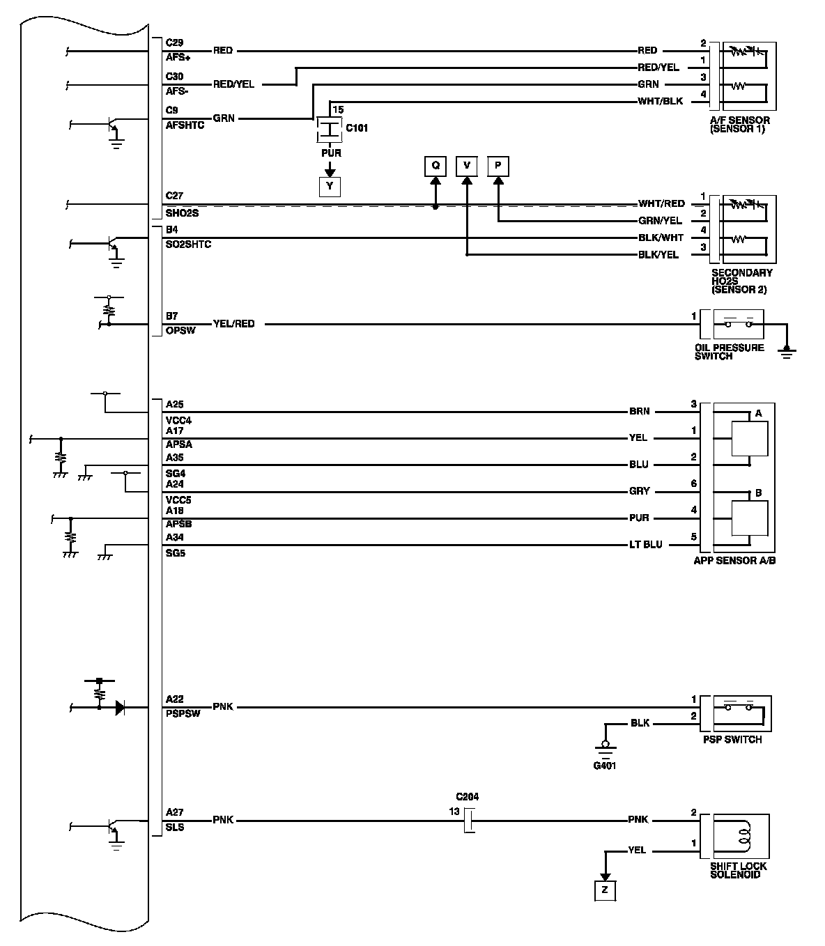
Air Fuel Ratio (A/F) Sensor

The A/F sensor operates over a wide air/fuel range. The A/F sensor is installed upstream of the TWC, and sends signals to the PCM which varies the duration of fuel injection accordingly.






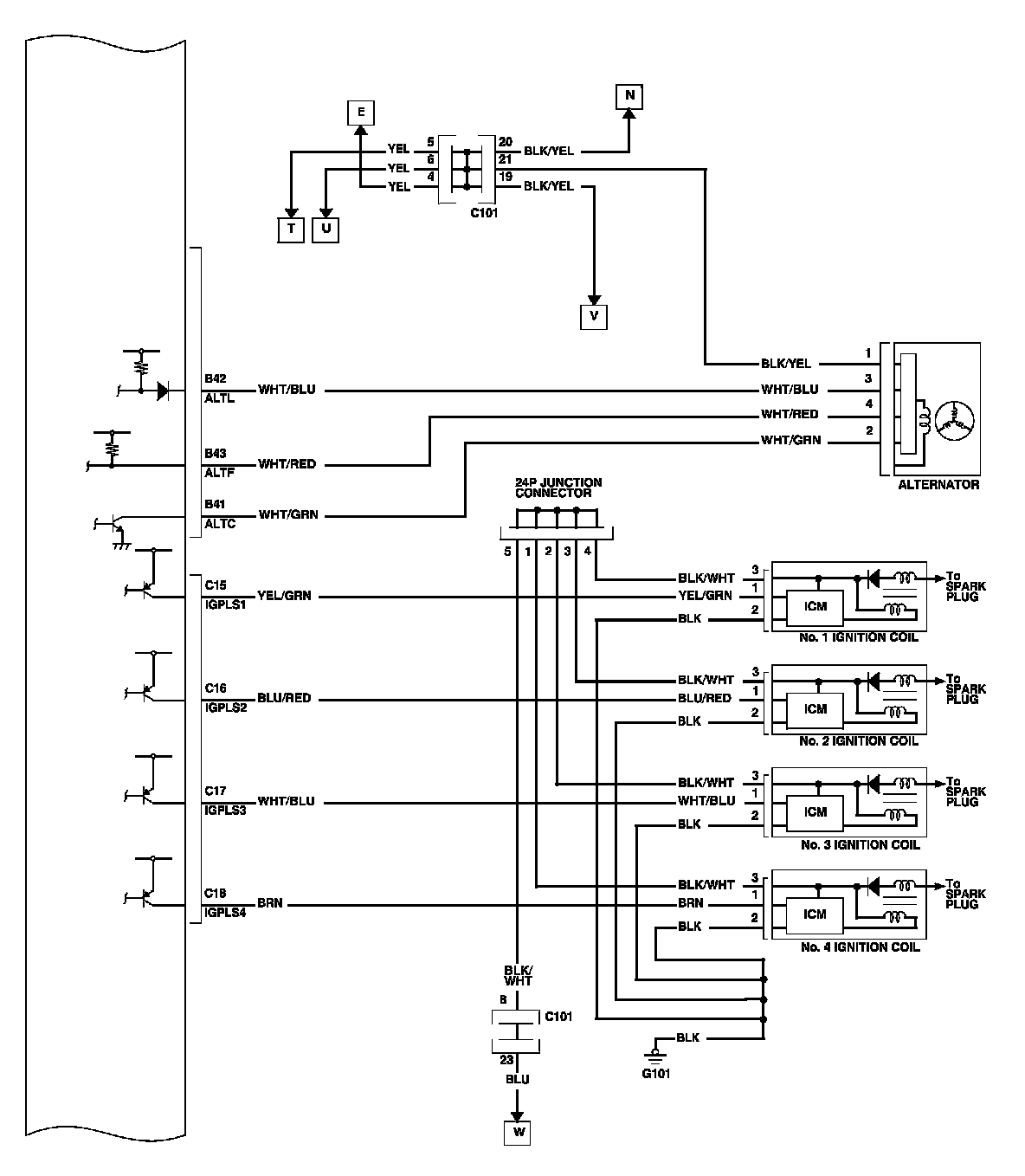
Alternator Control

The alternator signals the PCM during charging.

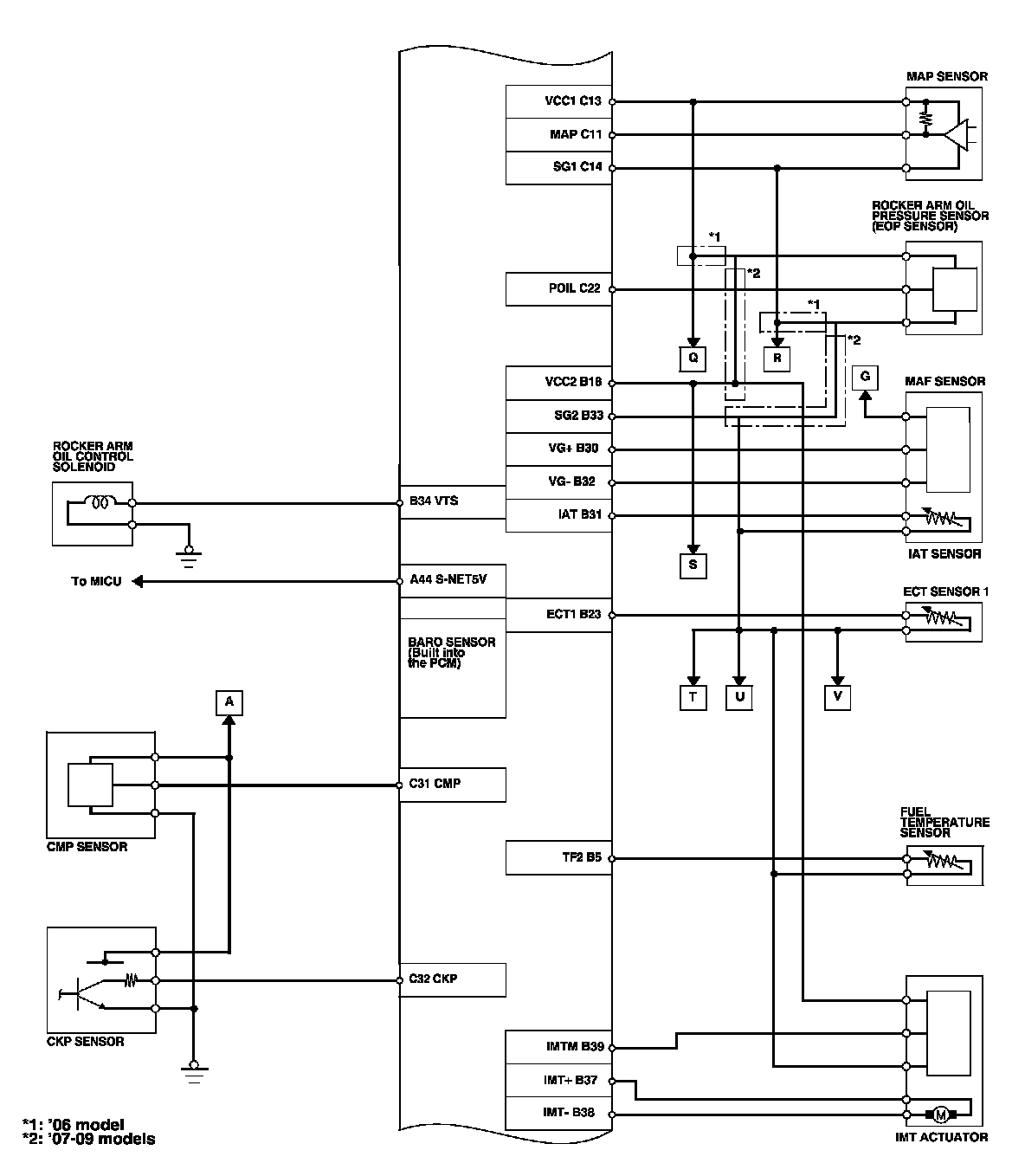
Barometric Pressure (BARO) Sensor

The BARO sensor is inside the PCM. It converts atmospheric pressure into a voltage signal that modifies the basic duration of the fuel injection discharge.

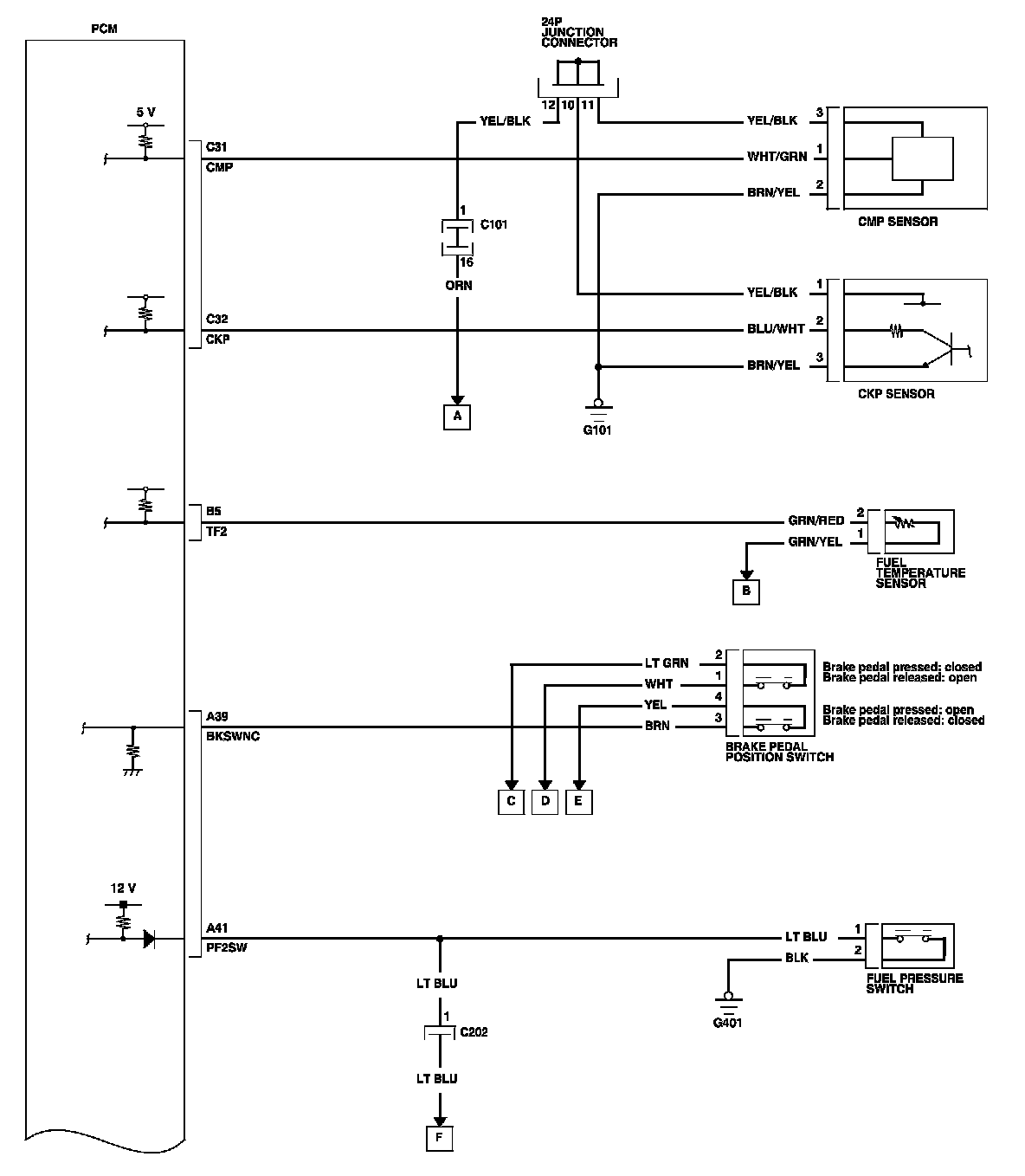
Camshaft Position (CMP) Sensor

The CMP sensor detects the position of the No. 1 cylinder as a reference for sequential fuel injection to each cylinder.






Crankshaft Position (CKP) Sensor

The CKP sensor detects crankshaft speed and is used by the PCM to determine ignition timing and timing for the fuel injection of each cylinder, and engine misfire detection.






Engine Coolant Temperature (ECT) Sensors 1 and 2

ECT sensors 1 and 2 are temperature dependent resistors (thermistors). The resistance decreases as the engine coolant temperature increases.






Ignition Timing Control

The PCM contains the memory for basic ignition timing at various engine speeds and manifold absolute pressure. It also adjusts the timing according to engine coolant temperature and intake air temperature.

Injector Timing and Duration

The PCM contains the memory for basic discharge duration at various engine speeds and manifold absolute pressures. The basic discharge duration, after being read out from the memory, is further modified by signals sent from various sensors to obtain the final discharge duration.

By monitoring long term fuel trim, the PCM can detect long term malfunctions in the fuel system and sets DTCs (diagnostic trouble codes) if needed.

Manifold Absolute Pressure (MAP) Sensor

The MAP sensor converts manifold absolute pressure into electrical signals to the PCM.






Malfunction Indicator Lamp (MIL) Indication (In relation to Readiness Codes)

The vehicle has certain readiness codes that are part of the on-board diagnostics for the emissions systems. If the vehicle's battery has been disconnected or gone dead, if the DTCs have been cleared, or if the PCM has been reset, these codes are reset. In some states, part of the emissions testing is to make sure these codes are set to complete. If all of them are not set to complete, the vehicle may fail the test, or the test cannot be finished.

To check if the readiness codes are set to complete, turn the ignition switch ON (II), but do not start the engine. The MIL will come on for 15-20 seconds. If it then goes off, the readiness codes are complete. If it flashes five times, one or more readiness codes are not complete. To set each code, drive the vehicle or run the engine as described in the procedures. Monitors, Trips, Drive Cycles and Readiness Codes

Mass Air Flow (MAF) Sensor/Intake Air Temperature (IAT) Sensor

The mass air flow (MAF) sensor/intake air temperature (IAT) sensor contains a hot wire sensor, a cold wire sensor and a thermistor. It is located in the intake air passage. The resistance of the hot wire sensor, the cold wire sensor, and the thermistor changes due to intake air temperature and airflow. The control circuit in the MAF sensor controls the current to keep the hot wire at a set temperature. The current is converted to voltage in the control circuit, then output to the PCM.






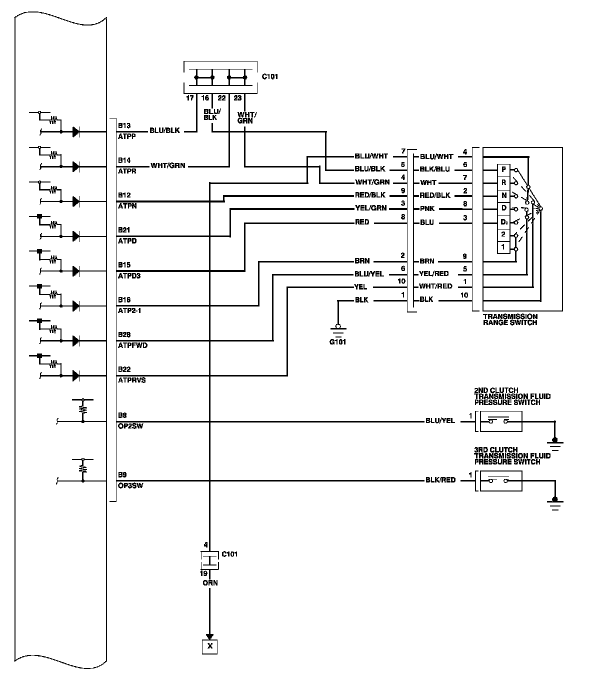
Output Shaft (Countershaft) Speed Sensor

This sensor detects countershaft speed.






Secondary Heated Oxygen Sensor (Secondary HO2S)

The secondary HO2S detects the oxygen content in the exhaust gas downstream of the three way catalytic converter (TWC), and sends signals to the PCM which varies the duration of fuel injection accordingly. To stabilize its output, the sensor has an internal heater. The PCM compares the HO2S output with the A/F sensor output to determine catalyst efficiency. The secondary HO2S is on the TWC.






Starting Control

When the engine is started, the PCM provides a rich mixture by increasing injector duration.

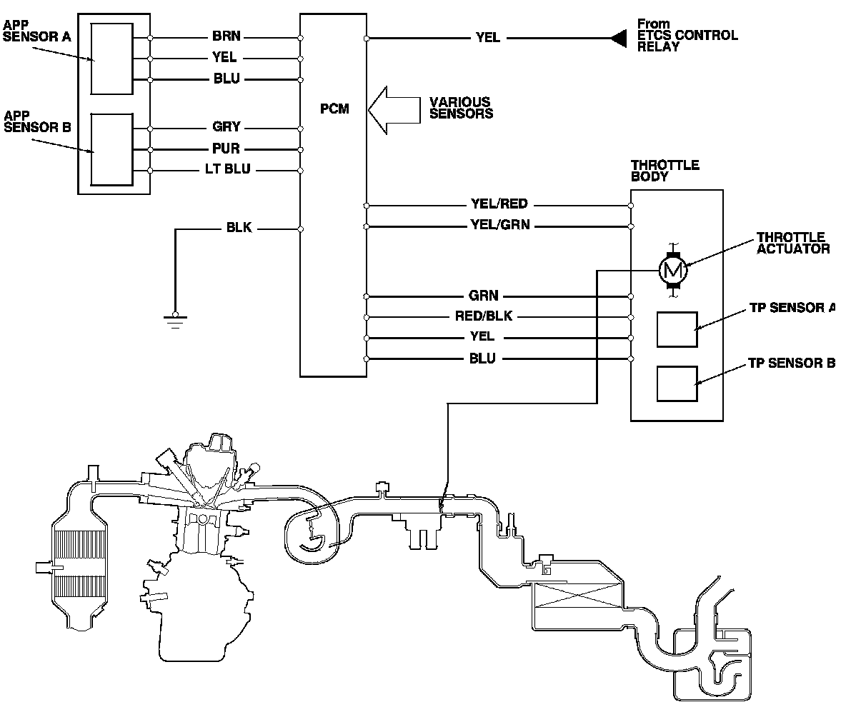
Electronic Throttle Control System

The throttle is electronically controlled by the electronic throttle control system. Refer to the system diagram to see a functional layout of the system.

Idle control: When the engine is idling, the PCM controls the throttle actuator to maintain the proper idle speed according to engine loads.

Acceleration control: When the accelerator pedal is pressed, the PCM opens the throttle valve, depending on the accelerator pedal position (APP) sensor signal.

Cruise control: The PCM controls the throttle actuator to maintain the set speed when the cruise control is operating. The throttle actuator takes the place of the cruise control actuator.

Accelerator Pedal Position (APP) Sensor

As the accelerator pedal position changes, the sensor varies the signal voltage to the PCM.






Throttle Body

The throttle body is a single-barrel side draft type. The lower portion of the throttle valve is heated by engine coolant from the cylinder head to prevent icing of the throttle plate.






Idle Control System

When the engine is cold, the A/C compressor is on, the transmission is in gear, the brake pedal is pressed, the power steering load is high, or the alternator is charging, the PCM sends signals to the throttle actuator to maintain the correct idle speed.

Brake Pedal Position Switch

The brake pedal position switch signals the PCM when the brake pedal is pressed.

Power Steering Pressure (PSP) Switch

The PSP switch signals the PCM when the power steering load is high.

VTEC System

- This system improves fuel efficiency and reduces exhaust emissions at all levels of engine speed, vehicle speed, and engine load.

- The VTEC system changes the valve lift and timing by using more than one cam profile.

- The VTEC system changes the cam profile (angle) at cruising speeds.
(Cam angle is changed to obtain the desired EGR effect and reduce pumping loss).

Operation

At engine start and high load

- The rocker arm oil control valve is OFF.

- Oil pressure enters secondary rocker arm B from the oil passage in the intake rocker shaft.
This forces the VTEC switching piston into secondary rocker arm A and against the return spring, and disengages secondary rocker arm A from secondary rocker arm B to stop valve actuation.





At cruise

The rocker arm oil control valve switches oil pressure to the oil passage in the intake rocker arm shaft. Oil pressure then enters secondary rocker arm A, and it moves the VTEC switching piston in the rocker arm.

This causes the VTEC switching piston to slide into secondary rocker arm B, locking secondary rocker arms A and B together.






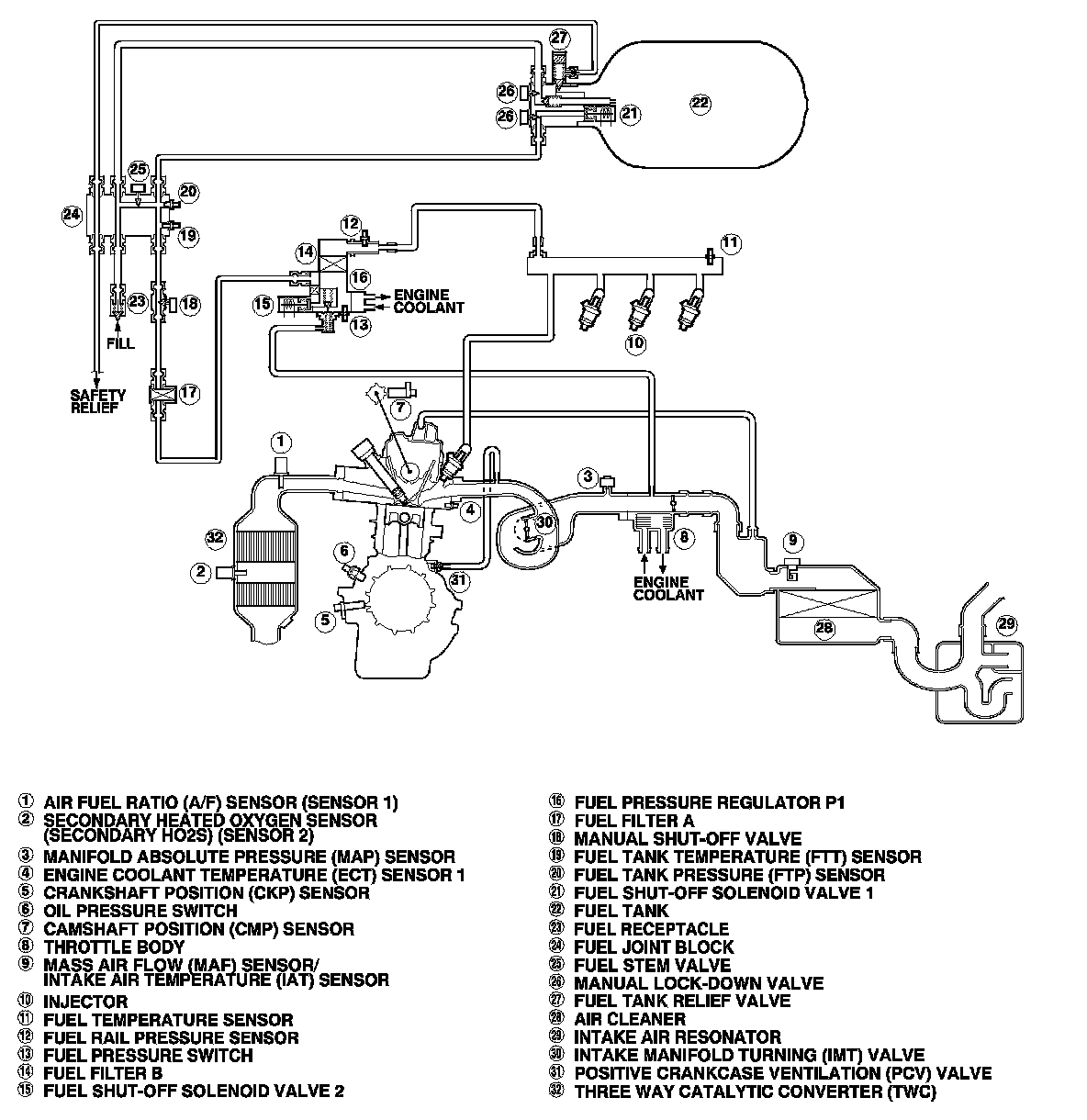
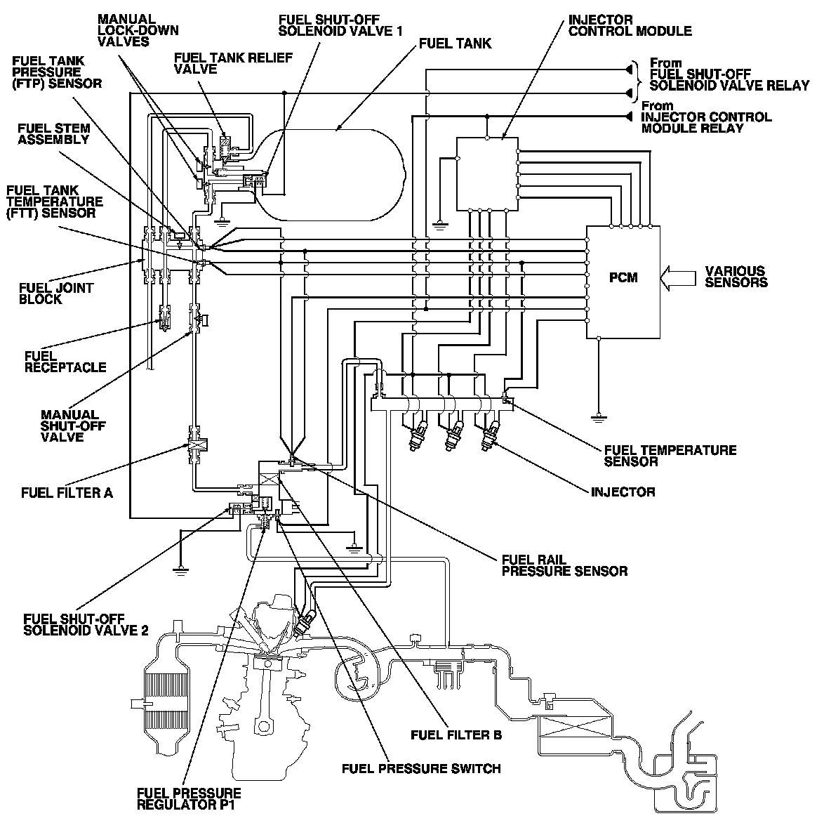
Fuel Supply System

The fuel supply system consists of the fuel tank, the injectors, the fuel tank pressure (FTP) sensor, the fuel tank temperature (FTT) sensor, the fuel rail pressure sensor, the fuel temperature sensor, the injector control module, the injector control module relay, fuel shut-off solenoid valve 1, fuel shut-off solenoid valve 2, fuel pressure regulator P1, the fuel pressure switch, the fuel filters, and the manual shut-off valve.






Fuel Cutoff Control

During deceleration with the throttle valve closed, current to the injectors is cut off to improve fuel economy at engine speeds over 800 rpm. Fuel cutoff also occurs when the engine speed exceeds 6,900 rpm, regardless of the position of the throttle valve, to protect the engine from over-revving. When the vehicle is stopped, the PCM cuts the fuel at engine speeds over 5,000 rpm. On the cold engine, fuel cut occurs at a lower engine speed.

Fuel Filter A

The fuel filter prevents contamination in the fuel from getting into the engine.






Fuel Rail Pressure Sensor

The fuel rail pressure sensor is located on the fuel feed hose joint (near fuel pressure regulator P1) and it detects fuel pressure at the injectors. The signal is used to correct the fuel injection period by monitoring fuel pressure. It also detects any abnormality in the fuel pressure.






Fuel Pressure Regulator P1

Fuel pressure regulator P1 lowers the pressure of fuel from the fuel tank and sends it to the injectors.

Fuel filter B prevents contamination from getting into the engine. The fuel pressure switch detects abnormal fuel pressure conditions.






Fuel Shut-off Solenoid Valve 1/Fuel Shut-off Solenoid Valve 2

Fuel shut-off solenoid valve 1 is located in the fuel tank. It turns on or off to supply fuel to the engine.

Fuel shut-off solenoid valve 2 is located on fuel pressure regulator P1, and it turns on or off to supply fuel to the engine.

When the ignition switch is turned to ON (II), fuel shut-off solenoid valve 1 and fuel shut-off solenoid valve 2 normally open for 2 seconds.

Fuel tank





Fuel pressure regulator P1





Fuel Pressure Switch

The fuel pressure switch is located on fuel pressure regulator P1. It detects excessive fuel pressure.






Fuel Tank

The tank is made of aluminum reinforced by carbon fiber and fiberglass. The fuel tank capacity is:

- @3,000 psi: 7.2 gasoline gallons equivalent (GGE)

- @3,600 psi: 8.0 gasoline gallons equivalent (GGE)





Fuel Tank Temperature (FTT) Sensor

The FTT sensor is on the fuel joint block. It measures the temperature of the fuel, and this signal is used to calculate the amount of fuel in the fuel tank.






Fuel Tank Pressure (FTP) Sensor

The FTP sensor is located on the fuel joint block, and it measures fuel tank pressure. The signal is used to calculate the amount of fuel in the fuel tank and to detect any leakage.






Fuel Temperature Sensor

The fuel temperature sensor is on the fuel rail. It measures the temperature of the fuel. Its signal corrects the fuel injection period according to fuel temperature.






Fuel Vent Duct

The fuel lines are enclosed in a duct that contains any escaped fuel in case there is a leak in the fill pipe. The fuel is routed to the fuel fill compartment to prevent it from leaking into the trunk or passenger compartment.






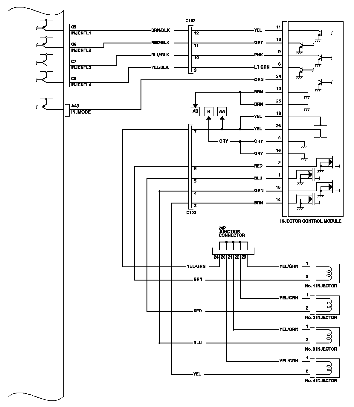
Injector Control Module

The injector control module controls the injectors and prevents them from sticking when starting in extremely low temperatures. When the ignition switch is turned to ON (II), current is momentarily increased to the injectors to loosen any sticking injectors.

Manual Shut-off Valve

The manual shut-off valve is located under floor in the left rear. This valve can be turned manually to cut the fuel supplied to the engine.

Low Fuel Indicator

The low fuel indicator comes on when the fuel level is low. It blinks when a problem is detected with the fuel tank pressure (FTP) sensor, fuel tank temperature (FTT) sensor, or fuel pressure regulator switch.

PGM-FI Main Relay 1

PGM-FI main relay 1 is energized whenever the ignition switch is ON (II) to supply battery voltage to the PCM, and power for the injector control module relay and the ETCS control relay.

Catalytic Converter System

Three Way Catalytic Converter (TWC)

The TWC converts hydrocarbons (HC), carbon monoxide (CO), and oxides of nitrogen (NOx) in the exhaust gas to carbon dioxide (CO2), nitrogen (N2), and water vapor.






Positive Crankcase Ventilation (PCV) System

The PCV valve prevents blow-by gasses from escaping into the atmosphere by venting them into the intake manifold.






Electronic Throttle Control System Diagram

The electronic throttle control system consists of the throttle actuator, throttle position (TP) sensor A/B, accelerator pedal position (APP) sensor A/B, the electronic throttle control system (ETCS) control relay, and the PCM.






Intake Manifold Tuning (IMT) Valve System

Engine power is adjusted by opening and closing the intake manifold tuning (IMT) actuator. When the valve is closed, there is high torque at low engine speed. When the valve is open, there is high torque at high engine speed.

The intake manifold tuning (IMT) valve actuator contains a sensor that detects the IMT valve position and sends it to the PCM.






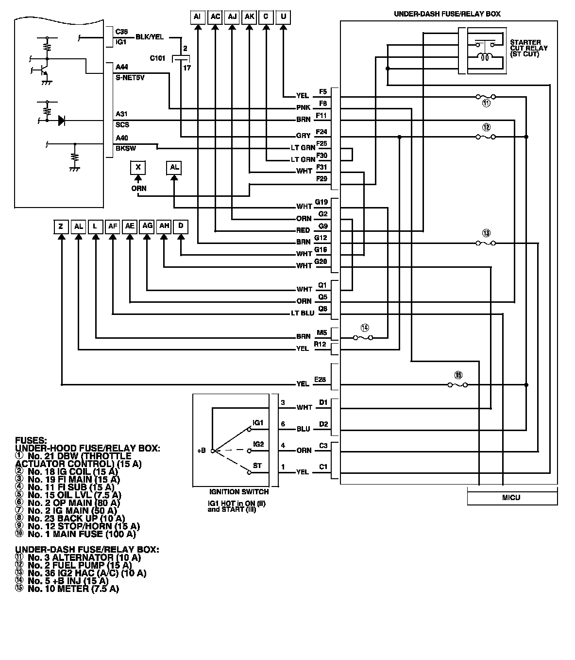
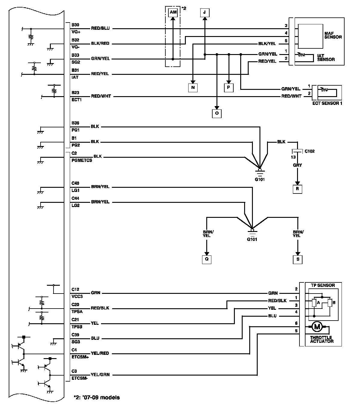
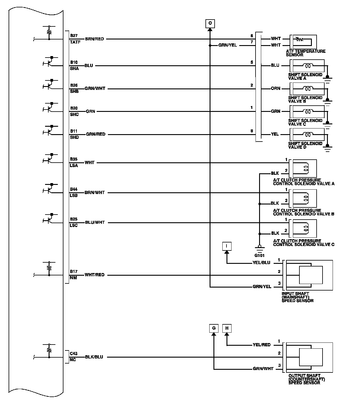
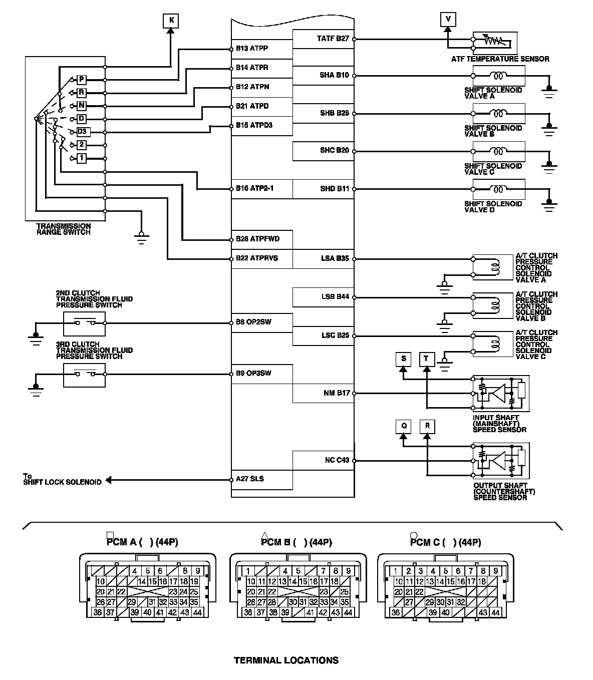
PCM Circuit Diagram





PCM Circuit Diagram (cont'd)









PCM Circuit Diagram (cont'd)









PCM Circuit Diagram (cont'd)









PCM Circuit Diagram (cont'd)









PCM Circuit Diagram (cont'd)









PCM Circuit Diagram (cont'd)