Curiosii for ever!: Car repair manuals for everyone.

Overhaul




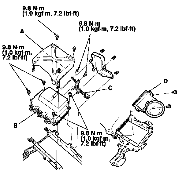
Power Control Unit (PCU) Disassembly/Reassembly

NOTE: Put on gloves to protect your hands from electrical shock.

IMA components are located in this area. The IMA is a high-voltage system. You must be familiar with the IMA system before working on or around it. Make sure you have read the IMA service precautions before doing repairs or service. High Voltage Safety

1. Remove the PCU assembly. Power Control Unit (PCU) Removal/Installation

2. Remove the cover (A), the MCM (B), the busplate (C), and the IPU air unit (D).

3. Install the parts in the reverse order of removal.