Curiosii for ever!: Car repair manuals for everyone.

Part Two - PGM-FI System




Fuel and Emissions System Description

PGM-FI System

The programmed fuel injection (PGM-FI) system is a sequential multiport fuel injection system.

Alternator Control

The alternator signals the ECM/PCM during charging.

Air Conditioning (A/C) Compressor Clutch Relay

When the ECM/PCM receives a demand for cooling from the A/C system, it delays the compressor from being energized, and enriches the mixture to assure smooth transition to the A/C mode.

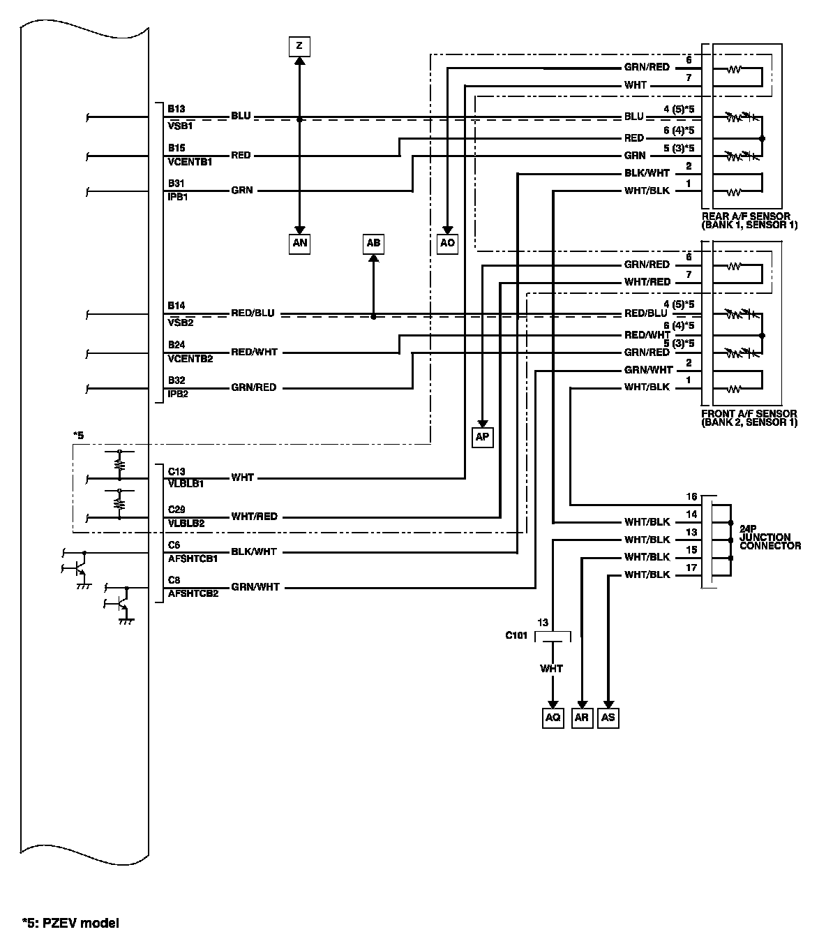
Air Fuel Ratio (A/F) Sensor

The A/F sensor operates over a wide air/fuel range. The A/F sensor is installed upstream of the WU-TWC, and sends signals to the ECM/PCM which varies the duration of fuel injection accordingly.






Barometric Pressure (BARO) Sensor

The BARO sensor is inside the ECM/PCM. It converts atmospheric pressure into a voltage signal that is used by the ECM/PCM to modify the basic duration of the fuel injection discharge.

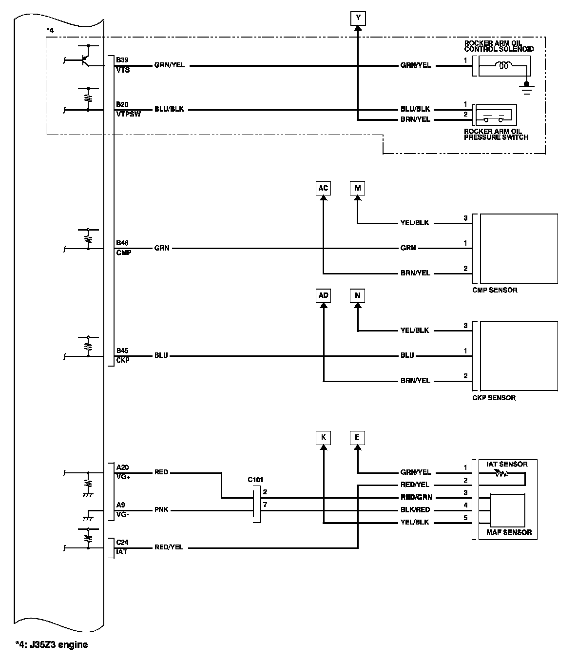
Camshaft Position (CMP) Sensor

The CMP sensor input is used by the ECM/PCM to determine ignition timing at start up (cranking) and when crank angle is abnormal.






Crankshaft Position (CKP) Sensor

The CKP sensor detects crankshaft speed and is used by the ECM/PCM to determine ignition timing, timing for the fuel injection of each cylinder, and engine misfire detection.






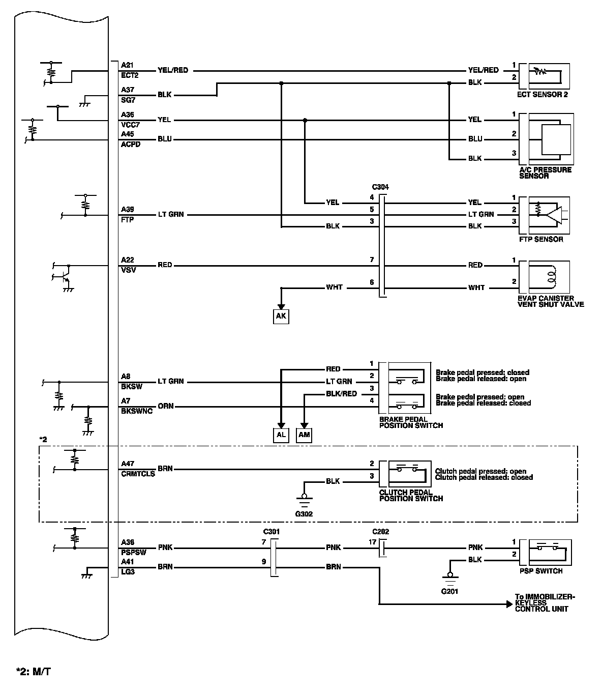
Engine Coolant Temperature (ECT) Sensors 1 and 2

ECT sensors 1 and 2 are temperature dependent resistors (thermistors). The resistance decreases as the engine coolant temperature increases.






Ignition Timing Control

The ECM/PCM contains the memory for basic ignition timing at various engine speeds and manifold absolute pressures. It also adjusts the timing according to engine coolant temperature.

Injector Timing and Duration

The ECM/PCM contains the memory for basic discharge duration at various engine speeds and manifold pressures. The basic discharge duration, after being read out from the memory, is further modified by signals sent from various sensors to obtain the final discharge duration.

By monitoring long term fuel trim, the ECM/PCM can detect long term malfunctions in the fuel system and set DTCs (diagnostic trouble codes) if needed.

Input Shaft (Mainshaft) Speed Sensor

This sensor detects input shaft (mainshaft) speed.






Knock Sensor

The knock control system adjusts the ignition timing to minimize knock.






Malfunction Indicator Lamp (MIL) Indication (In relation to Readiness Codes)

The vehicle has certain readiness codes that are part of the on-board diagnostics for the emissions systems. If the vehicle's battery has been disconnected or gone dead, if DTCs have been cleared, or if the ECM/PCM has been reset, these codes are reset. In some states, part of the emissions testing is to make sure these codes are set to complete. If all of them are not set to complete, the vehicle may fail the test, or the test cannot be finished.

To check if the readiness codes are set to complete, turn the ignition switch to ON (II), but do not start the engine. The MIL will come on for 15-20 seconds. If it then goes off, the readiness codes are complete. If it flashes five times, one or more readiness codes are not set to complete. To set each code, drive the vehicle or run the engine as described in the procedures. Monitors, Trips, Drive Cycles and Readiness Codes

Manifold Absolute Pressure (MAP) Sensor

The MAP sensor converts manifold absolute pressure into electrical signals to the ECM/PCM.






Mass Air Flow (MAF) Sensor/Intake Air Temperature (IAT) Sensor

The mass air flow (MAF) sensor/intake air temperature (IAT) sensor contains a hot wire and a thermistor. It is located in the intake air passage. The resistance of the hot wire and thermistor change due to intake air temperature and air flow. The control circuit in the MAF sensor controls the current to keep the hot wire at a set temperature. The current is converted to voltage in the control circuit, then output to the ECM/PCM.






Output Shaft (Countershaft) Speed Sensor

This sensor detects countershaft speed.






Secondary Heated Oxygen Sensor (Secondary HO2S)

The secondary HO2S detects the oxygen content in the exhaust gas downstream of the warm up three way catalytic converter (WU-TWC), and sends signals to the ECM/PCM. To stabilize its output, the sensor has an internal heater. The ECM/PCM compares the HO2S output with the A/F sensor output to determine catalyst efficiency. The secondary HO2S is on the WU-TWC.






Electronic Throttle Control System

The throttle is electronically controlled by the electronic throttle control system. Refer to the system diagram to see a functional layout of the system.

Idle control: When the engine is idling, the ECM/PCM controls the throttle actuator to maintain the proper idle speed according to engine loads.

Acceleration control: When the accelerator pedal is pressed, the ECM/PCM opens the throttle valve depending on the accelerator pedal position (APP) sensor signal.

Cruise control: The ECM/PCM controls the throttle actuator to maintain the set speed when cruise control is operating. The throttle actuator takes the place of the cruise control actuator.

Accelerator Pedal Position (APP) Sensor

As the accelerator pedal position changes, the sensor varies the signal voltage to the ECM/PCM.






Throttle Body

The throttle body is a single-barrel side draft type. The lower portion of the throttle valve is heated by engine coolant from the cylinder head to prevent icing of the throttle plate.






Idle Control System

When the engine is cold, the A/C compressor is on, the transmission is in gear, the brake pedal is pressed, the power steering load is high, or the alternator is charging, the ECM/PCM controls current to the throttle actuator to maintain the correct idle speed.

Brake Pedal Position Switch

The brake pedal position switch signals the ECM/PCM when the brake pedal is pressed.

Power Steering Pressure (PSP) Switch

The PSP switch signals the ECM/PCM when the power steering load is high.

Fuel Supply System

Fuel Cutoff Control

During deceleration with the throttle valve closed, current to the injectors is cut off to improve fuel economy at engine speeds over 850 rpm (J35Z3 engine: 950 rpm). Fuel cutoff control also occurs when the engine speed exceeds 6,900 rpm, regardless of the position of the throttle valve, to protect the engine from over-revving. When the vehicle is stopped, the ECM/PCM cuts the fuel at engine speeds over 5,000 rpm (J35Z3 engine: 5,550 rpm). On a cold engine, fuel cut occurs at a lower engine speed.

Fuel Pump Control

When the ignition switch is turned to ON (II), the ECM/PCM grounds PGM-FI main relay 2 (FUEL PUMP) which feeds current to the fuel pump for 2 seconds to pressurize the fuel system. With the engine running, the ECM/PCM grounds PGM-FI main relay 2 (FUEL PUMP) and feeds current to the fuel pump. When the engine is not running and the ignition is ON (II), the ECM/PCM cuts ground to PGM-FI main relay 2 (FUEL PUMP) which cuts current to the fuel pump.

PGM-FI Main Relay 1 and 2

PGM-FI main relay 1 is energized whenever the ignition switch is ON (II) to supply battery voltage to the ECM/PCM, power to the injectors, and power for PGM-FI main relay 2 (FUEL PUMP). PGM-FI main relay 2 (FUEL PUMP) is energized to supply power to the fuel pump for 2 seconds when the ignition switch is turned to ON (II), and when the engine is cranking or running.

Catalytic Converter System

Warm Up Three Way Catalytic Converter (WU-TWC) and Under-floor Three Way Catalytic Converter (Under-floor TWC)

The WU-TWC/Under-floor TWC converts hydrocarbons (HC), carbon monoxide (CO), and oxides of nitrogen (NOx) in the exhaust gas to carbon dioxide (CO2), nitrogen (N2), and water vapor.

WU-TWC





UNDER-FLOOR TWC





Exhaust Gas Recirculation (EGR) System

Refer to the system diagram to see a functional layout of the system.

EGR Valve

The EGR valve lowers peak combustion temperatures and reduces oxides of nitrogen emissions (NOx) by recirculating exhaust gas through the intake manifold and into the combustion chambers.

Positive Crankcase Ventilation (PCV) System

The PCV valve prevents blow-by gasses from escaping into the atmosphere by venting them into the intake manifold.






Evaporative Emission (EVAP) Control System

Refer to the system diagram to see a functional layout of the system.

EVAP Canister

The EVAP canister temporarily stores fuel vapor from the fuel tank until it can be purged from the EVAP canister into the engine and burned.

EVAP Canister Purge Valve

When the engine coolant temperature is below 140 °F (60 °C), the ECM/PCM turns off the EVAP canister purge valve which cuts vacuum to the EVAP canister.






Fuel Tank Pressure (FTP) Sensor

The FTP sensor converts fuel tank absolute pressure into an electrical input to the ECM/PCM.






EVAP Canister Vent Shut Valve

The EVAP canister vent shut valve is on the EVAP canister.

The EVAP canister vent shut valve controls the venting of the EVAP canister.






Fuel Cap Warning Message

The ECM/PCM will detect a loose or missing fuel fill cap as an evaporative system leak and alerts the driver by showing a warning message in the gauge display.

The first time a leak is detected a CHECK FUEL CAP message appears on the gauge display (A). To scroll to another message, press the select/reset button. The "CHECK FUEL CAP" message will appear each time you restart the engine until the system turns the message off. Turn the engine off then replace or tighten the fuel fill cap until it clicks at least once.






To make the message go off (with the HDS)

Procedure

1. Tighten the fuel fill cap until it clicks.

2. Clear the Temporary DTC with the HDS.

3. Verify there is no leak by doing the EVAP FUNCTION TEST in the INSPECTION MENU with the HDS.

To make the message go off (without the HDS)

Procedure

4. Tighten the fuel fill cap until it clicks.

5. Start the engine, then turn the ignition switch to LOCK (0).

6. Repeat step 2 two more times.

Electronic Throttle Control System Diagram

The electronic throttle control system consists of the throttle actuator, throttle position (TP) sensor A/B, accelerator pedal position (APP) sensor A/B, the electronic throttle control system (ETCS) control relay, and the ECM/PCM.






Intake Manifold Tuning (IMT) Valve System (J35Z3 engine)

Engine power is adjusted by opening and closing the intake manifold tuning (IMT) valve. When the valve is closed, there is high torque at low engine speed. When the valve is open, there is high torque at high engine speed.

The intake manifold tuning (IMT) actuator contains a sensor that detects the IMT valve position and sends it to the ECM/PCM.






Variable Cylinder Management (VCM) System (J35Z2 engine)

The VCM system activates the cylinders based on the driving condition. The system has three modes: 6 cylinder (all cylinder activation), 4 cylinder (pauses the No. 3 and No. 4 cylinders), and 3 cylinder (pauses the rear bank of cylinders). On paused cylinders, the intake and exhaust valves are kept closed. Since the valves are closed, the frictional losses from the valve spring compression and pumping are reduced because no air is compressed in the cylinder. This reduces engine drag.






VCM System-Operation

During 6 Cylinder Mode

With rocker arm oil control solenoid A (Bank 1), B (Bank 1), and A (Bank 2) OFF, the rocker arm oil control valves direct oil pressure. Oil pressure enters the secondary rocker arm from the oil passage in the rocker shaft, and it moves the VTEC switching piston, sliding it into the primary rocker arm and locking primary rocker arms and secondary rocker arms together. The rocker arms are lifted by the camshaft, and all cylinders are active.






During 4 Cylinder Mode

With rocker arm oil control solenoid A (Bank 1) and A (Bank 2) turned on by PCM, the front and rear rocker arm oil control valves switch the oil pressure. Oil pressure then enters the No. 3 and No. 4 cylinder's primary rocker arm from the oil passage in the rocker shaft, causing the VTEC switching piston to slide into the secondary rocker arm and against the return spring. This disengages the primary rocker arm from the secondary rocker arm to stop valve activation. The No. 3 and No. 4 cylinder's rocker arms do not move, and No. 3 and No. 4 cylinders are paused. In the other four cylinders, oil pressure from the front and rear rocker arm oil control valves lock the primary rocker arm and secondary rocker arm together. The rocker arms are moved by the camshaft, and the four cylinders are active.






During 3 Cylinder Mode

When rocker arm oil control solenoid B (Bank 1) is turned on by the PCM, the rear rocker arm oil control valve switches the oil pressure. Oil pressure then enters the rear bank cylinder's primary rocker arm from the oil passage in the rocker shaft, causing the VTEC switching piston to slide into the secondary rocker arm and against the return spring. This disengages the primary rocker arm from the secondary rocker arm to stop valve activation. The rear bank cylinder's rocker arms do not move, and rear bank cylinders are paused. At the front bank, oil pressure from the front rocker arm oil control valve locks the No. 4 cylinder's primary and secondary rocker arms together. The No. 4 cylinder's rocker arms are moved by the camshaft, and the all front bank cylinders are active.






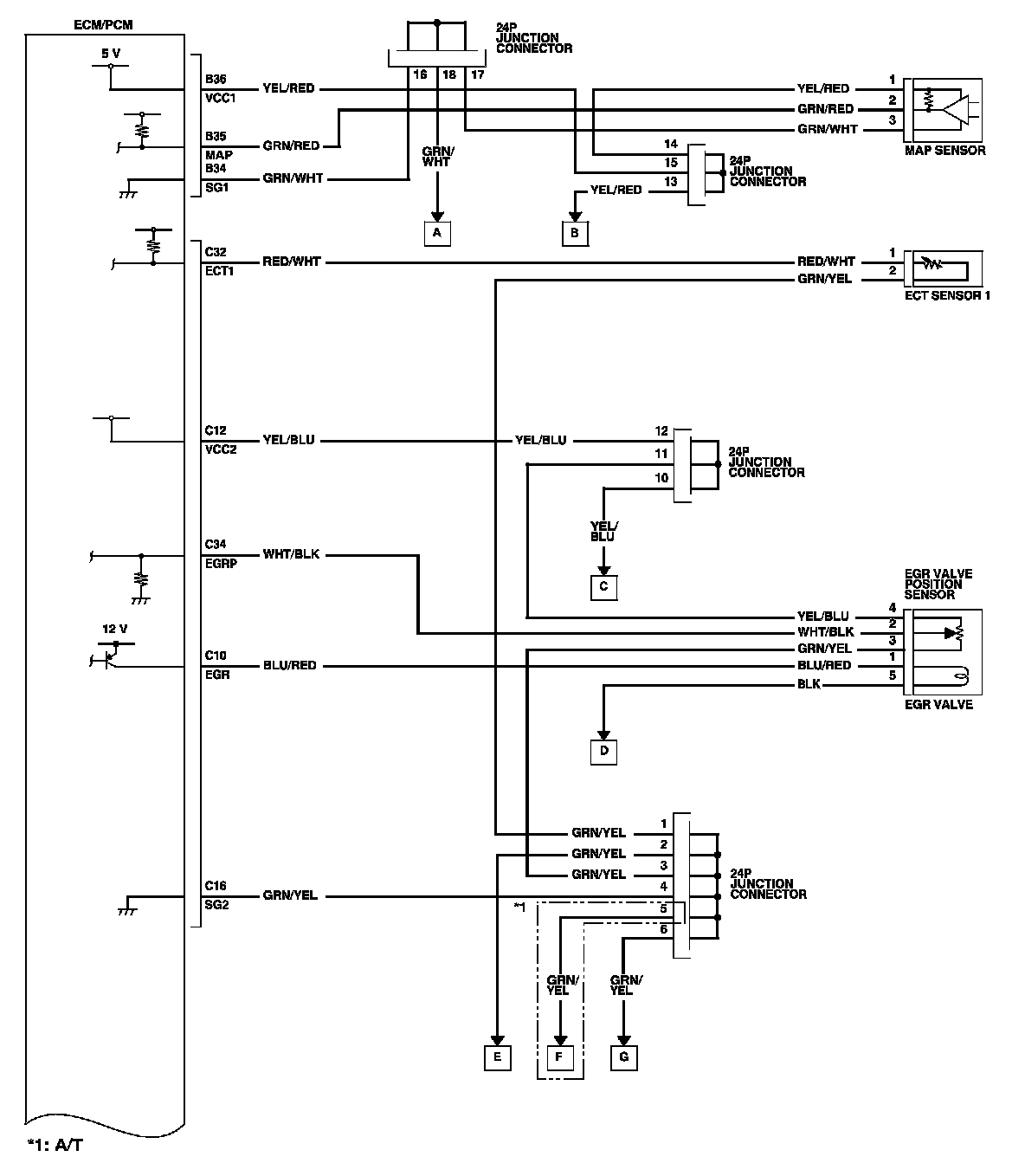
Exhaust Gas Recirculation (EGR) System Diagram

The EGR system reduces oxides of nitrogen (NOx) emissions by recirculating exhaust gas through the EGR pipe and the intake manifold, and into the combustion chambers. Routing the exhaust gas through the EGR pipe helps to prevent carbon deposits from forming in the intake manifold and the throttle body. The ECM/PCM memory includes the ideal EGR valve position for varying operating conditions.

The EGR valve position sensor detects the amount of EGR valve lift and sends it to the ECM/PCM. The ECM/PCM then compares it with the ideal lift in its memory (based on signals sent from other sensors). If there is any difference between the two, the ECM/PCM cuts current to the EGR valve.






Evaporative Emission (EVAP) Control Diagram

The EVAP controls minimize the amount of fuel vapor escaping to the atmosphere. Vapor from the fuel tank is temporarily stored in the EVAP canister until it can be purged from the canister into the engine and burned.

- The EVAP canister is purged by drawing fresh air through it and into a port on the intake manifold.
The purging vacuum is controlled by the EVAP canister purge valve, which operates whenever engine coolant temperature is above 140 °F (60 °C).

- During refueling, the fuel tank vapor control valve opens from pressure in the fuel tank, and feeds the fuel vapor to the EVAP canister.





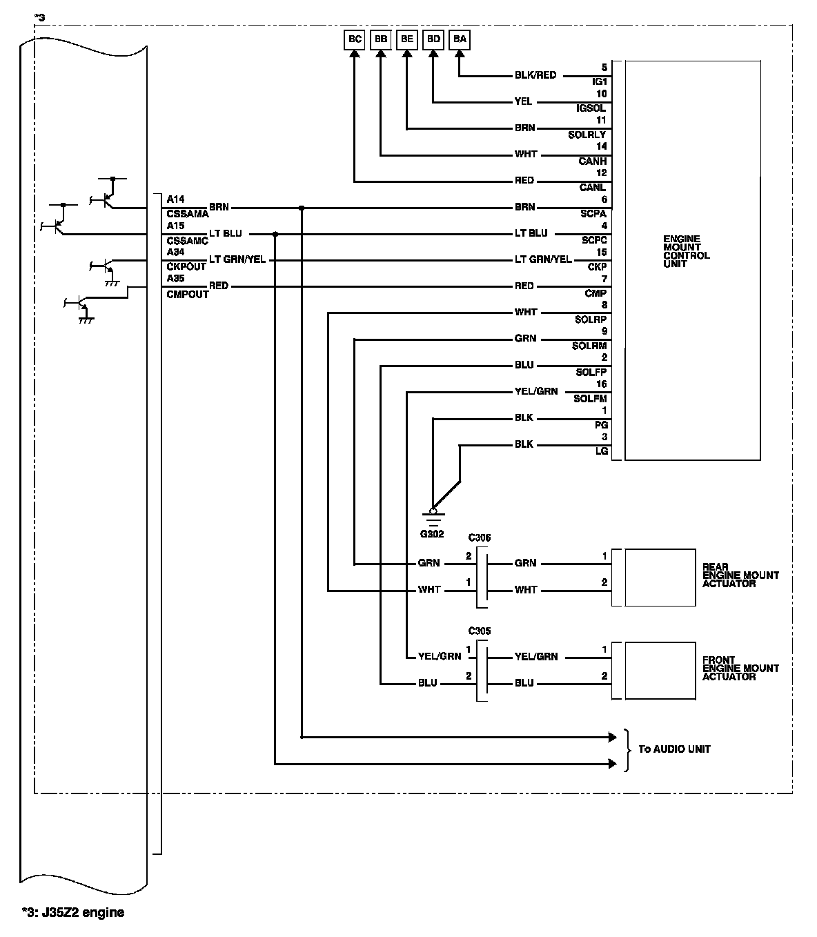
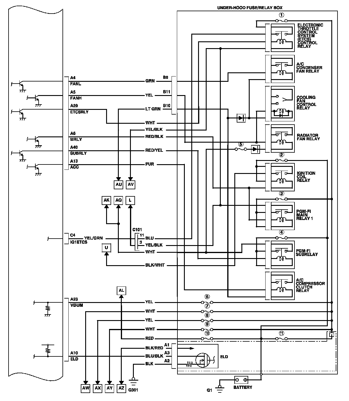
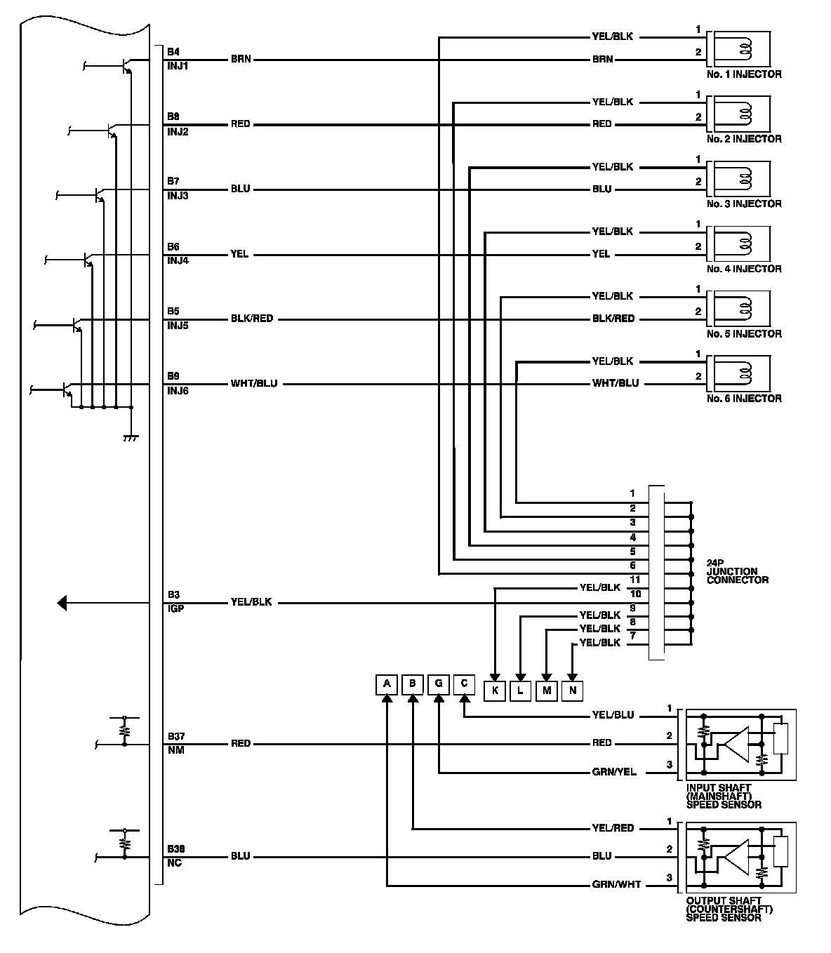
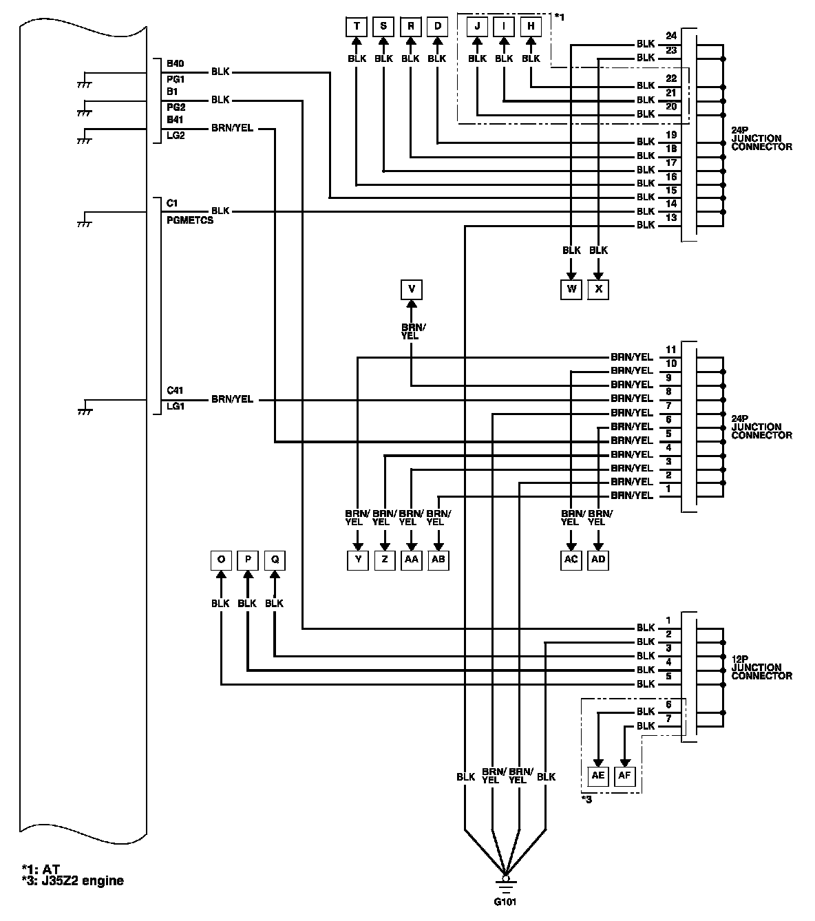
ECM/PCM Circuit Diagram





ECM/PCM Circuit Diagram (cont'd)









ECM/PCM Circuit Diagram (cont'd)









ECM/PCM Circuit Diagram (cont'd)









ECM/PCM Circuit Diagram (cont'd)









ECM/PCM Circuit Diagram (cont'd)









ECM/PCM Circuit Diagram (cont'd)









ECM/PCM Circuit Diagram (cont'd)









ECM/PCM Circuit Diagram (cont'd)