Curiosii for ever!: Car repair manuals for everyone.

Rocker Arm Oil Control Valve Removal/Installation (PZEV Model)




Rocker Arm Oil Control Valve Removal/Installation

PZEV model

1. Remove the strut brace. Frame Brace Replacement

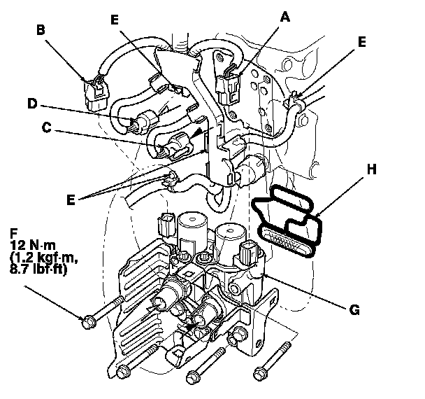
2. Disconnect the rocker arm oil control solenoid A connector (A), the rocker arm oil control solenoid B connector (B), the rocker arm oil pressure switch A connector (C), and the rocker arm oil pressure switch B connector (D).

3. Remove the harness clamps (E) and the bolts (F).

4. Remove the rocker arm oil control valve assembly (G) and the rocker arm oil control valve filter (H).






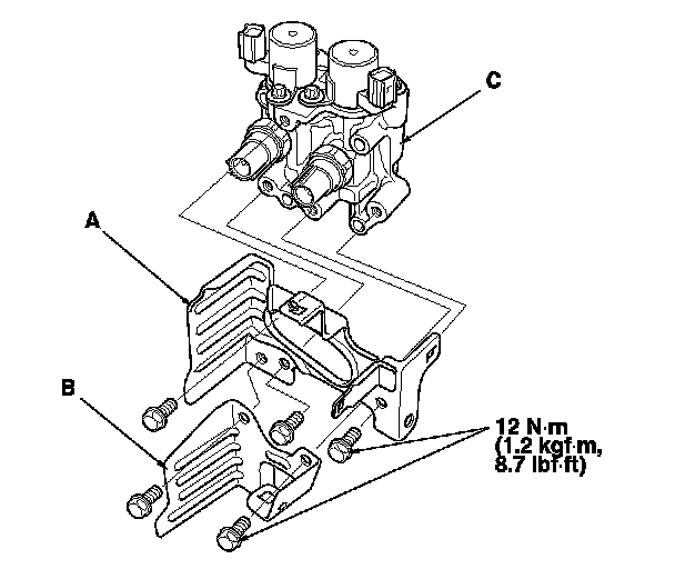
5. Remove the engine wire harness bracket (A) (also (B) (if equipped)) from the rocker arm oil control valve (C).

6. Install the parts in the reverse order of removal with a new rocker arm oil control valve filter.