Curiosii for ever!
: Car repair manuals for everyone.
Home
>>
Honda
>>
2009
>>
Accord L4-2.4L
>>
Repair and Diagnosis
>>
Engine, Cooling and Exhaust
>>
Engine
>>
Timing Components
>>
Variable Valve Timing
>>
Variable Valve Timing Solenoid
>>
Locations
>>
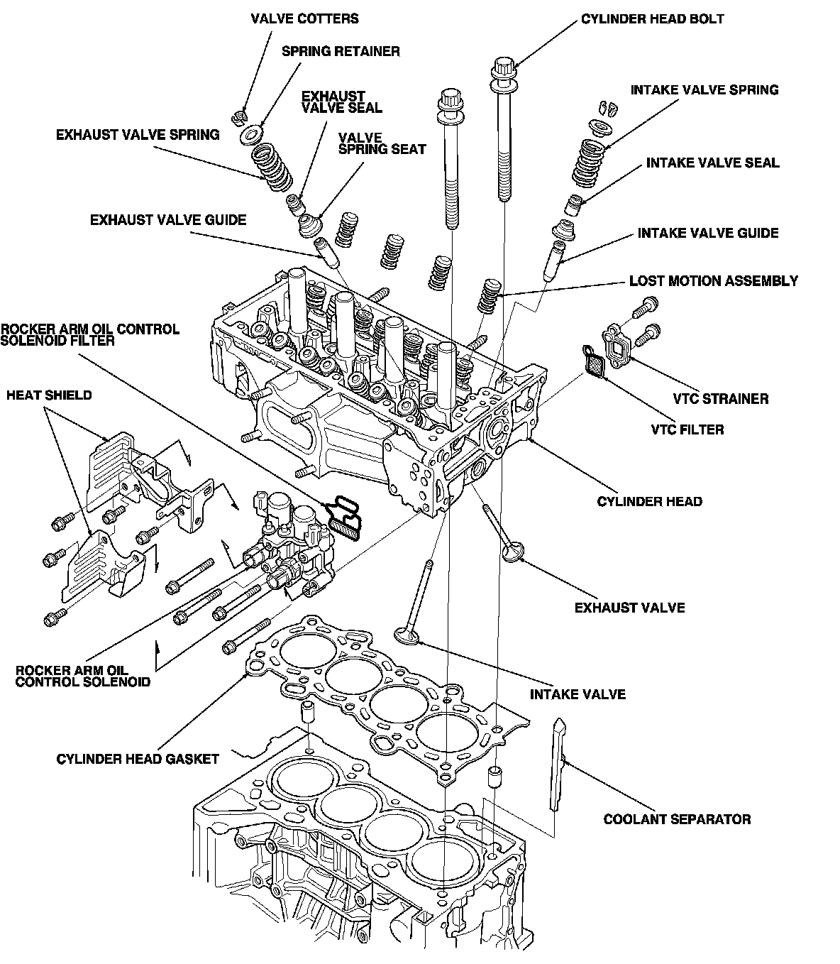
Component Location Index (PZEV Model)
Component Location Index (PZEV Model)
Component Location Index