Curiosii for ever!: Car repair manuals for everyone.

Transmission Reassembly

Transmission Reassembly

Special Tools Required
^ Holder handle 07JAB-001020A
^ Attachment, 40 x 50 mm I.D. 07LAD-PW50601
^ Mainshaft holder 07PAB-001A300
^ Companion flange holder 07RAB-TB4010B
^ Attachment, 42 x 47 mm 07746-0010300
^ Attachment, 62 x 68 mm 07746-0010500
^ Attachment, 72 x 75 mm 07746-0010600
^ Driver handle 07746-0030100
^ Driver 07749-0010000
^ Driver, 30 mm I.D. 07946-MB00000
^ Attachment, 35 mm I.D. 07965-SA50500

Transmission Housing Installation

NOTE: Prior to reassembling, clean all the parts in solvent, dry them, and apply MTF to any contact surfaces.

1. Install the oil seal (A) using the 42 x 47 mm attachment (B) and driver (C).





2. Install the release bearing guide (A) with three bolts (B), the clutch release hanger (C), the release hanger spring (D) with two bolts (E), and the breather plate (F) with a bolt (G).





3. Install the thrust washer (A) and the 64 mm spring washer (B).





4. Install the reverse idler gear (C), mainshaft, countershaft, and the shift forks assembly (D) with the snap ring pliers, and set the 68 mm snap ring (E) into the groove of the countershaft bearing.

NOTE: Check that the snap ring is securely seated in the groove of the countershaft bearing.

Dimension (1) as installed: 0 - 6.93 mm (0 - 0.273 in.)

5. Apply liquid gasket, P/N 08718-0001, evenly to the mating surface of the threads of the 34 mm sealing bolt (F) and the transmission housing. Install the component within 5 minutes of applying the liquid gasket.

NOTE:
^ If you apply liquid gasket P/N 08718-0012, the component must be installed within 4 minutes.
^ If too much time has passed after applying the liquid gasket, remove the old gasket and residue, then reapply new liquid gasket.

6. Install the 1-2 shift piece.





7. Install the select return spring (A) and the 8 x 40 pin (B) onto the clutch housing, then install the interlock (C).





8. Install shift arm A by aligning the interlock finger and the shift fork grooves.





9. Install the shift rod (A) into the interlock assembly (B) with the recessed hole (C) toward the top of the clutch housing (D), then install the 5 x 25 spring pin (E).





10. Install the outer side 1-2 shift lever (A) first, then install the inner side 1-2 shift lever (B).





11. Install the 8 x 63 pin (C), then tighten the 10 mm flange bolt (D).
12. Install the needle bearing (A), the reverse gear shaft (B), the thrust washer (C), and the reverse shaft holder (D), then install the washer and 8 mm flange bolt.





13. Install the oil guide pipe (A) and the magnet (B).





14. Install oil guide plate M and the 82 mm shim(s) (A).





15. Install the oil pump strainer (A), the suction guide (B), and the circlip (C).





16. Install the 16 x 26 x 7 mm oil seal (A) as shown.





17. Install oil guide plate S, and the 68 mm shim (A), then install the bearing outer race, (B) using the 62 x 68 mm attachment (C) and driver (D) as shown.





18. Clean any dirt or oil from the transmission housing mating surface. Apply liquid gasket, P/N 08718-0001 evenly to the mating surface of the transmission housing and the clutch housing. Install the component within 5 minutes of applying the liquid gasket.





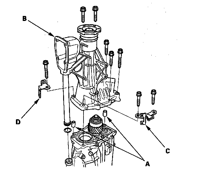
19. Install the 14 x 20 dowel pins (B), the transmission housing (C), 8 mm flange bolts, the transmission hanger (D), and transmission hanger A.





20. Tighten the 8 mm flange bolts in a crisscross pattern in several steps as shown.





21. Apply liquid gasket, P/N 08718-0001, evenly to the mating surface of the threads of the set screws (A), then install the set screws, the steel balls, and springs. Install the component within 5 minutes of applying the liquid gasket.





22. Install the new washer (B) and the back-up light switch (C).
23. Install the new washers (A), the drain plug (B), the 12 mm drain plug (C), and the vehicle speed sensor (VSS) ('00-05 models) or the output shaft (countershaft) speed sensor ('06-08 models) (D) with a new O-ring (E). Install the filler plug (F) finger-tight.





24. Apply liquid gasket, P/N 08718-0001, evenly to the mating surface of the threads of the set screws (G), then install the set screws, the steel balls, and springs. Install the component within 5 minutes of applying the liquid gasket.

NOTE:
^ If you apply liquid gasket P/N 08718-0012, the component must be installed within 4 minutes.
^ If too much time has passed after applying the liquid gasket, remove the old liquid gasket and residue, then reapply new liquid gasket.

25. Install the oil pump inner and outer rotors (A), the steel ball (B), the spring (C), and the oil pump plate (D).





26. Install the secondary drive gear (A) on the countershaft using the 30 mm I.D. driver (B) as shown.





27. Install the needle bearing (A) on the countershaft using the 35 mm I.D. attachment (B) as shown.





28. Install the spring washer (A) and the new 29 mm locknut (B) finger-tight (left-hand threads).





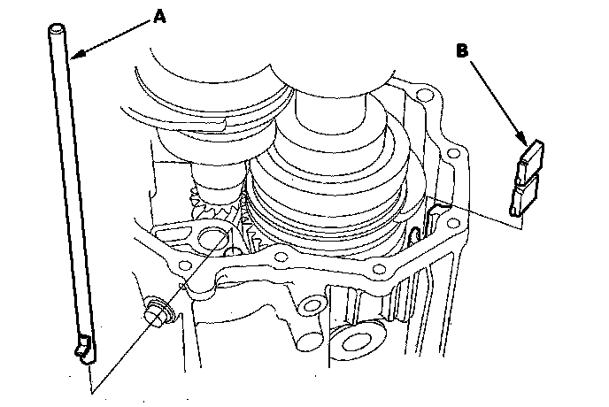
29. Install the mainshaft holder (A) on the mainshaft, then tighten the 29 mm locknut (left-hand threads) to the specified value.





30. Stake the 29 mm locknut tab into the groove.





31. Install the oil pump gear and oil pump gear shaft.





Rear Cover Installation

NOTE: Prior to reassembling, clean all the parts in solvent, dry them, and apply MTF to any contact surfaces.

1. Install the bearing outer race (A) using the 72 x 75 mm attachment (B) and driver (C) as shown.





2. Install the shim and the bearing outer race into the rear cover using the 62 x 68 mm attachment (A) and driver (B) as shown.





3. Install the secondary shaft assembly into the rear cover.





4. Install the new ball bearing (A) using the 35 mm I.D. attachment (B) and the old bearing (C).





5. Install the new oil seal (A) using the 40 x 50 mm I.D. attachment (B), 42 x 47 mm attachment (C), and driver (D).





6. Install the companion flange (A) using the driver handle (B) as shown.





7. Install the new O-ring (A), the back-up ring (B), the spring washer (C), and the new 27 mm locknut (D).





8. Install the holder handle (A) and companion flange holder (B) on the companion flange, then tighten the 27 mm locknut the to the specified value.





9. Stake the 27 mm locknut tab into the groove.





10. Install the shift rod tube and new O-rings.





11. Clean any dirt or oil from the rear cover mating surface. Apply liquid gasket, P/N 08718-0001, evenly to the mating surface of the rear cover and transmission housing. Install the component within 5 minutes of applying the liquid gasket.





12. Install the 14 x 20 dowel pins (A), rear cover assembly (B), harness bracket (C), harness clamp (D), and 8 mm flange bolts.





13. Tighten the 8 mm flange bolts in a crisscross pattern in several steps.





14. Lower the shift rod (A), then install the shift arm B, the new conical spring washer (C), and 8 mm special bolt.





15. Install the shift lever housing and the dowel pins.