Curiosii for ever!
: Car repair manuals for everyone.
Home
>>
Honda
>>
2008
>>
S2000 L4-2.2L
>>
Repair and Diagnosis
>>
Transmission and Drivetrain
>>
Manual Transmission/Transaxle
>>
Service and Repair
>>
Overhaul
>>
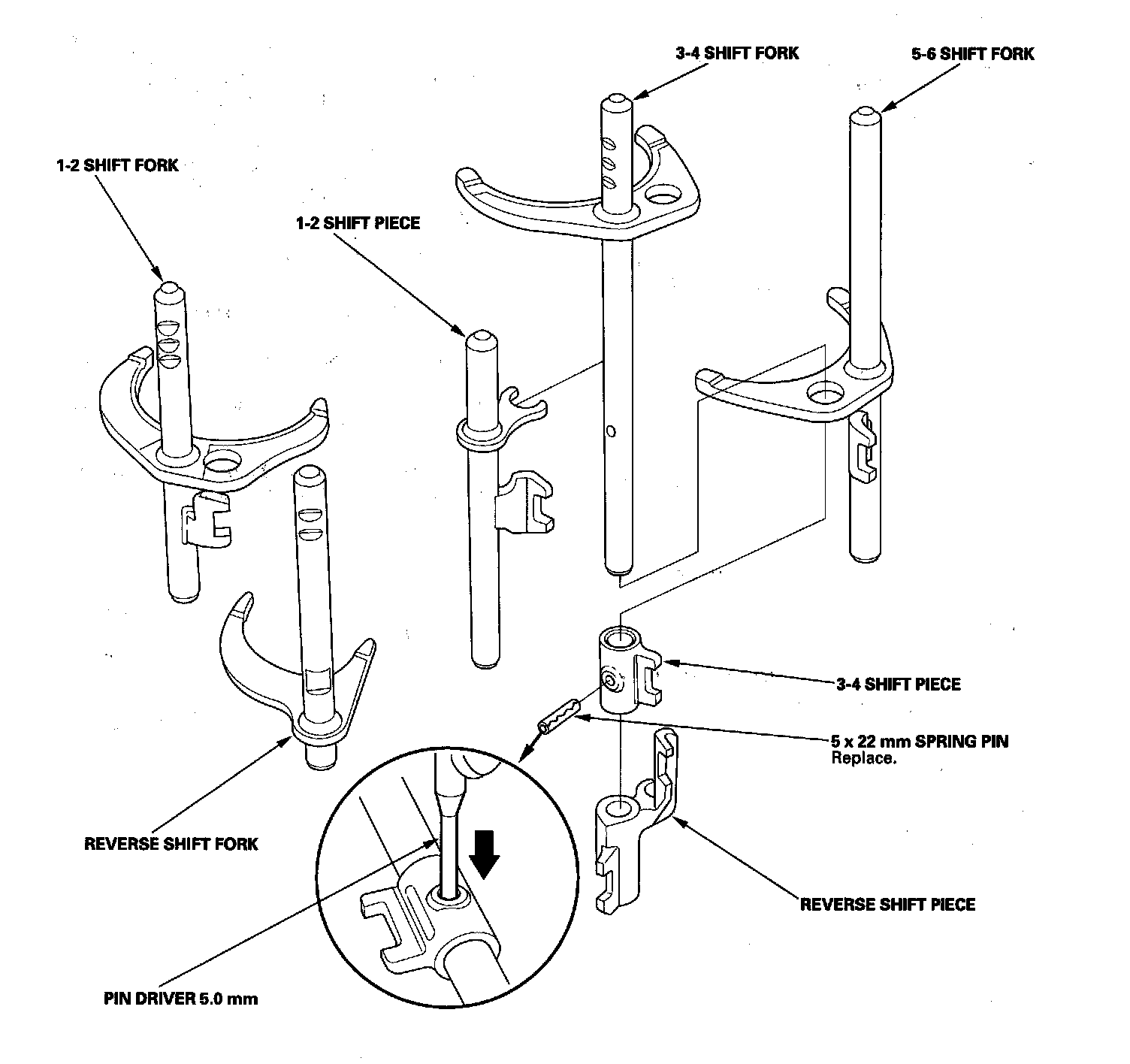
Shift Fork Disassembly/Reassembly
Shift Fork Disassembly/Reassembly
Shift Fork Disassembly/Reassembly
Prior to reassembling, clean all the parts in solvent, dry them, and apply MTF to all contact surfaces.