Curiosii for ever!: Car repair manuals for everyone.

Removal and Replacement

Starter Removal and Installation

REMOVAL
1. Make sure you have the anti-theft code for the audio system, then write down the audio presets.
2. Disconnect the negative cable from the battery.




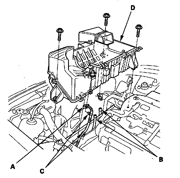
3. '00-05 models: Disconnect the air hose (A) and breather pipe (B), then remove the air cleaner housing cover (C) and air cleaner assembly (D).




4. '06-08 models: Disconnect the intake air temperature (IAT) sensor connector (A) and breather pipe (B), remove the manifold absolute pressure (MAP) sensor harness (C) from the holder, then remove the air cleaner housing cover (D) and air cleaner assembly (E).




5. '00-05 models: Disconnect the air control solenoid valve connector (A) and vacuum hoses (B), remove the harness clamps (C), then remove the intake air cleaner housing (D).




6. '06-08 models: Remove the IAT sensor harness clamps (A), then remove the intake air cleaner housing (B).
7. Remove the drive belt.




8. Disconnect the 4P connector (A) from the alternator (B), and disconnect the BLK wire from the alternator B terminal (C).




9. Remove the mounting bolts, then remove the alternator.




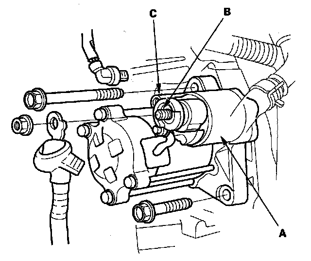
10. Disconnect the starter cable from the B terminal on the starter solenoid (A), then disconnect the BLK/WHT wire from the S terminal (C).
11. Remove the two bolts securing the starter, then remove the starter.

INSTALLATION




1. Install the starter, then connect the starter cable to the B terminal on the starter solenoid (A) and the BLK/WHT wire to S terminal (C). Make sure the crimped side of the starter cable ring terminal faces away from the starter when you connect it.




2. Install the alternator.




3. Connect the 4P connector (A) to the alternator and BLK wire to the alternator B terminal (B).
4. Install the drive belt.




5. '00-05 models: Install the intake air cleaner housing (A), then install the harness clamps (B), connect air control solenoid valve connector (C) and vacuum hoses (D).




6. '06-08 models: Install the intake air cleaner housing (A), then install the IAT sensor harness clamps (B).




7. '00-05 models: Install the air cleaner assembly (A) and air cleaner housing cover (B), then connect the air hose (C) and breather pipe (D).




8. '06-08 models: Install the air cleaner assembly (A) and air cleaner housing cover (B), then install the MAP sensor harness (C) to the holder, connect the IAT sensor connector (D) and breather pipe (E).
9. Connect the negative cable to the battery.
10. Start the engine to make sure the starter works properly.
11. '00-05 models: Do the engine control module (ECM) idle learn procedure.
12. Enter the anti-theft code for the audio system, then enter the audio presets. Set the clock.