Curiosii for ever!
: Car repair manuals for everyone.
Home
>>
Honda
>>
2008
>>
S2000 L4-2.2L
>>
Repair and Diagnosis
>>
Maintenance
>>
Tune-up and Engine Performance Checks
>>
Air Cleaner Housing
>>
Service and Repair
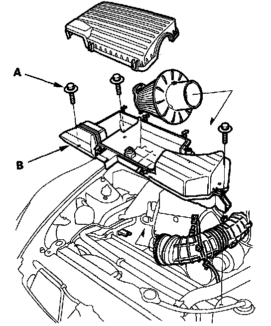
Air Cleaner Housing: Service and Repair
Air Cleaner Removal/Installation
1.
Remove the air cleaner element.
2.
Remove the bolts (A).
3.
Remove the air cleaner (B).
4.
Install the parts in the reverse order of removal.