Curiosii for ever!
: Car repair manuals for everyone.
Home
>>
Honda
>>
2008
>>
S2000 L4-2.2L
>>
Repair and Diagnosis
>>
Diagrams
>>
Electrical Diagrams
>>
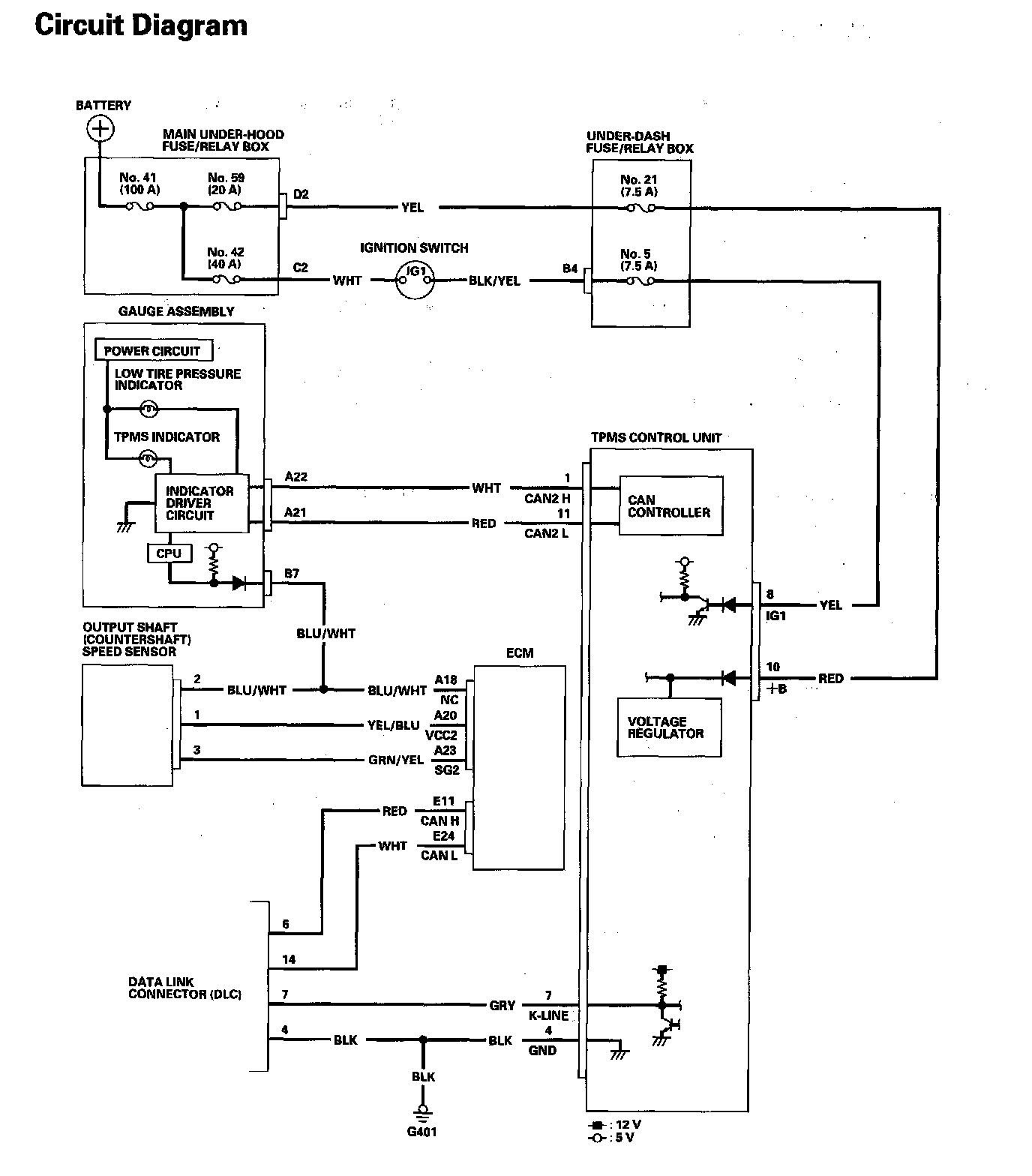
Tire Monitoring System
Tire Monitoring System
Circuit Diagram
Tire Pressure Monitoring System Circuit Diagram (Part 1):
Tire Pressure Monitoring System Circuit Diagram (Part 2):