Curiosii for ever!
: Car repair manuals for everyone.
Home
>>
Honda
>>
2008
>>
S2000 L4-2.2L
>>
Repair and Diagnosis
>>
Diagrams
>>
Electrical Diagrams
>>
Cruise Control
>>
Cruise Control Circuit Diagram
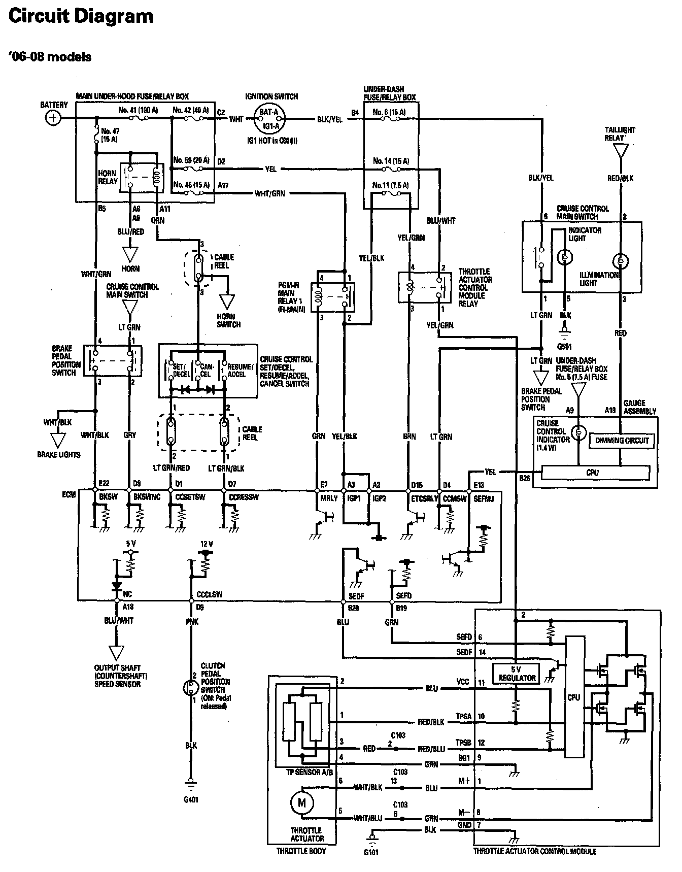
Cruise Control Circuit Diagram
Cruise Control Circuit Diagram: