Curiosii for ever!: Car repair manuals for everyone.

Fluid Filter - A/T: Service and Repair

ATF Filter Replacement

1. Make sure you have the anti-theft code for the audio system.
2. Remove the air cleaner assembly.
3. Disconnect the negative cable from the battery, then disconnect the positive cable.
4. Remove the battery hold-down bracket, and remove the battery and battery tray.
5. Remove the harness clamps from the battery base, then remove the battery base.
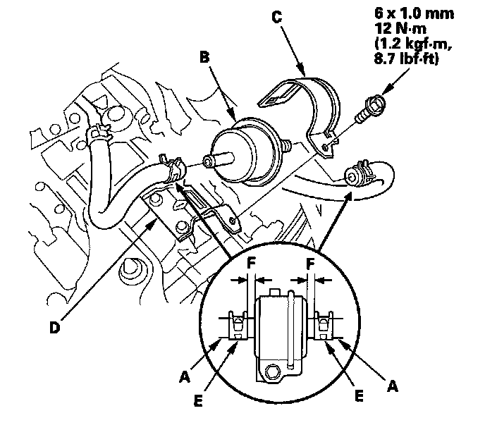
6. Disconnect the ATF cooler hoses (A) from the ATF filter (B).





7. Remove the ATF filter holder (C).
8. Remove the ATF filter, and replace it.
9. Install the new ATF filter on the filter mounting bracket (D), and secure it with its holder and bolt.
10. Slide the ATF cooler hose on the ATF filter until the hose end contacts the filter housing, and secure the hose with the clip (E) at 6-8 mm (0.24-0.31 in.) (F) from the filter housing. Install the cooler hose on the other side of the ATF filter in the same manner.
11. Install the battery base, then install the harness clamps on the battery base.
12. Install the battery tray and the battery, then secure the battery with its hold-down bracket.
13. Connect the battery terminals, and apply grease around the battery terminals.
14. install the air cleaner assembly.
15. Enter the anti-theft code for the audio system. Set the clock.