Curiosii for ever!
: Car repair manuals for everyone.
Home
>>
Honda
>>
2008
>>
Fit L4-1.5L
>>
Repair and Diagnosis
>>
Powertrain Management
>>
Transmission Control Systems
>>
Diagrams
>>
Electrical Diagrams
>>
A/T Gear Position Indicator Circuit Diagram
A/T Gear Position Indicator Circuit Diagram
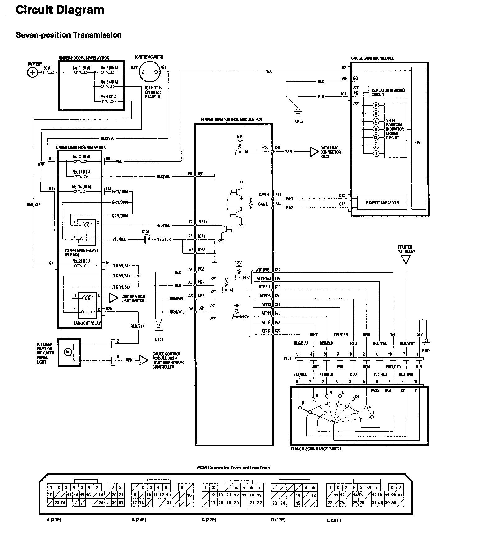
A/T Gear Position Indicator Circuit Diagram - Seven-position Transmission:
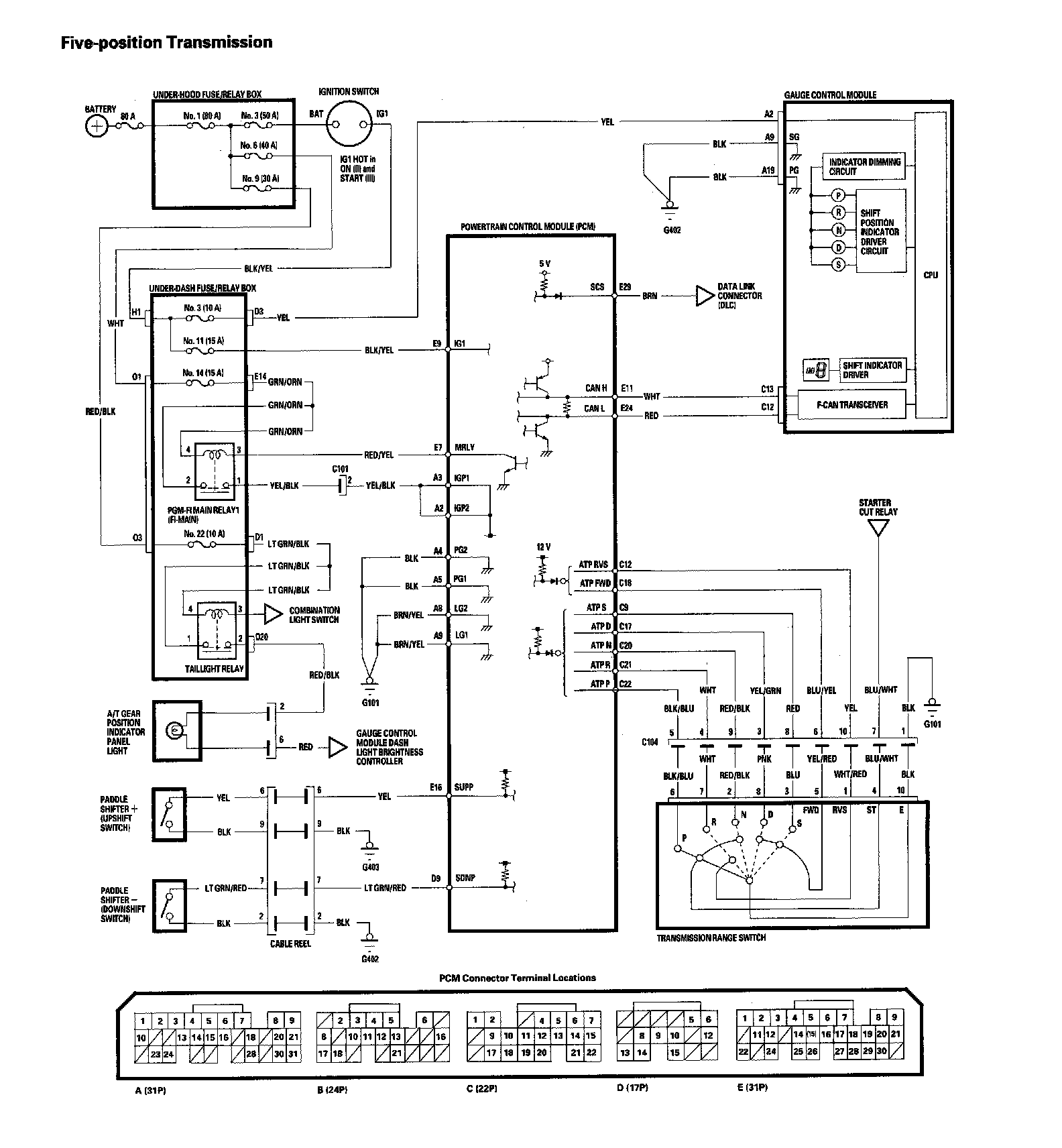
A/T Gear Position Indicator Circuit Diagram - Five-position Transmission: