Curiosii for ever!: Car repair manuals for everyone.

Engine Installation

Engine Installation

Special Tools Required
^ Universal eyelet 07AAK-SNAA120
^ Engine support hanger, A and Reds AAR-T-12566 *
^ Fit engine hanger adapter, VSB02C000026 *
* These special tools are available through the Honda Tool and Equipment Program, 1-888-424-6857.

1. Raise the vehicle on the lift.
2. Position the engine/transmission under the vehicle. Be sure that they are properly aligned. Carefully lower the vehicle until the engine and transmission are properly positioned in the engine compartment. Make sure the vehicle is not resting on any part of the engine or transmission. Lift and support the engine with a chain hoist and carefully raise the engine/transmission into place.

NOTE: Reinstall the mounting bolts/support nuts in the sequence given in the following steps. Failure to follow this sequence may cause excessive noise and vibration, and reduce engine mount life.





3. Install the first universal eyelet (A) to the air cleaner housing bracket (B), then install the second universal eyelet (C) to the chain case cover (D).
4. Install the side engine mount/bracket assembly (A), then tighten the mounting bolts and support nuts in the numbered sequence shown.





5. Install the ground cable (B).
6. Install the transmission mount bracket (A), then tighten the support bolt/nuts and mounting bolt in the numbered sequence shown.








7. Install the ground cable (B).
8. Install the headlight harness cover.
9. Install the Fit engine hanger adapter (VSB02C000026) to the A and Reds engine support hanger (AAR-T-12566).





10. Install the front leg assemblies (A), hook (B), and wing nut (C) onto the engine support hanger. Carefully position the engine support hanger on the vehicle, and attach the hook to the slotted hole in the universal eyelet. Tighten the wing nut by hand to lift and support the engine/transmission.
11. Remove the chain hoist, then raise the vehicle on the lift to full height.
12. Using the jack, raise the front subframe up to body.





13. Install the front subframe.

NOTE: When installing, align both installation reference holes in the subframe with both reference holes in the body using a screwdriver or tapered punch as a guide.





14. M/T model: Install the left front transmission mount/bracket assembly.





15. Install the rear mount mounting bolts.





16. Install the steering gearbox bracket, then tighten the steering gearbox mounting bolts.





17. Install the steering gearbox stiffener, then tighten the steering gearbox mounting bolts and stiffener bolts.





18. Lower the vehicle on the lift.
19. Remove the engine support hanger and universal eyelets.
20. Install the heater hoses.





21. Install the upper radiator hose (A) and the lower radiator hose (B).





22. A/T model: Install the automatic transmission fluid (ATF) cooler hoses.





23. Install the radiator fan shroud.
24. With A/C: Install the A/C condenser fan shroud.
25. Raise the vehicle on the lift to full height.
26. A/T model: Install the control lever (A) to the selector control shaft (B), then install the shift cable holder (C).





27. Install the shift cable cover (D).
28. With A/C: Install the A/C compressor (A), then connect the A/C compressor clutch connector (B).





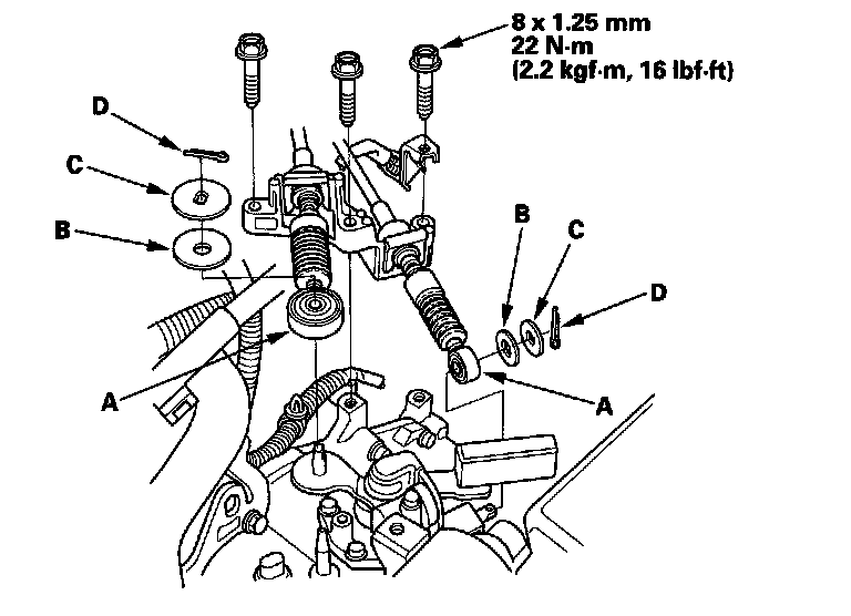
29. A/T model: Install a new set ring on the intermediate shaft, then install the intermediate shaft.
30. Install a new set ring on the end of each driveshaft, then install the driveshafts. Make sure each ring "clicks" into place in the differential.
31. Connect the suspension lower arm ball joints.
32. Connect the stabilizer links to the stabilizer bar.
33. Install the three way catalytic converter (TWC) (A); use new gaskets (B), new self-locking nuts (C) and new bolts (D).

NOTE: Tighten the bolts in steps, alternating side-to-side.





34. Install the splash shield.





35. Lower the vehicle on the lift.
36. Install the front wheels.
37. Connect the secondary heated oxygen sensor (HO2S) connector (A).





38. M/T model: Install the shift cables (A) using the plastic washers (B), washers (C), and new cotter pins (D).





39. M/T model: Install the clutch slave cylinder (A) and clutch line bracket mounting bolt (B).





40. Align the reference mark (C) on the breather tube (D) with the clamp (E) and install the tube in the clamp.
41. Connect the fuel feed hose (A), then install the quick-connect fitting cover (B).





42. Install the evaporative emission (EVAP) canister purge valve connector (A), throttle body connector (B), water bypass hoses (C) and purge hose (D).





43. Install the brake booster vacuum hose (A), harness holder (B) and manifold absolute pressure (MAP) sensor connector (C).





44. Install the engine cover.





45. Install the starter cable (A) and engine compartment wire harness connector (B).





46. Install the battery cable (C) to the under-hood fuse/relay box, then install the cable clamp (D).
47. Push the engine control module (ECM)/powertrain control module (PCM) connectors through the bulkhead, then install the grommet (A).





48. Install the harness clamps (B).
49. Tighten the blower unit mounting nuts (A).





50. Connect the engine control module (ECM)/powertrain control module (PCM) connectors (A), dashboard wire harness connector (B), and throttle actuator control module connector (C).





51. Install the passenger's dashboard undercover.
52. Install the battery base (A), then install the harness clamps (B).





53. Install the air cleaner assembly.
54. Install the battery. Clean the battery posts and cable terminals, then assemble them, and apply grease to prevent corrosion.
55. With A/C: Install the drive belt and adjust it.
56. Refill the engine with engine oil.
57. Refill the transmission with fluid:

^ Manual transmission
^ Automatic transmission

58. M/T model: Check that the transmission shifts into gear smoothly.
59. A/T model: Move the shift lever to each gear, and verify that the A/T gear position indicator follows the transmission range switch.
60. Inspect for fuel leaks. Turn the ignition switch ON (II) (do not operate the starter) so the fuel pump runs for about 2 seconds and pressurizes the fuel line. Repeat this operation three times, then check for fuel leakage at any point in the fuel line.
61. Refill the radiator with engine coolant, and bleed air from the cooling system with the heater valve open.
62. Do the crankshaft position (CKP) pattern clear/CKP pattern learn procedure.
63. Inspect the idle speed.
64. Inspect the ignition timing.
65. Check the wheel alignment.
66. Enter the anti-theft code for the audio system.
67. Set the clock.