Curiosii for ever!
: Car repair manuals for everyone.
Home
>>
Honda
>>
2008
>>
Fit L4-1.5L
>>
Repair and Diagnosis
>>
Diagrams
>>
Electrical Diagrams
>>
Powertrain Management
>>
Ignition System
>>
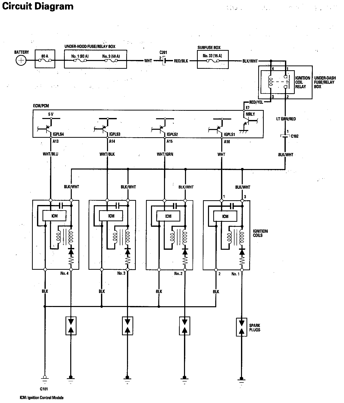
Ignition System Circuit Diagram
Ignition System Circuit Diagram
Ignition System Circuit Diagram: