Curiosii for ever!: Car repair manuals for everyone.

Heating/Air Conditioning

Heater Unit/Core Replacement

SRS components are located in this area. Review the SRS component locations and the precautions and procedures before doing repairs or service.

1. Make sure you have the anti-theft codes for the audio system or the navigation system, then write down the audio presets.
2. Make sure the ignition is in LOCK (0), then disconnect the negative cable from the battery.
3. Disconnect the A/C line from the evaporator core.
4. Remove the air cleaner housing assembly.
5. When the engine is cool, drain the engine coolant from the radiator.
6. From under the hood, slide the hose clamps (A) back. Disconnect the inlet heater hose (B) and the outlet heater hose (C) from the heater unit. Note the orientation of the hose.
Engine coolant will run out when the hoses are disconnected; drain it into a clean drip pan. Be sure not to let coolant spill on the electrical parts or the painted surfaces. If any coolant spills, rinse it off immediately.






7. Remove the mounting nut from the heater unit. Take care not to damage or bend the fuel lines or brake lines, etc..






8. Remove the dashboard.
9. Disconnect the connector (A) from the blower motor. Remove the wire harness clip (B).






10. Disconnect the connector (A) from the recirculation control motor.






11. Disconnect the connectors (A) from the mode control motor, the evaporator temperature sensor, and the power transistor. Remove the wire harness clip (B).






12. Disconnect the connectors (A) from the air mix control motor and A/C wire harness. Remove the connector clip (B), the wire harness clips (C), and the wire harness (D).






13. Remove the mounting bolt, mounting nuts, and blower-heater unit (A).






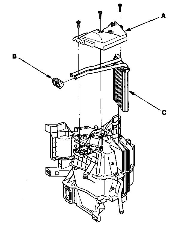
14. Remove the self-tapping screws, the heater core cover (A), the grommet (B), and carefully pull out the heater core (C).






15. Install the heater core and the evaporator core in the reverse order of removal.
16. Install the heater unit in the reverse order of removal, and note these items:
- Do not interchange the inlet and outlet heater hoses, and install the hose clamps securely.
- Refill the cooling system with engine coolant.
- Make sure that there is no coolant leakage.
- Make sure that there is no air leakage.
- Refer to evaporator core replacement.
- Enter the anti-theft codes for the audio system or the navigation system, then enter the audio presets.
- Set the clock.