Curiosii for ever!: Car repair manuals for everyone.

PCM/ECM Circuit Diagrams

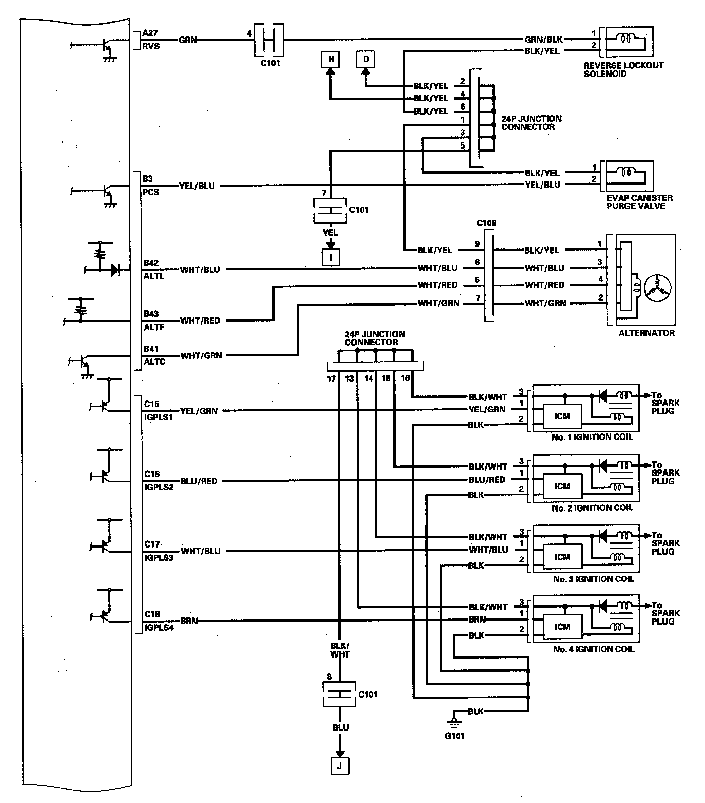
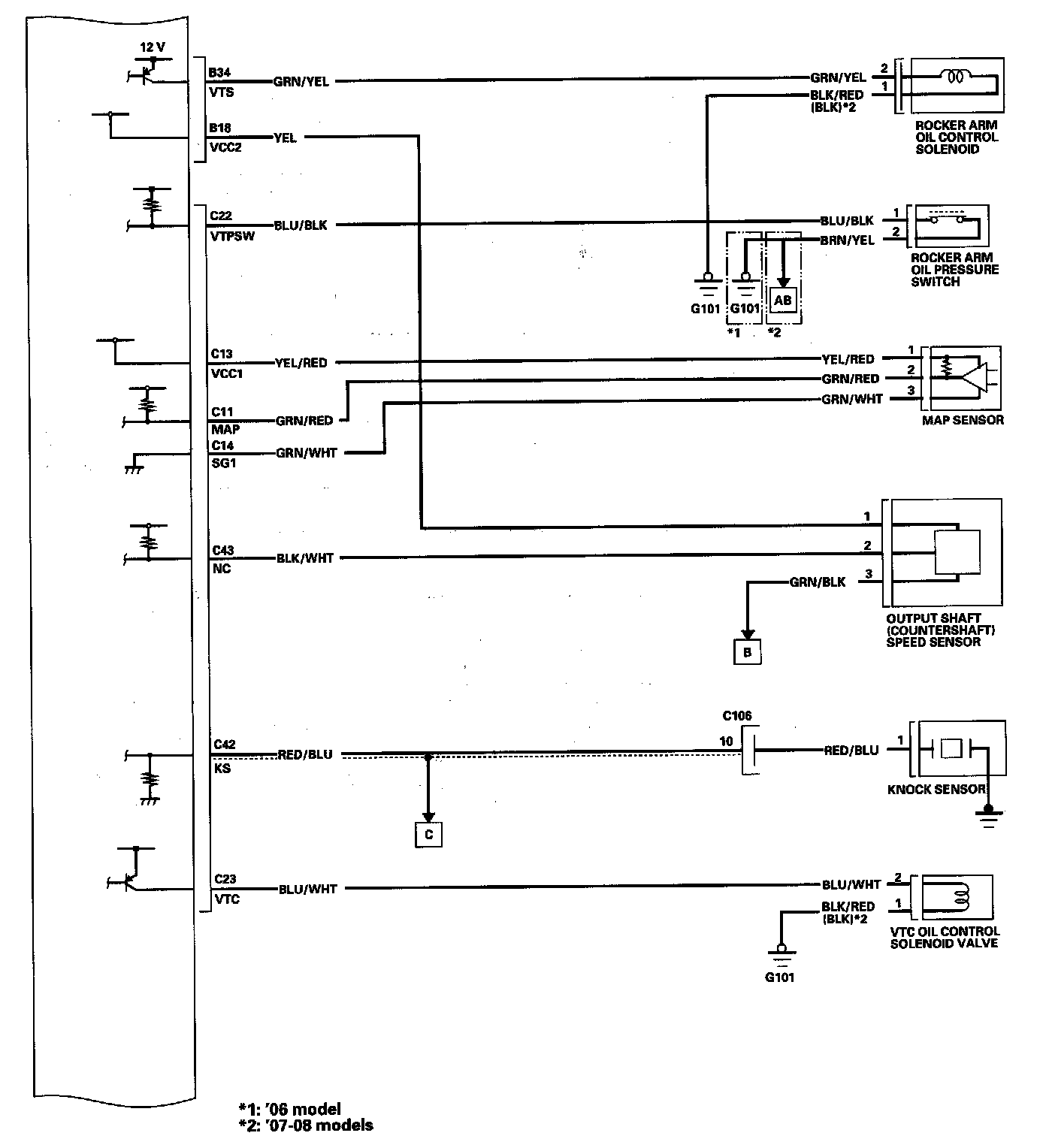
ECM Circuit Diagram (Part 1):



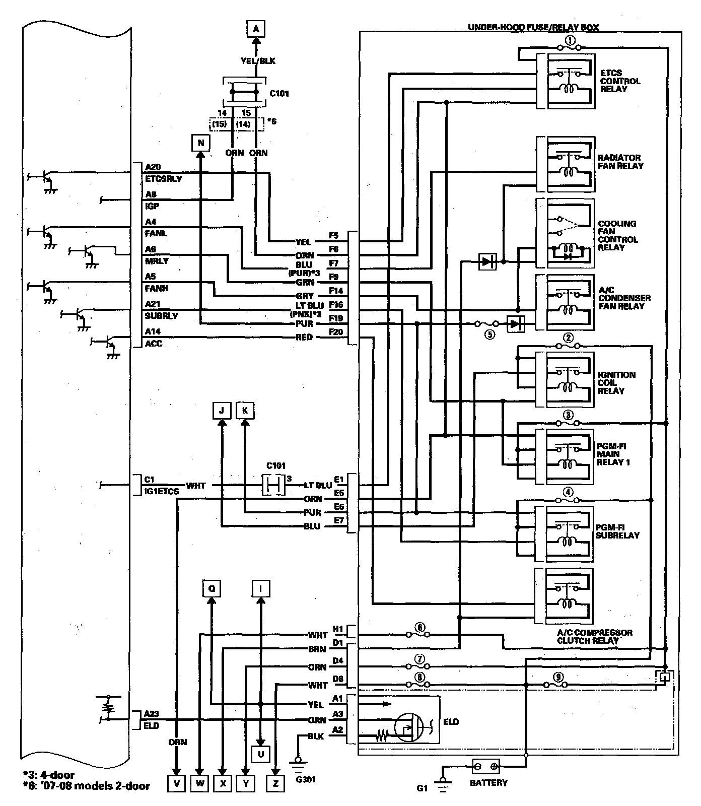
ECM Circuit Diagram (Part 2):



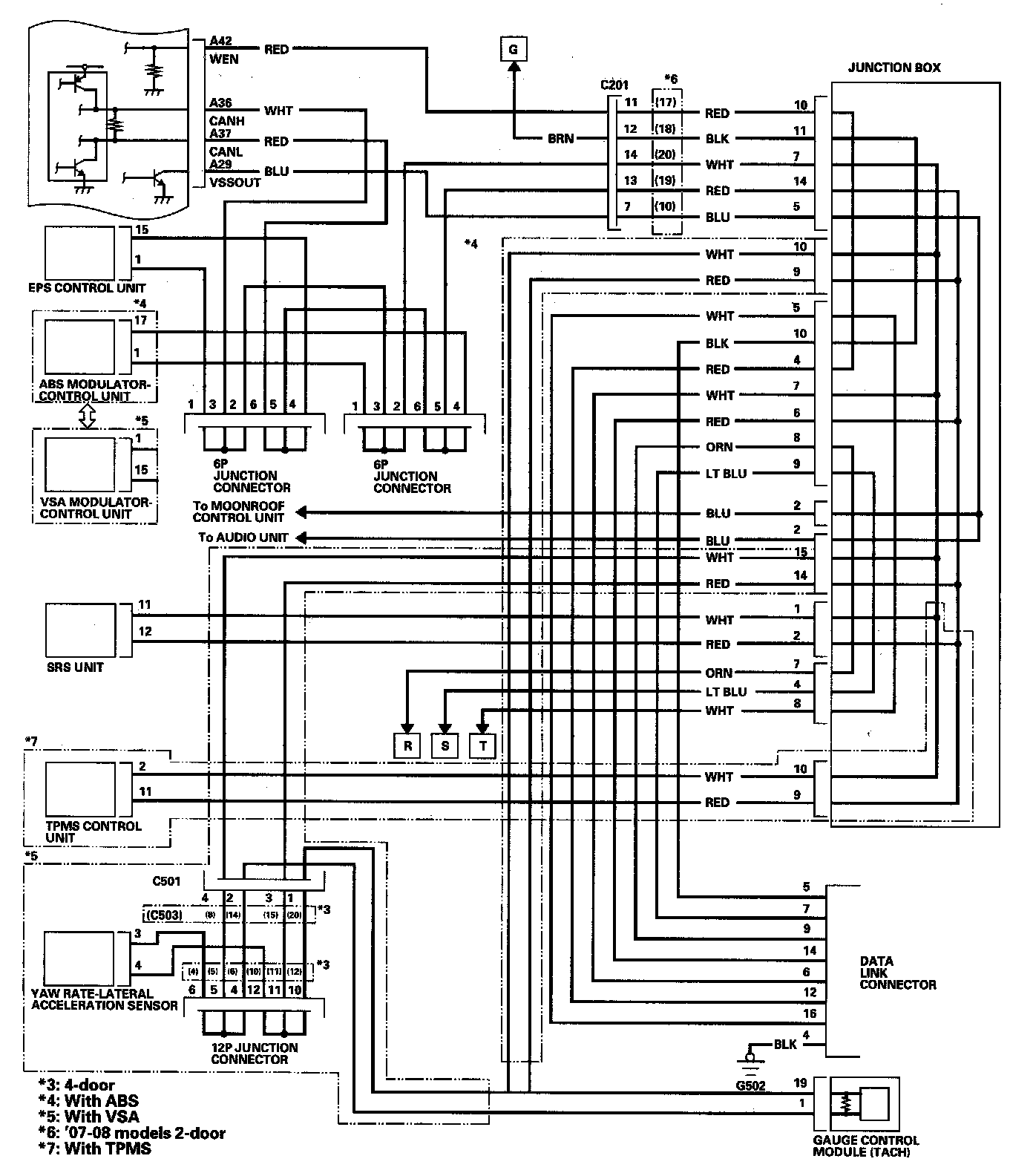
ECM Circuit Diagram (Part 3):



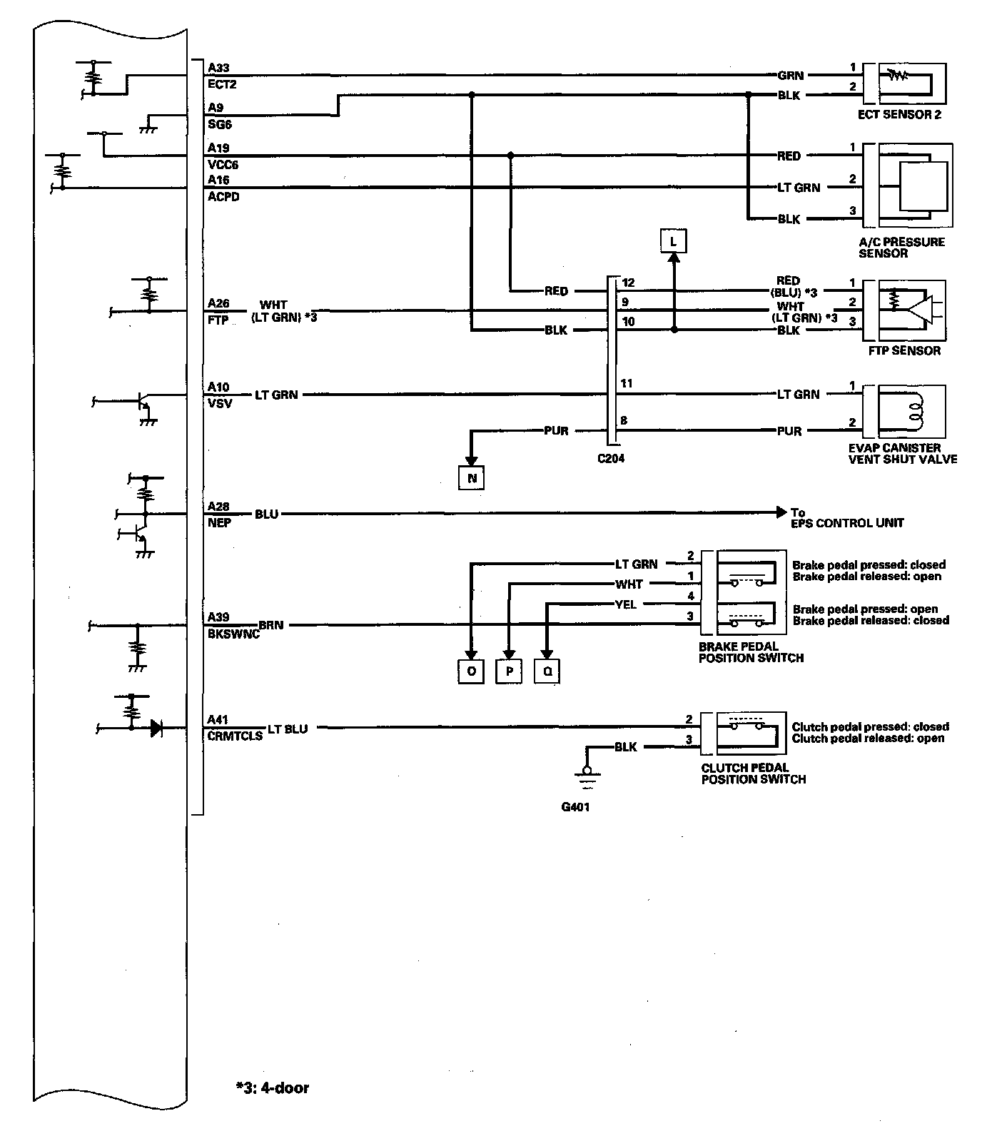
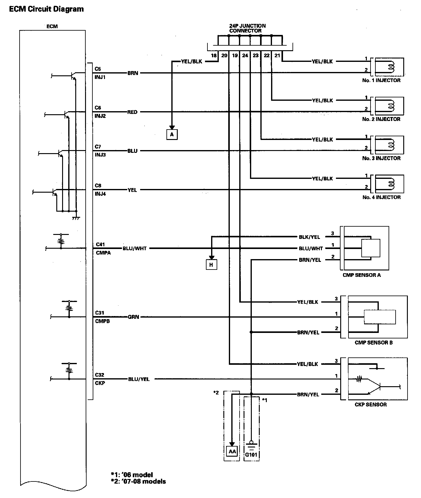
ECM Circuit Diagram (Part 4):



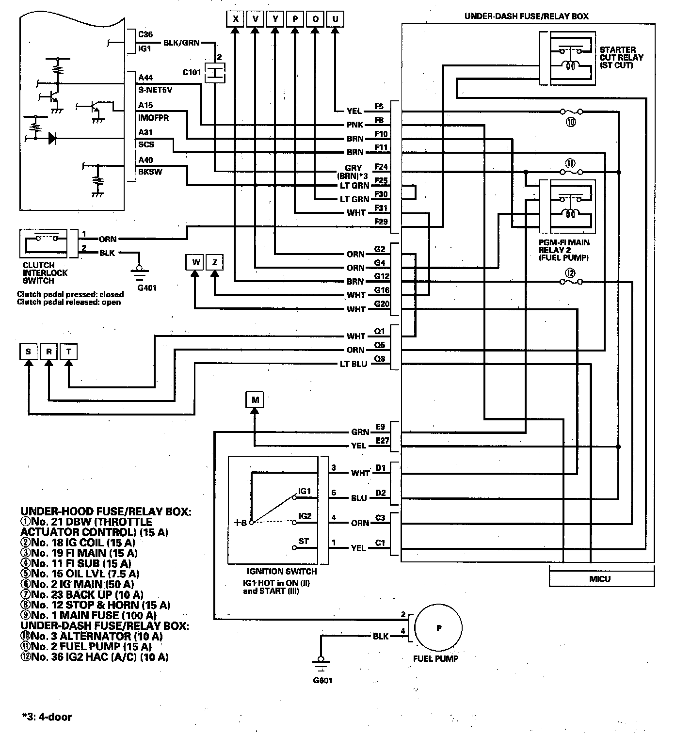
ECM Circuit Diagram (Part 5):



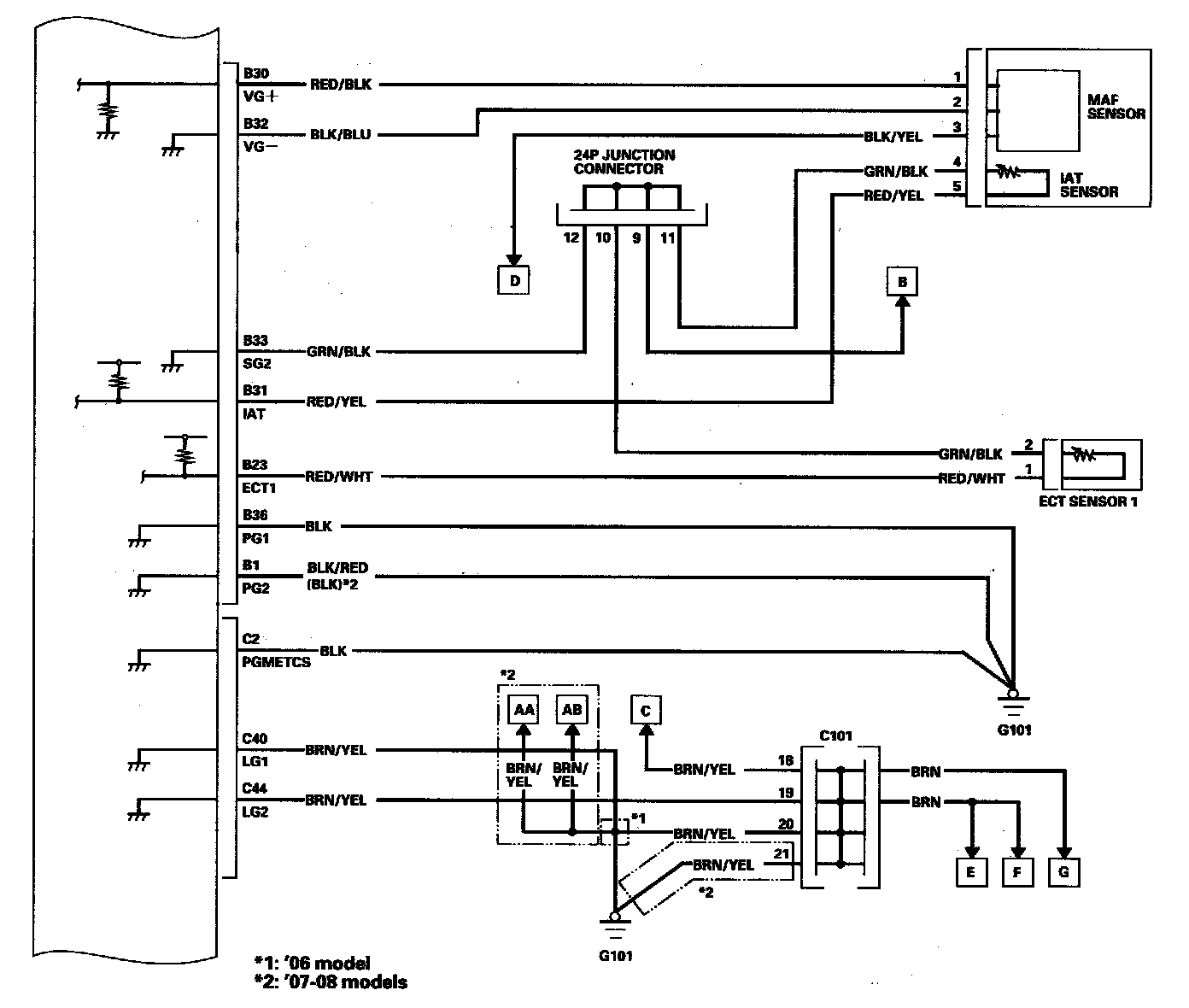
ECM Circuit Diagram (Part 6):



ECM Circuit Diagram (Part 7):



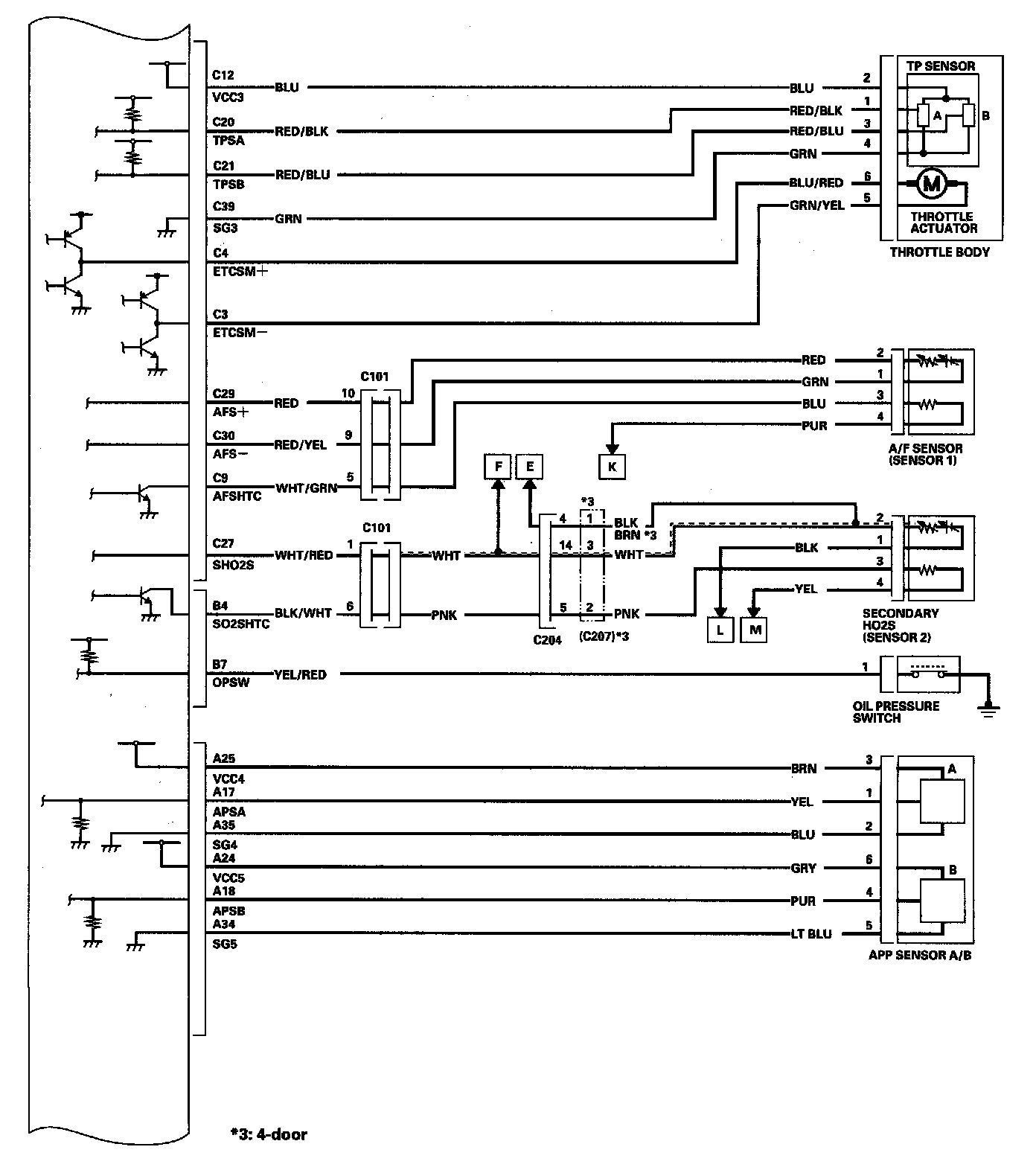
ECM Circuit Diagram (Part 8):



ECM Circuit Diagram (Part 9):