Curiosii for ever!
: Car repair manuals for everyone.
Home
>>
Honda
>>
2008
>>
Civic Si L4-2.0L
>>
Repair and Diagnosis
>>
Diagrams
>>
Electrical Diagrams
>>
Powertrain Management
>>
System Diagram
>>
Control Module Circuit Diagrams
>>
ECM/PCM Electrical Connections
ECM/PCM Electrical Connections
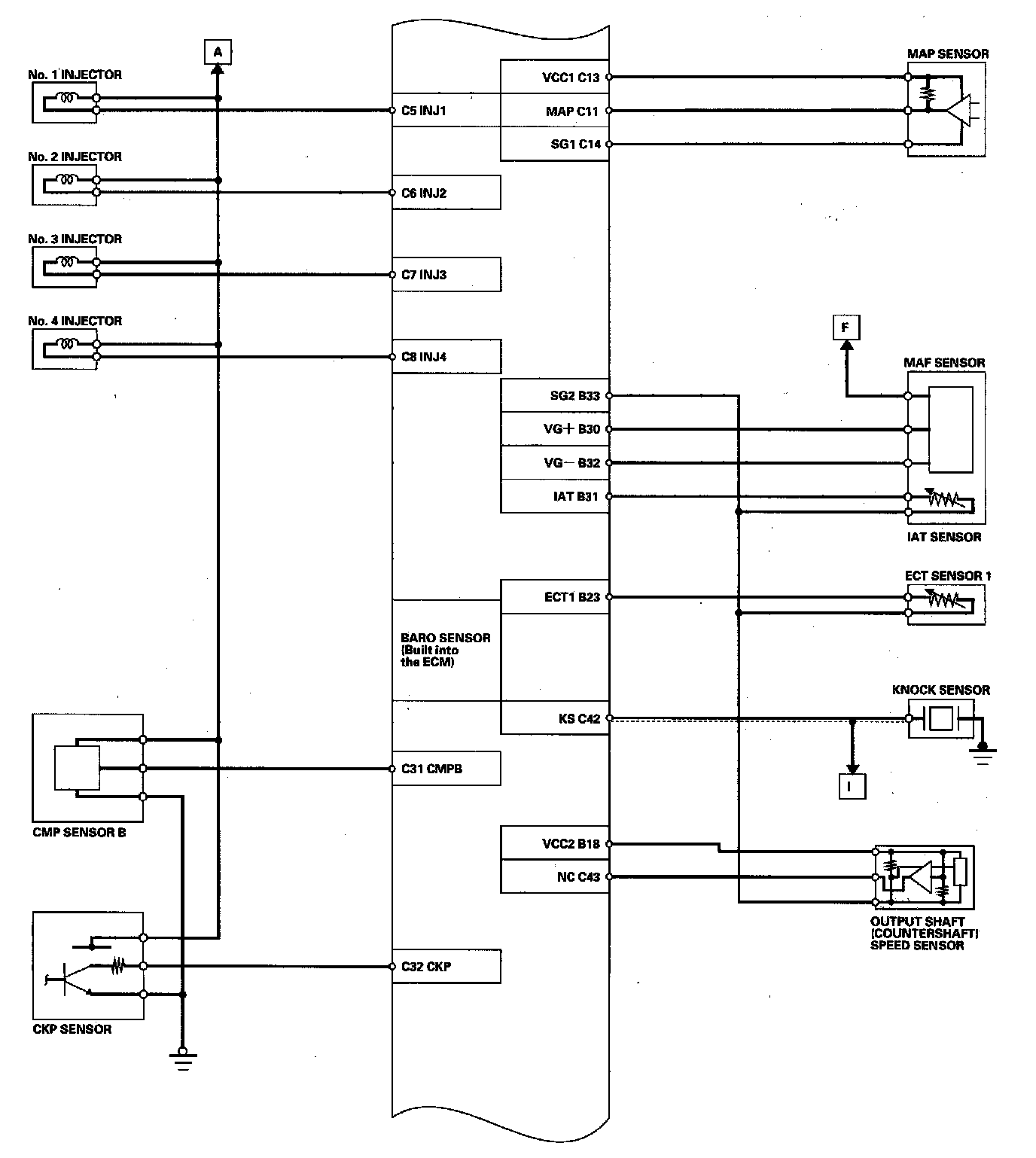
ECM Electrical Connections (Part 1):
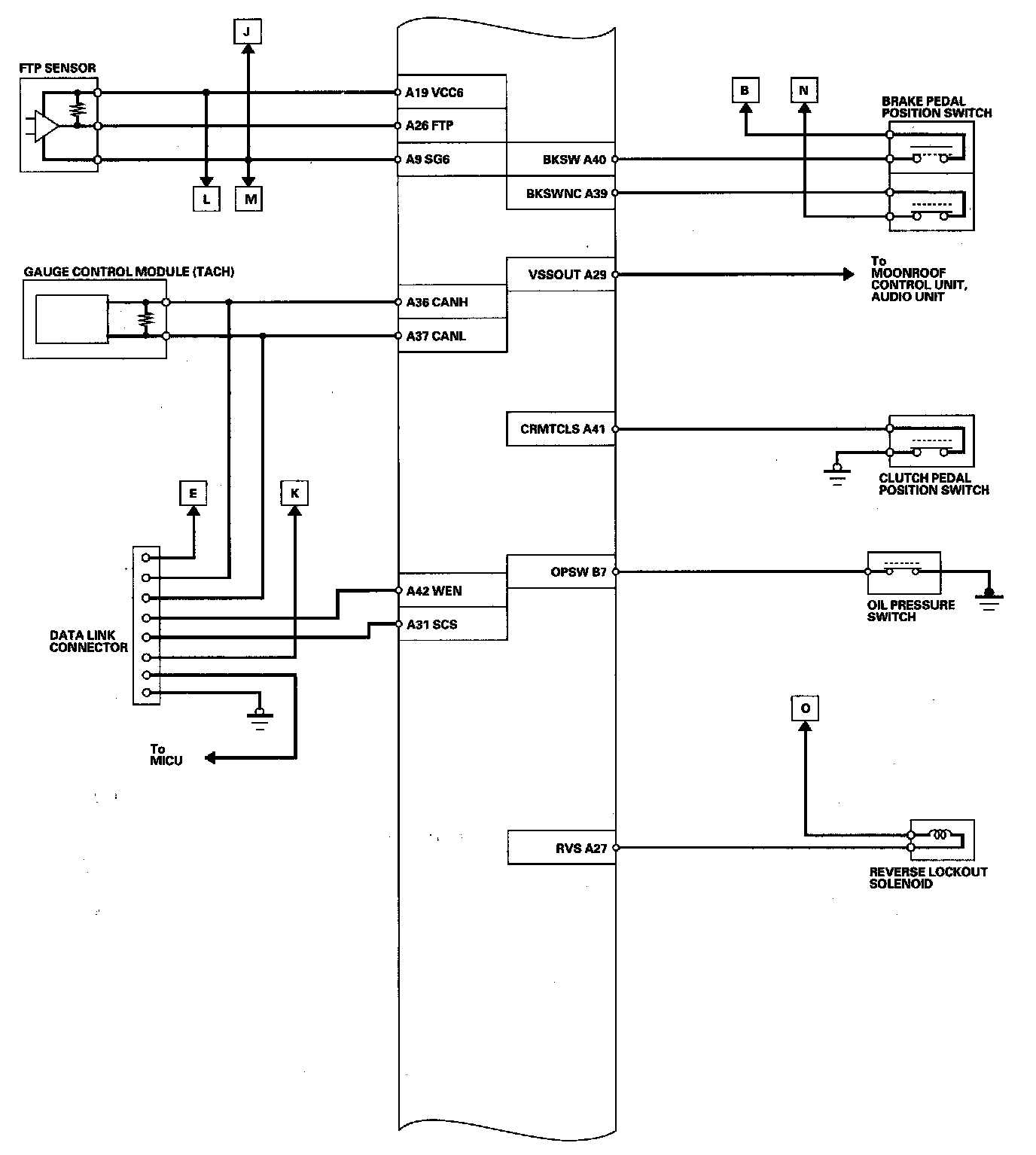
ECM Electrical Connections (Part 2):
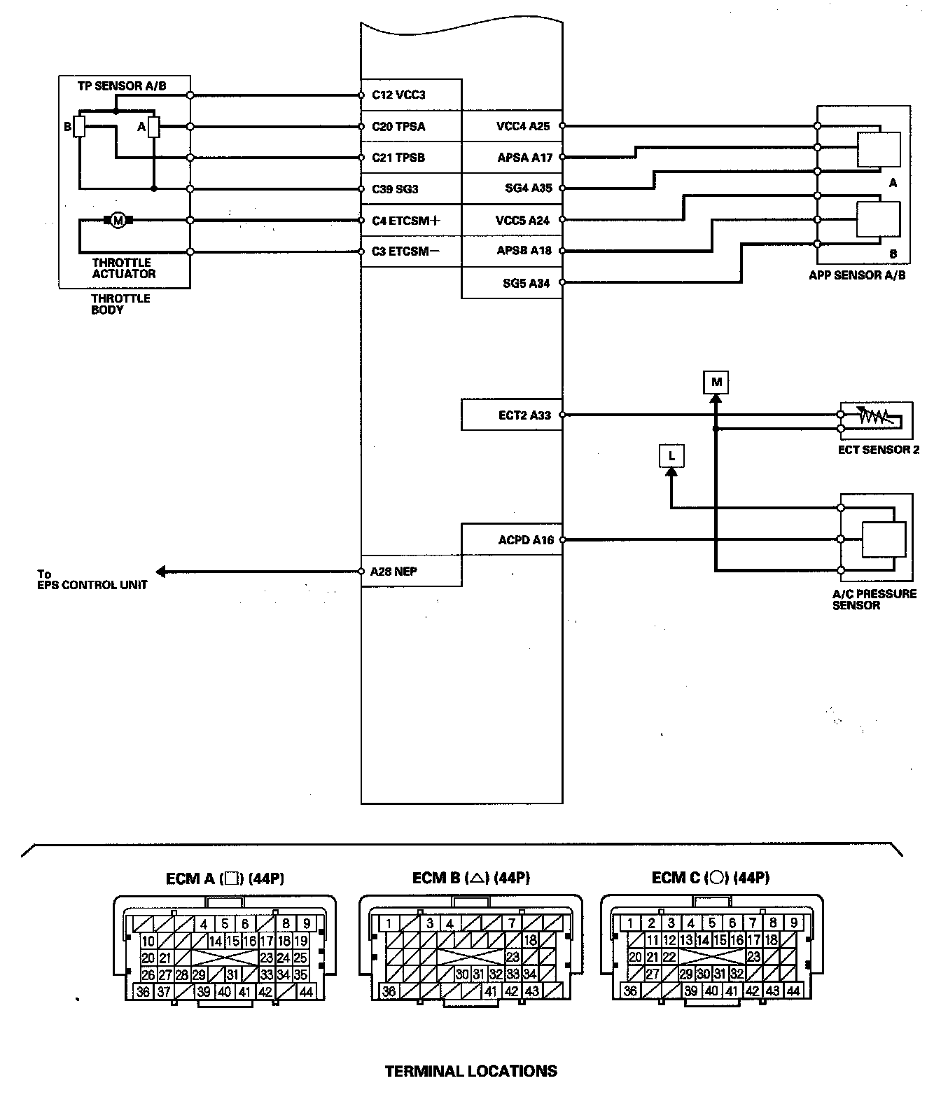
ECM Electrical Connections (Part 3):
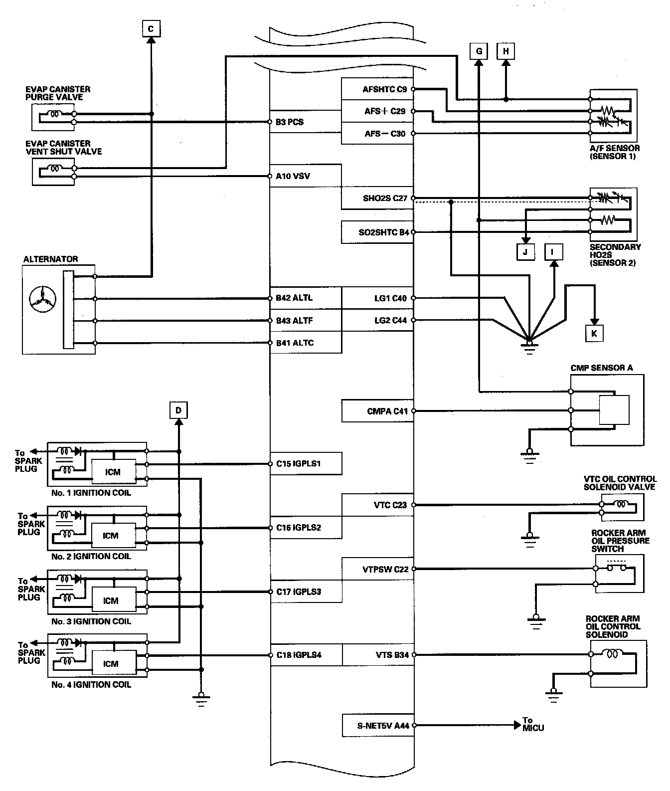
ECM Electrical Connections (Part 4):
ECM Electrical Connections (Part 5):