Curiosii for ever!: Car repair manuals for everyone.

PCM/ECM Circuit Diagrams

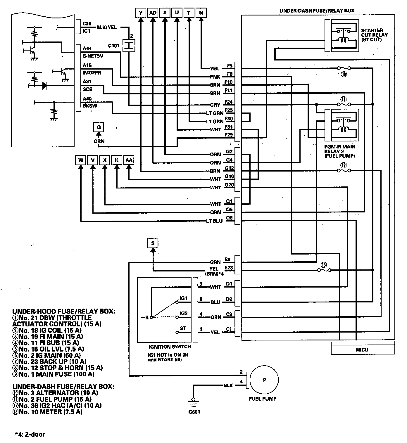
ECM/PCM Circuit Diagram (Part 1):



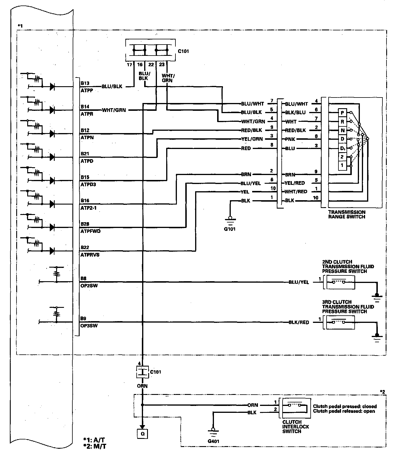
ECM/PCM Circuit Diagram (Part 2):



ECM/PCM Circuit Diagram (Part 3):



ECM/PCM Circuit Diagram (Part 4):



ECM/PCM Circuit Diagram (Part 5):



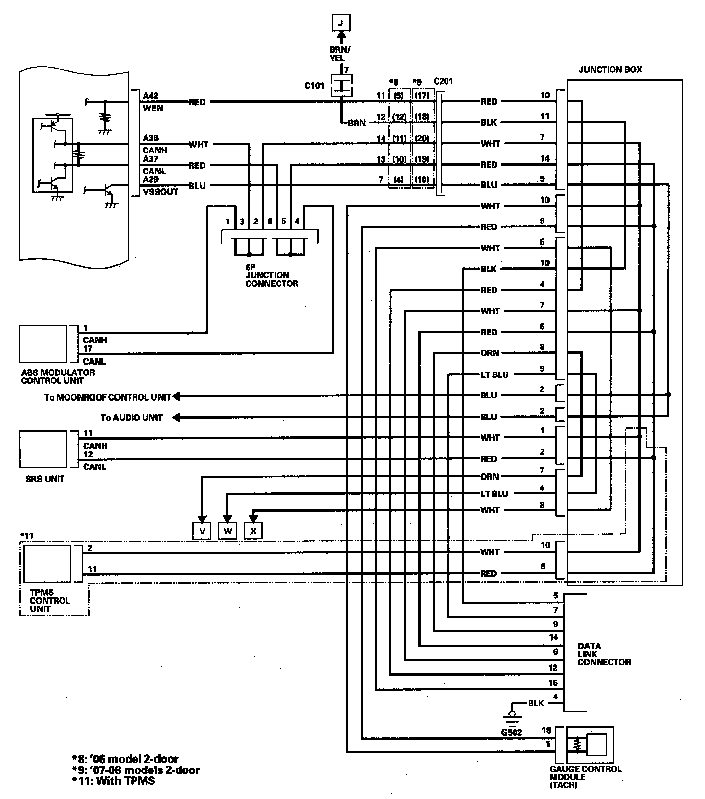
ECM/PCM Circuit Diagram (Part 6):



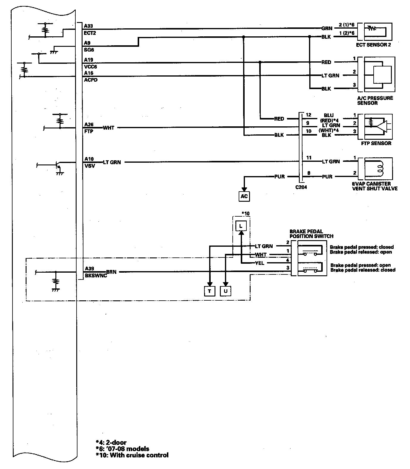
ECM/PCM Circuit Diagram (Part 7):



ECM/PCM Circuit Diagram (Part 8):



ECM/PCM Circuit Diagram (Part 9):



ECM/PCM Circuit Diagram (Part 10):



ECM/PCM Circuit Diagram (Part 11):