Curiosii for ever!: Car repair manuals for everyone.

Removal and Replacement

Alternator Removal and Installation

Removal

1. Make sure you have the anti-theft code for the audio system or the navigation system (if equipped), then write down the audio presets.
2. Disconnect the negative cable from the battery.
3. Remove the drive belt.
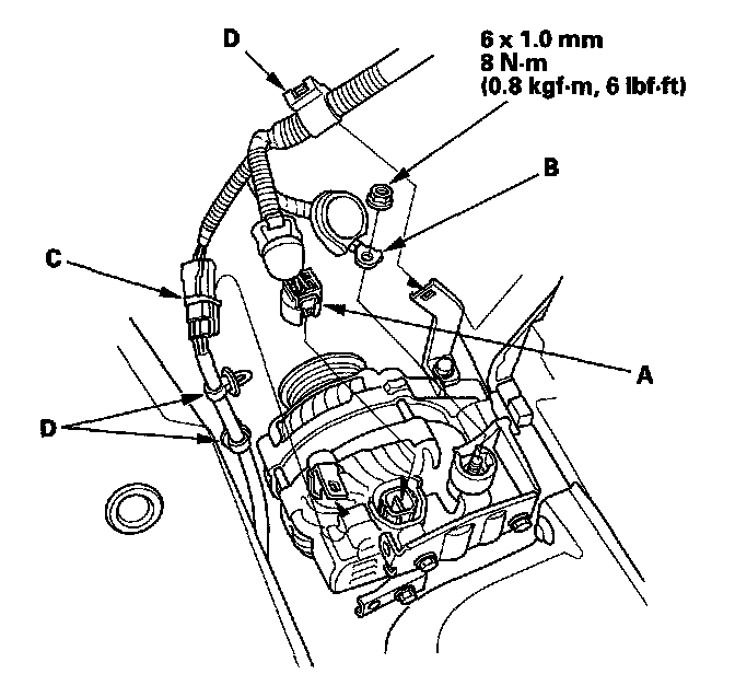
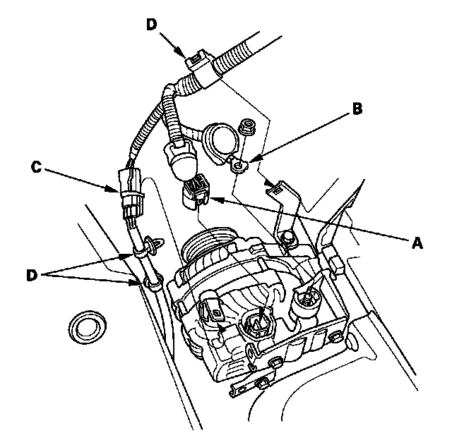
4. Disconnect the alternator connector (A) and BLK wire (B) from the alternator.






5. Remove the harness connector (C) and harness clamps (D) from the alternator.
6. Remove the alternator.






Installation

1. Install the alternator.






2. Connect the alternator connector (A) and BLK wire (B) to the alternator.






3. Install the harness connector (C) and harness clamp (D) to the alternator.
4. Install the drive belt.
5. Connect the negative cable to the battery.
6. Enter the anti-theft code for the audio system or the navigation system (if equipped), then enter the audio presets.
7. Set the clock (on vehicles without navigation).