Curiosii for ever!: Car repair manuals for everyone.

PCM/ECM Circuit Diagrams

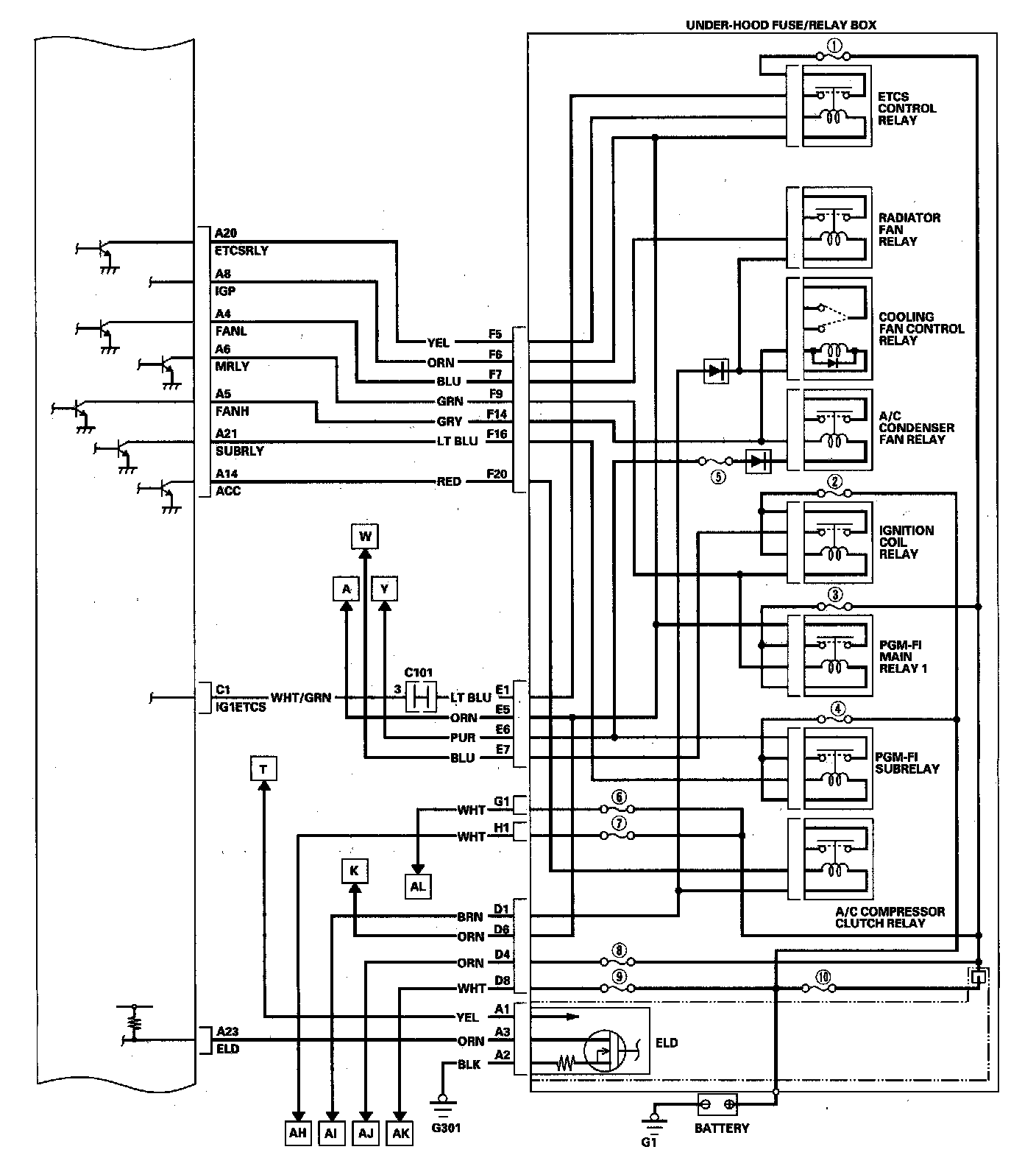
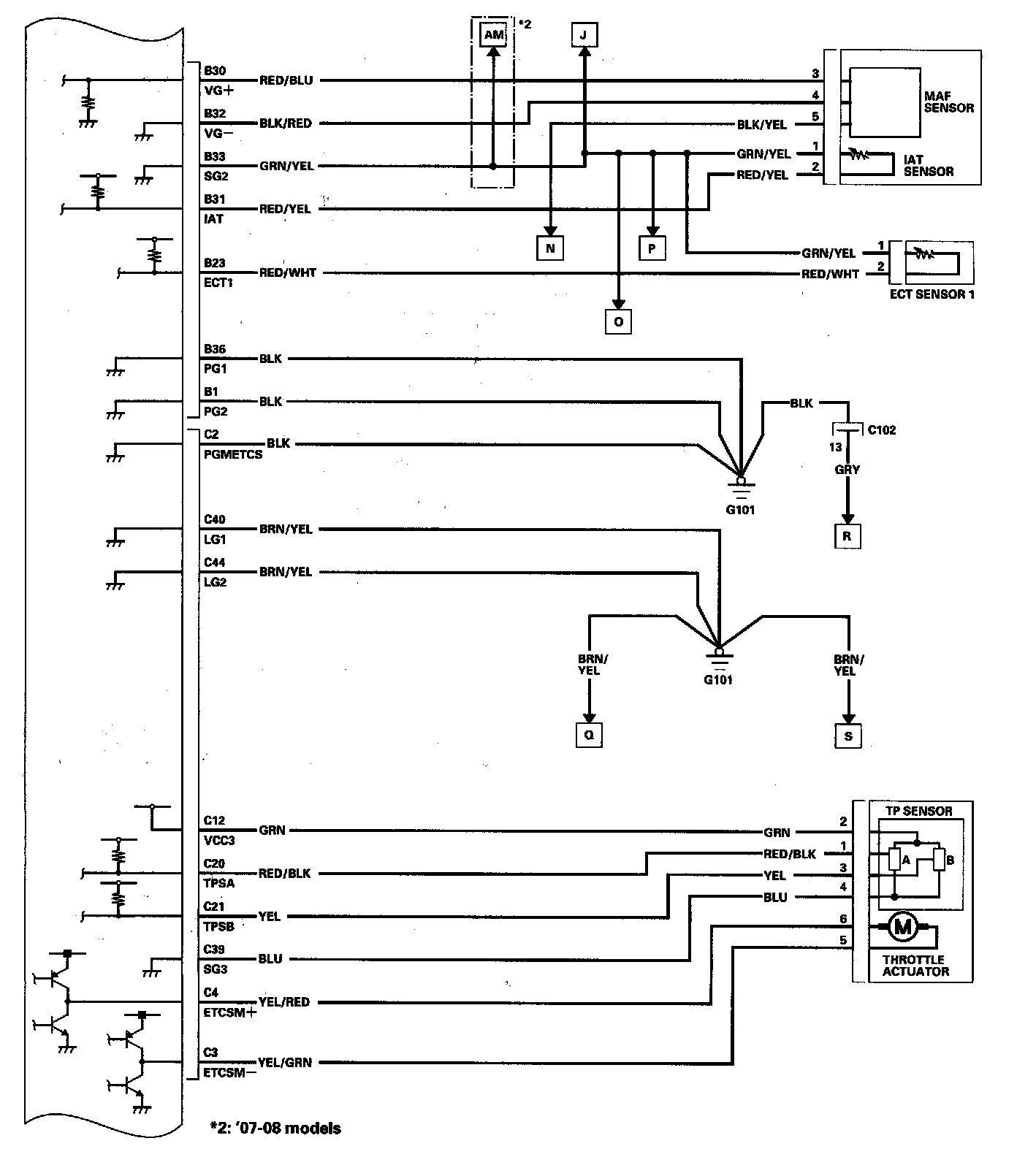
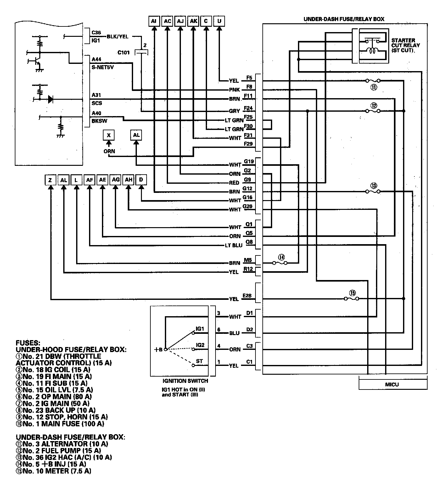
PCM Circuit Diagram (Part 1):



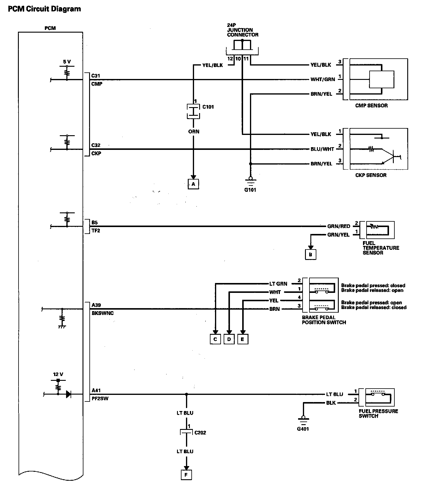
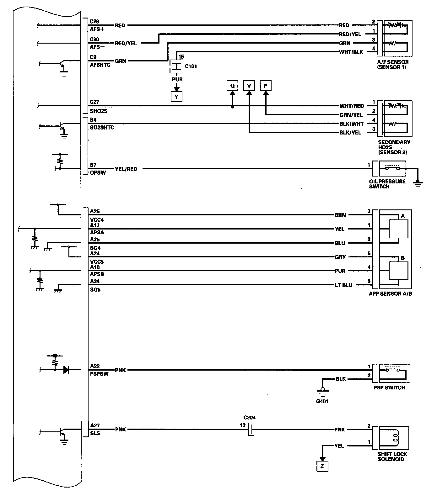
PCM Circuit Diagram (Part 2):



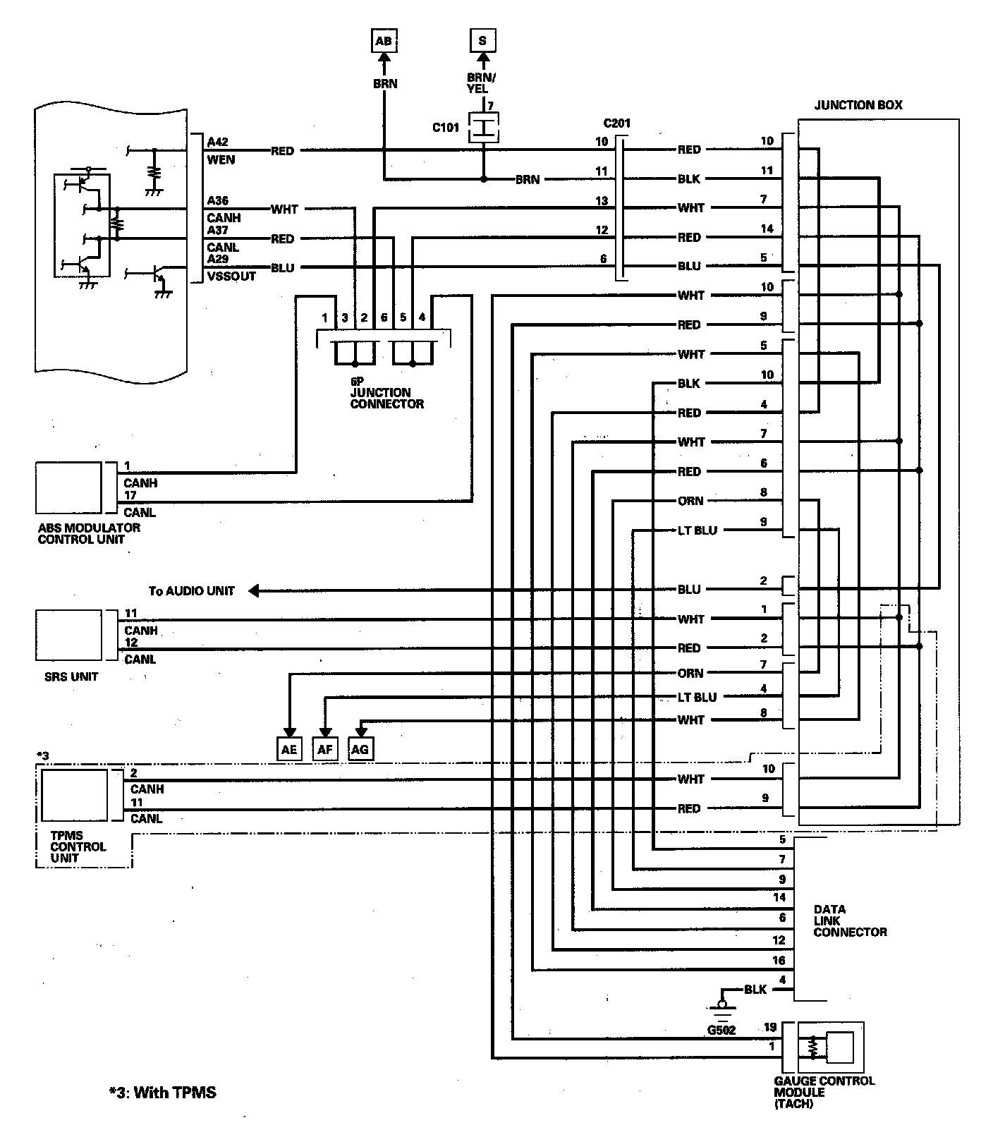
PCM Circuit Diagram (Part 3):



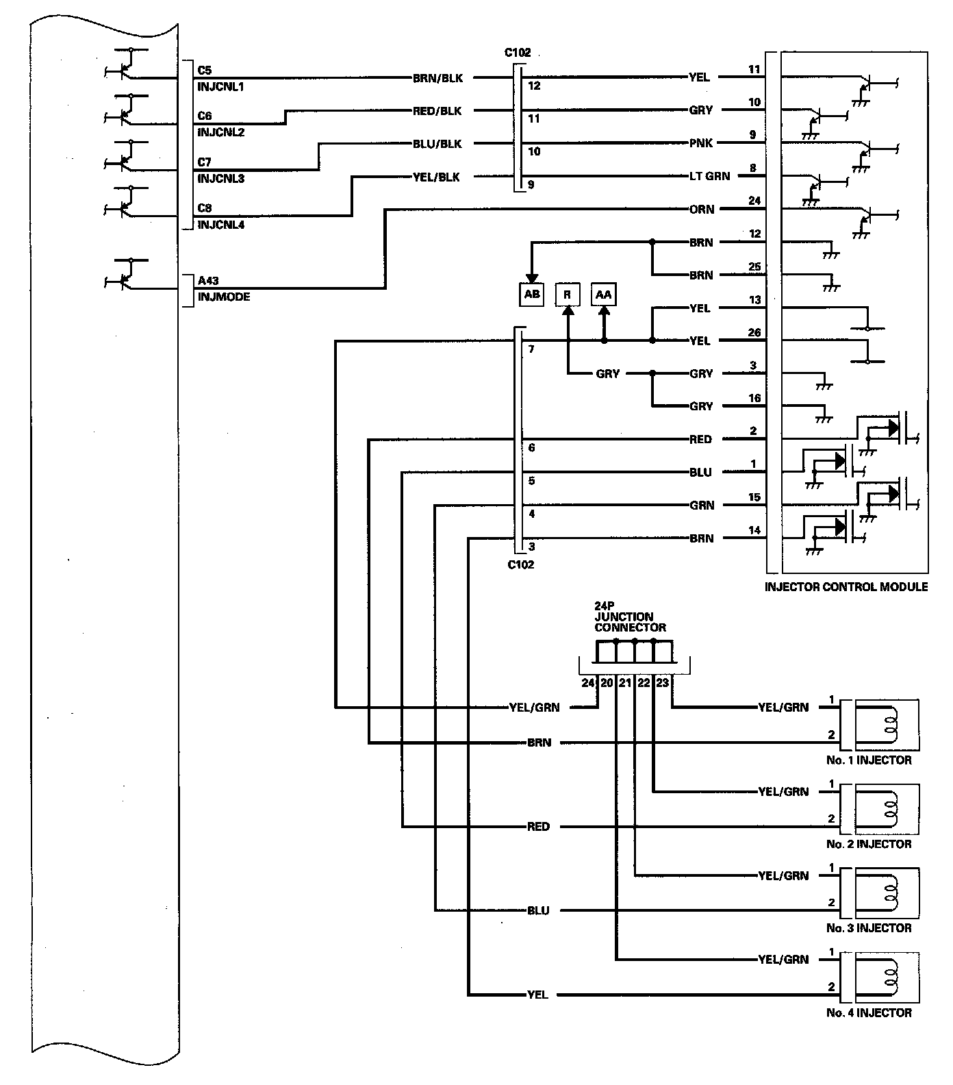
PCM Circuit Diagram (Part 4):



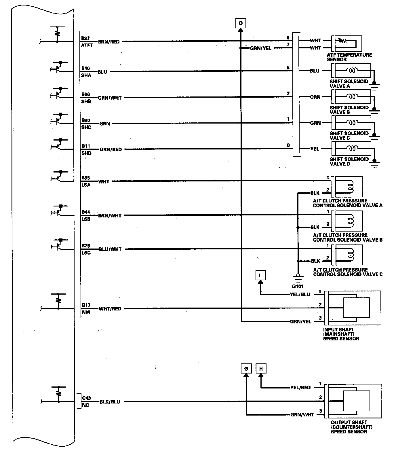
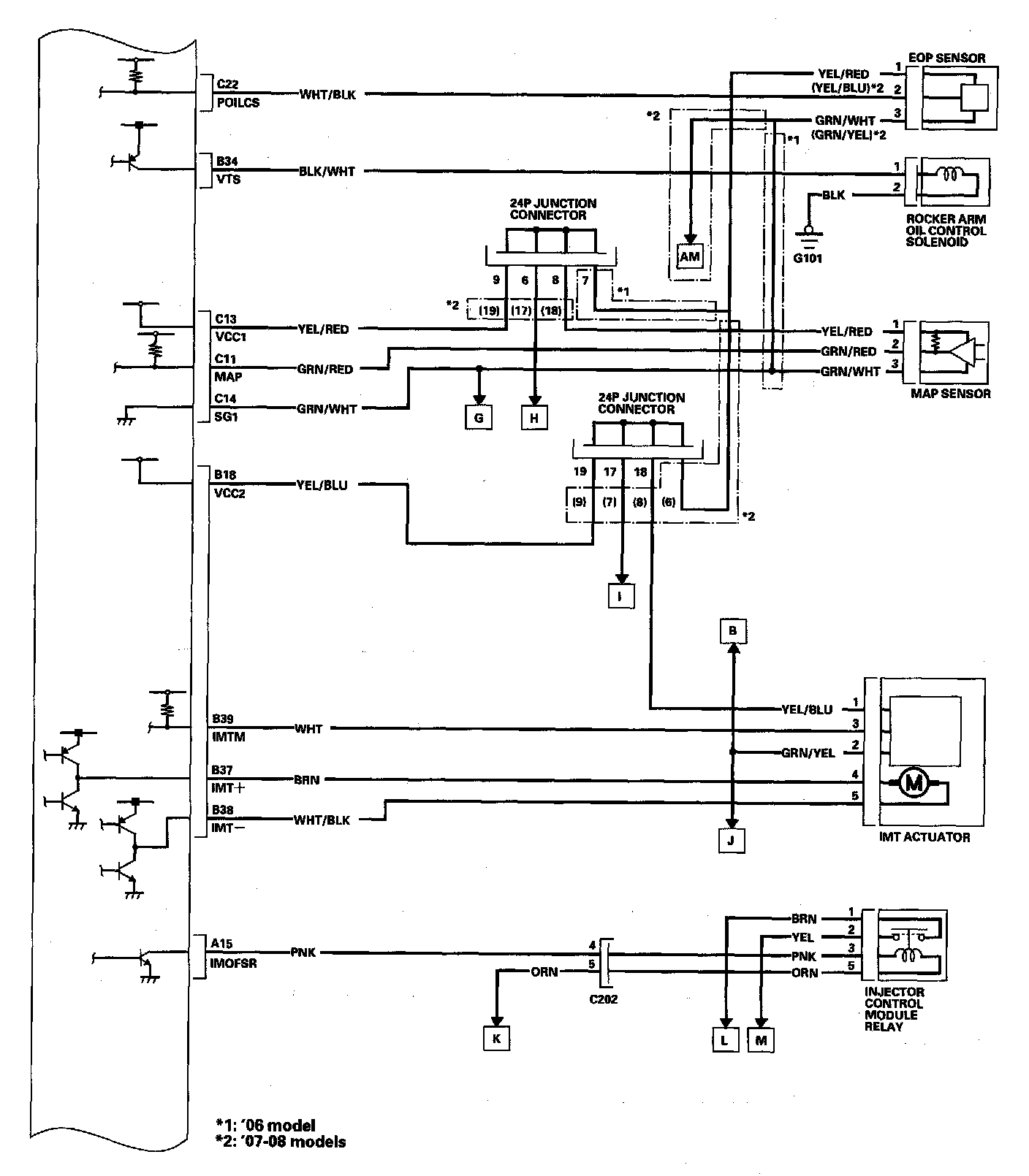
PCM Circuit Diagram (Part 5):



PCM Circuit Diagram (Part 6):



PCM Circuit Diagram (Part 7):



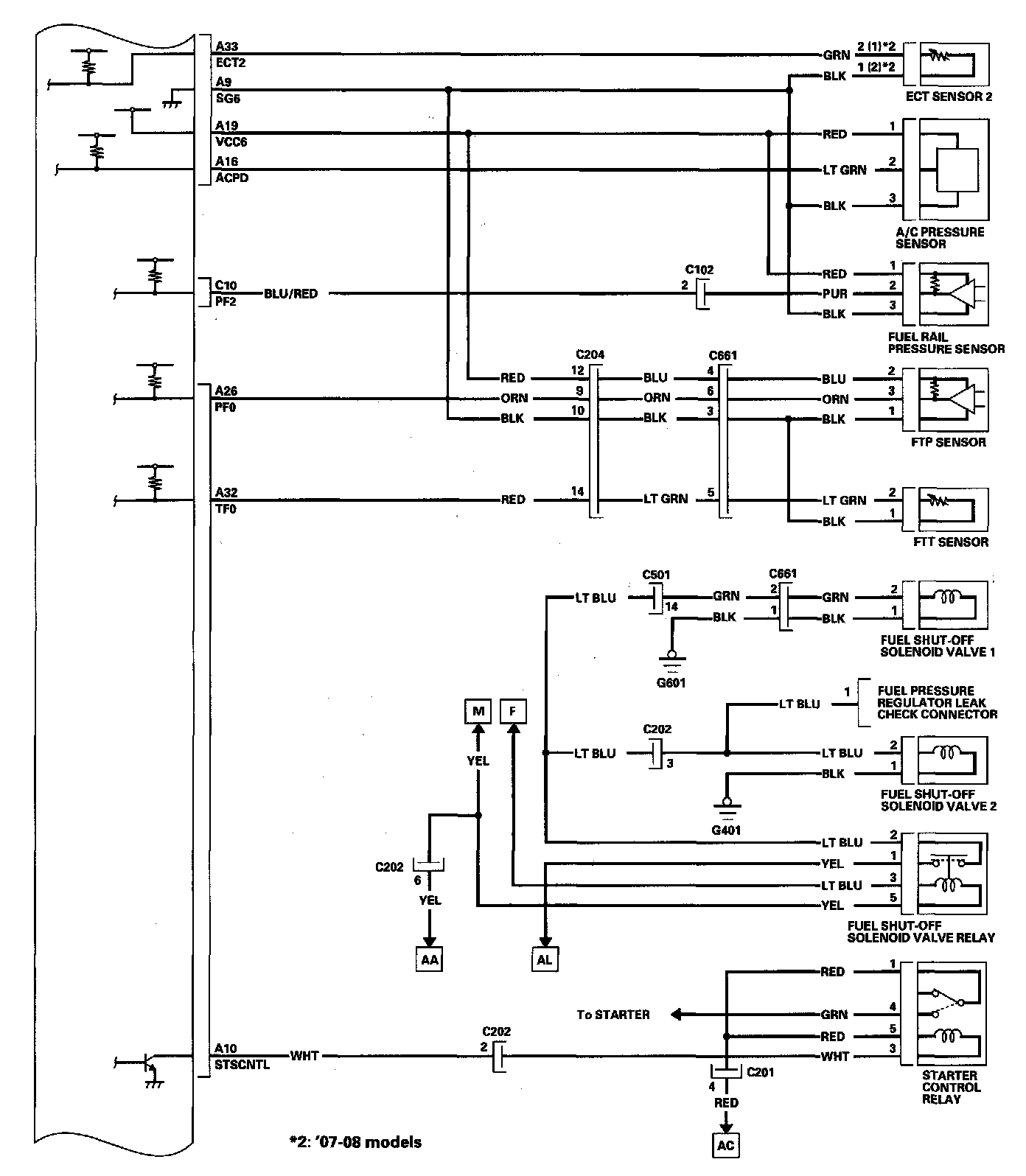
PCM Circuit Diagram (Part 8):



PCM Circuit Diagram (Part 9):



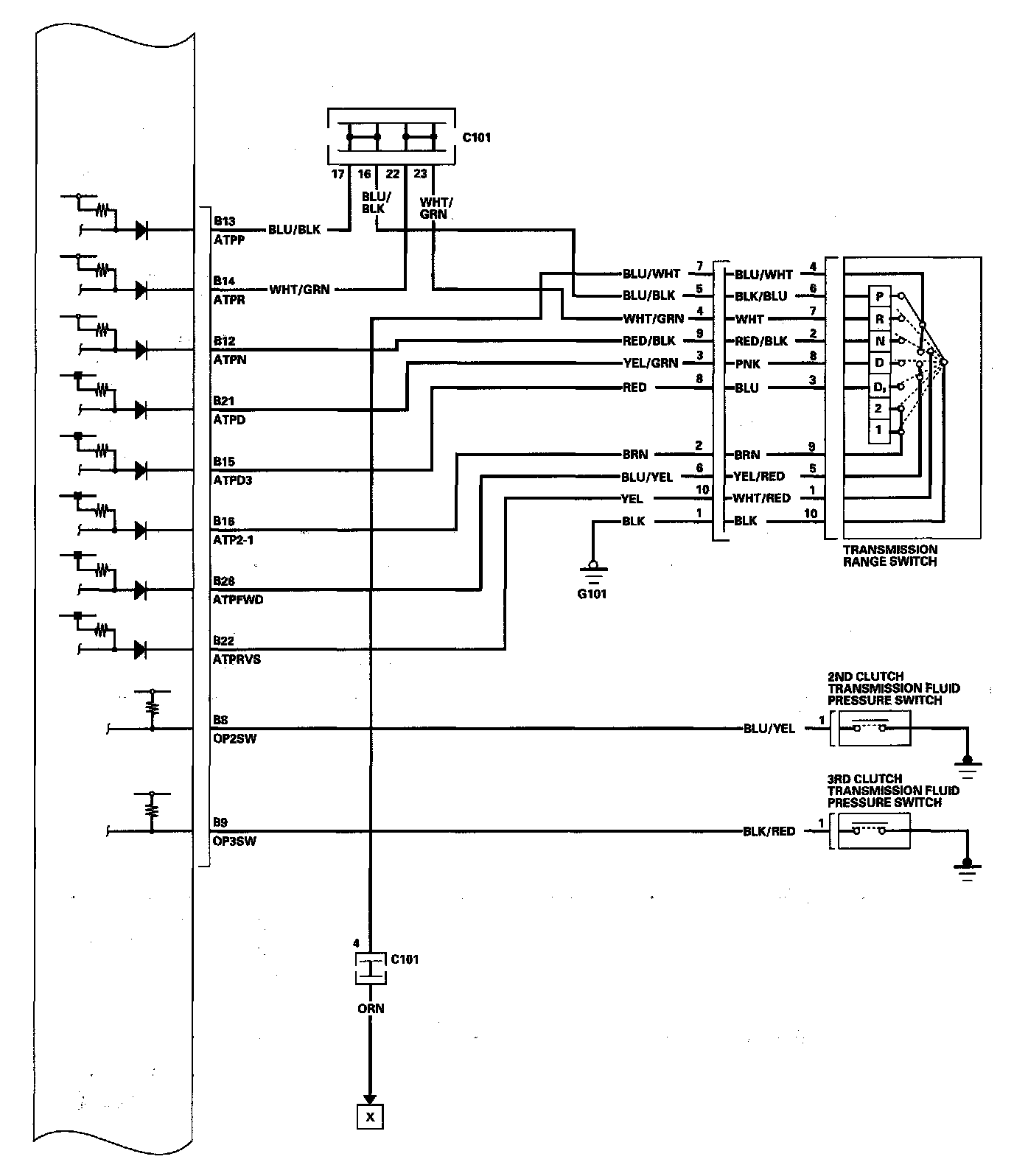
PCM Circuit Diagram (Part 10):



PCM Circuit Diagram (Part 11):



PCM Circuit Diagram (Part 12):