Curiosii for ever!
: Car repair manuals for everyone.
Home
>>
Honda
>>
2008
>>
Civic L4-1.3L Hybrid
>>
Repair and Diagnosis
>>
Specifications
>>
Mechanical Specifications
>>
Engine
>>
Timing Components
>>
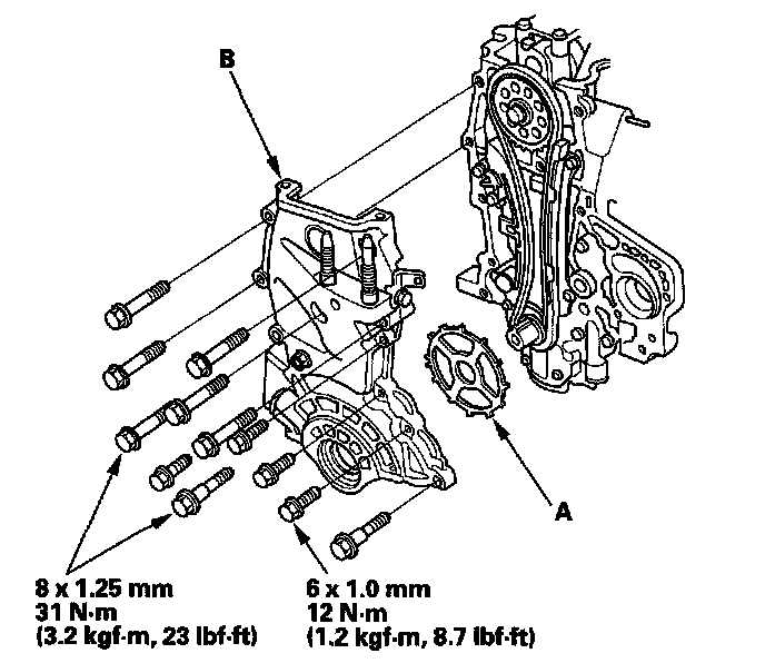
Timing Cover
Timing Cover
Timing Cover