Curiosii for ever!: Car repair manuals for everyone.

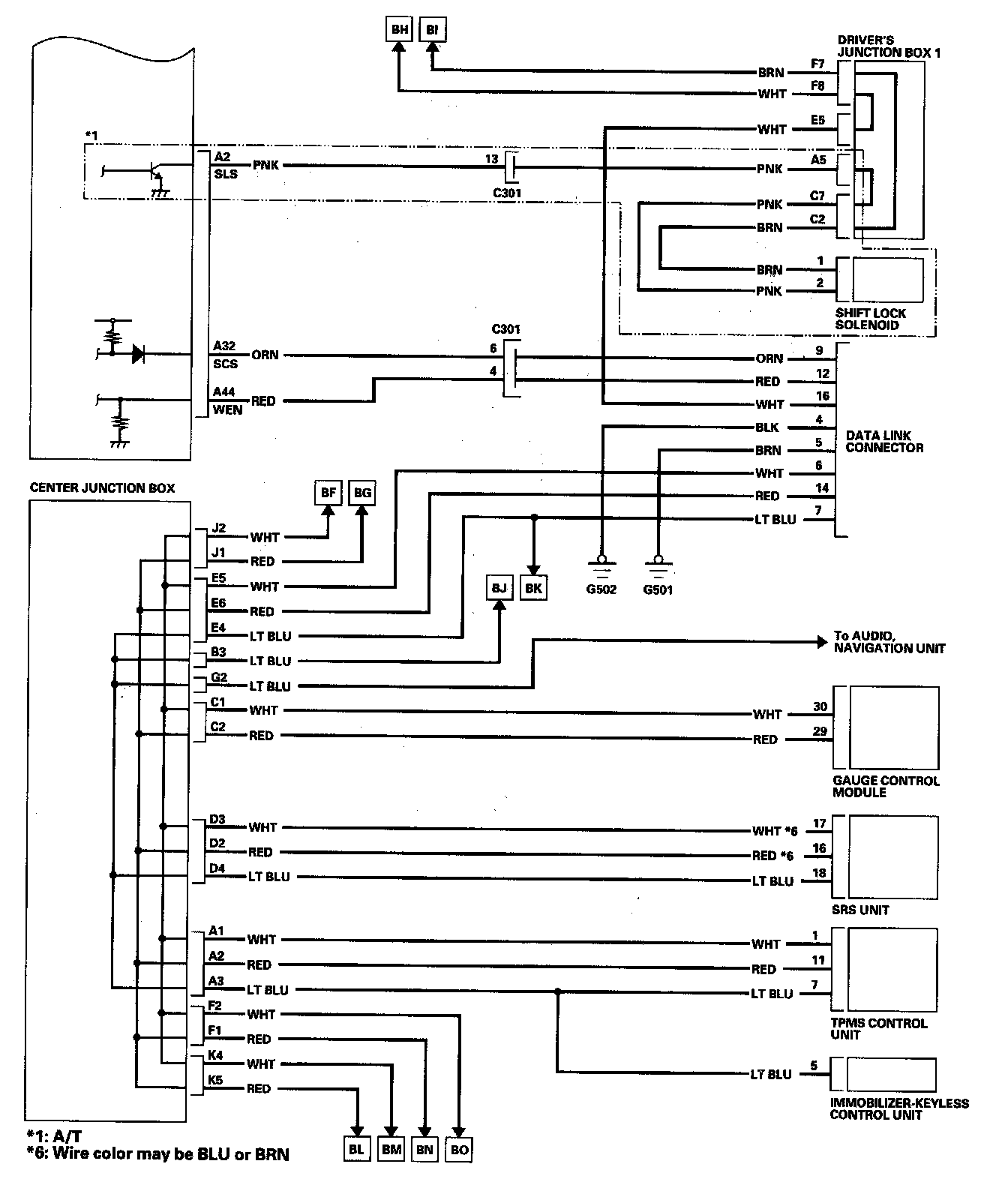
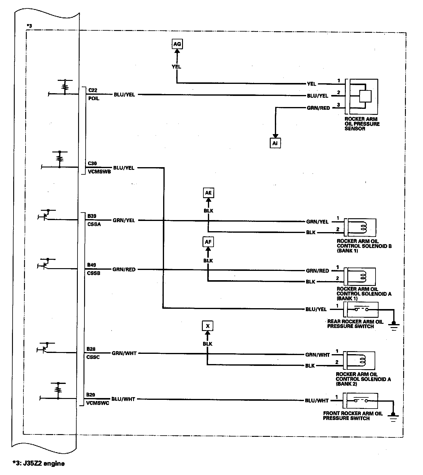
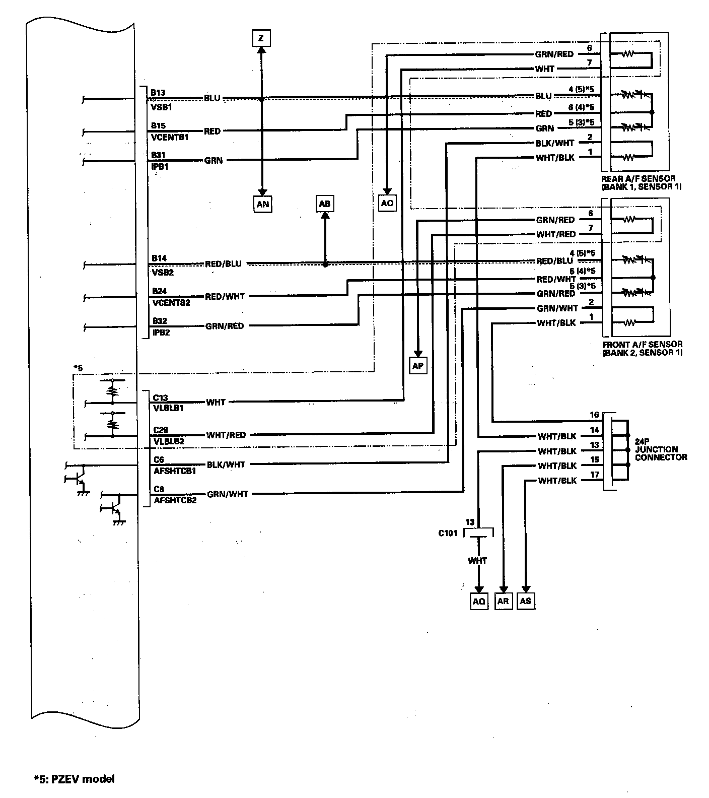
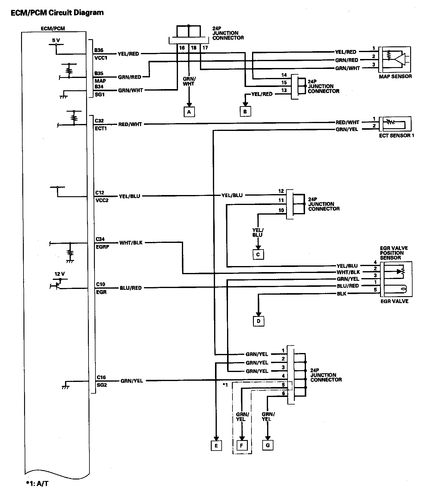
ECM/PCM Circuit Diagrams

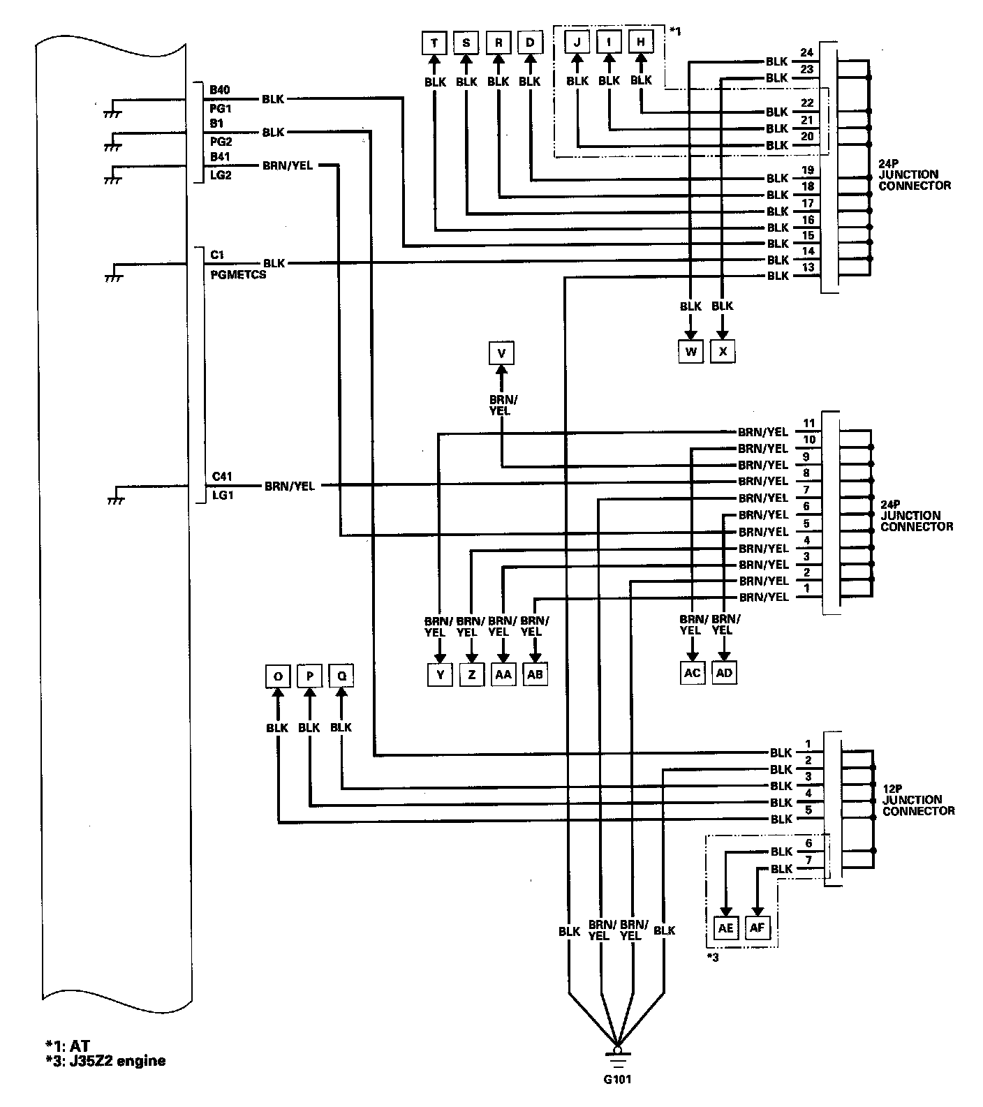
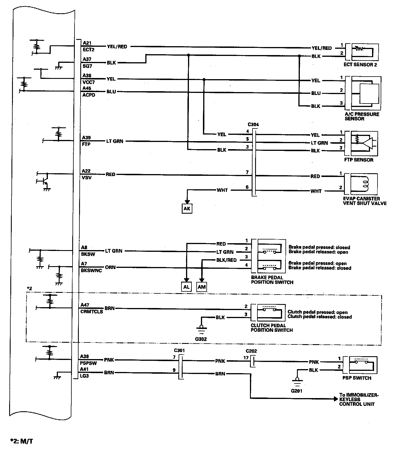
ECM/PCM Circuit Diagram (Part 1):



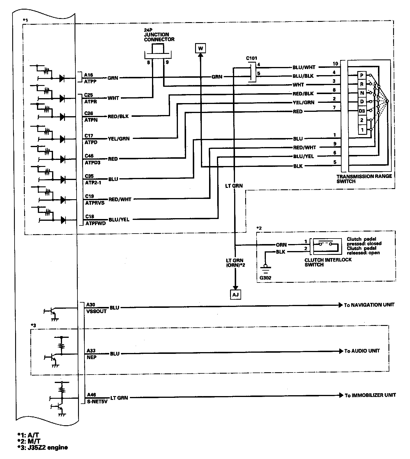
ECM/PCM Circuit Diagram (Part 2):



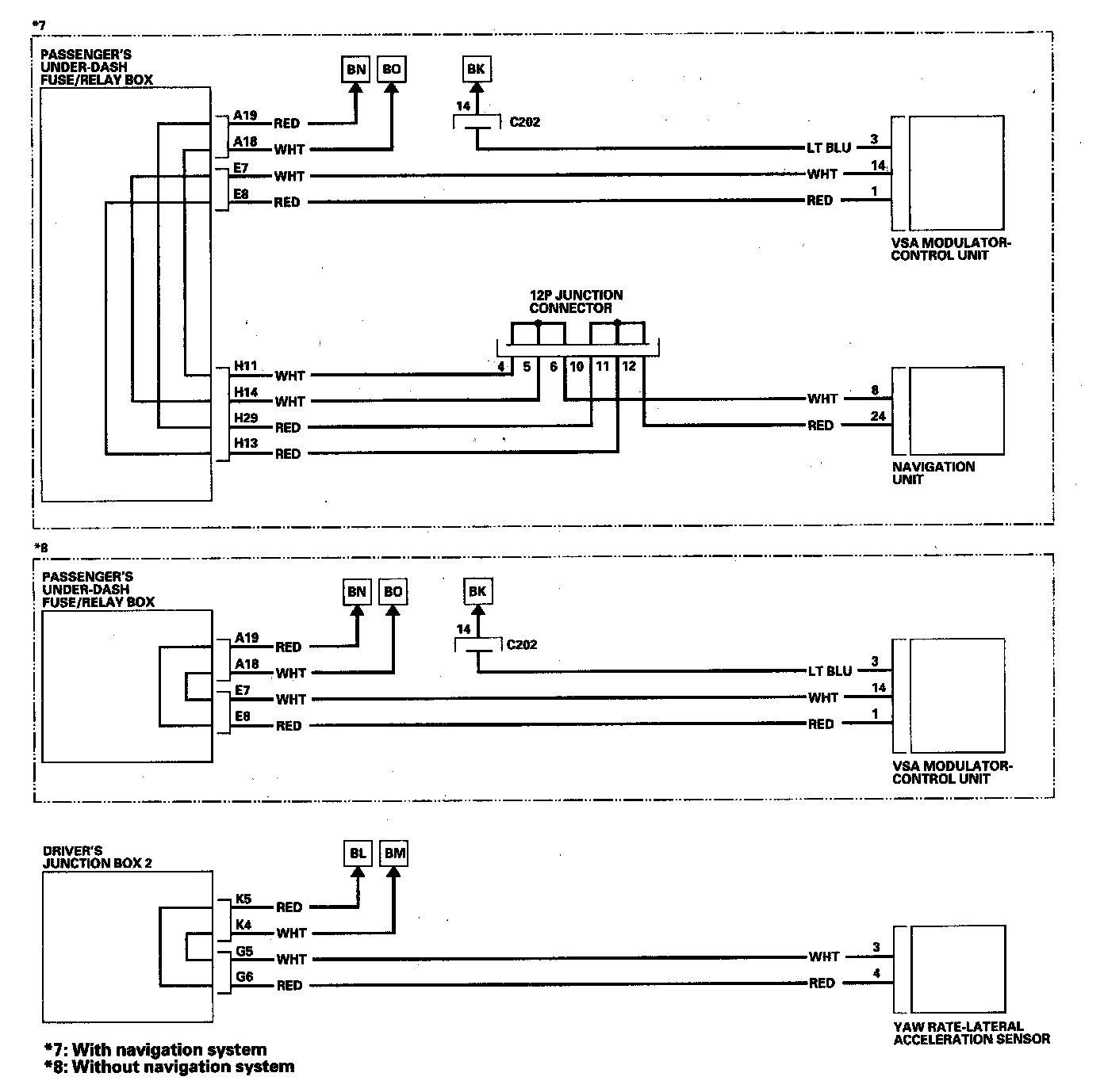
ECM/PCM Circuit Diagram (Part 3):



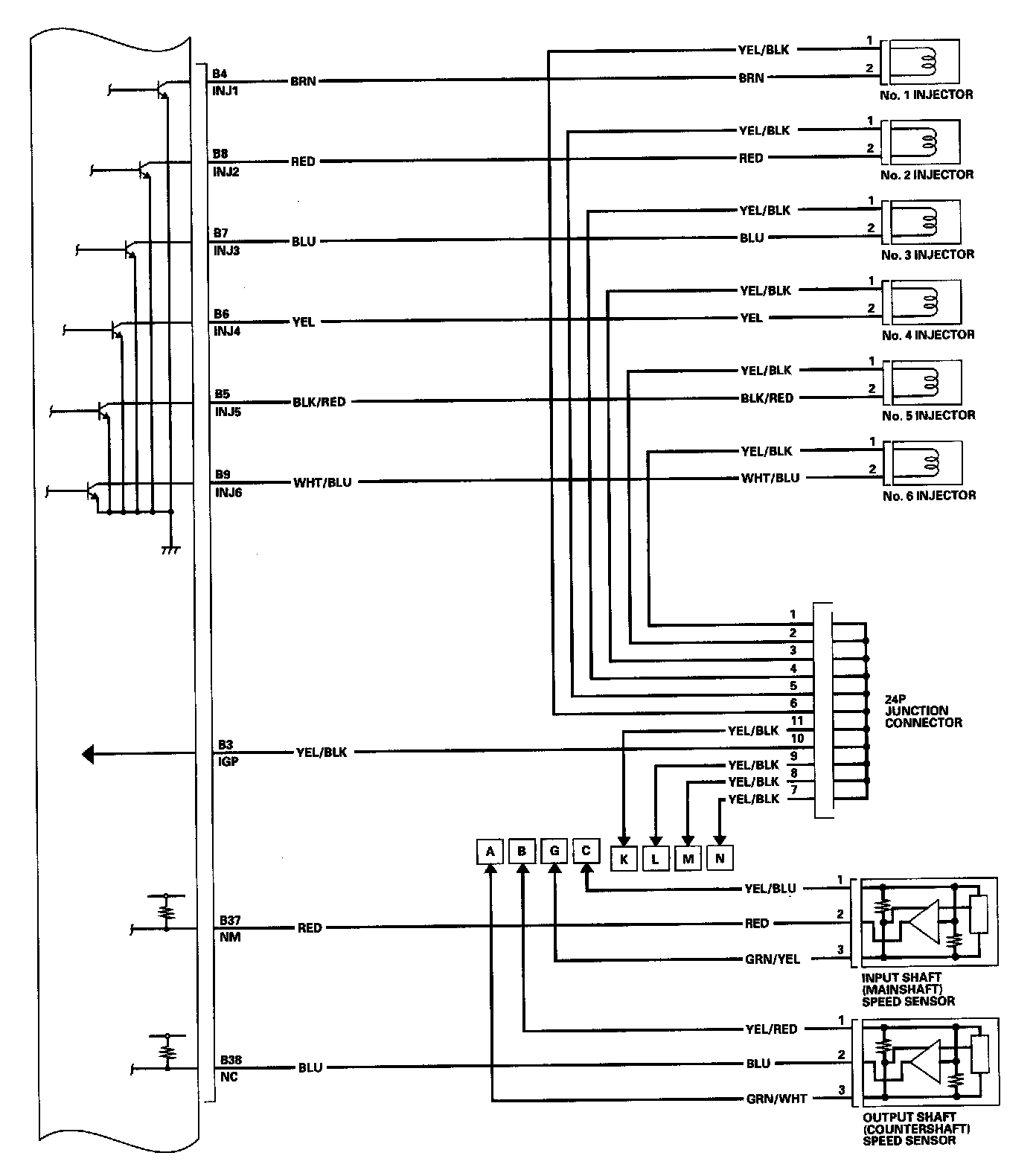
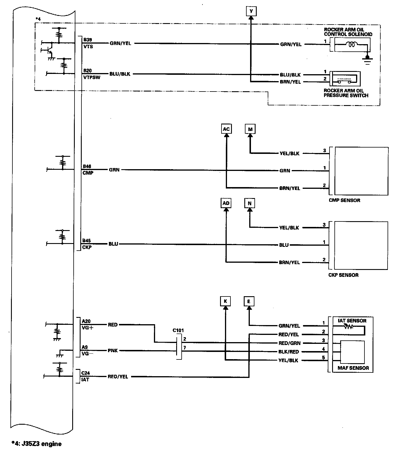
ECM/PCM Circuit Diagram (Part 4):



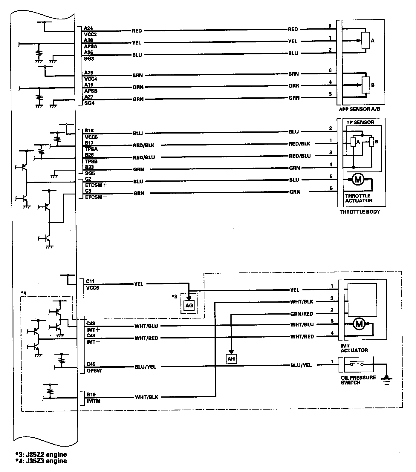
ECM/PCM Circuit Diagram (Part 5):



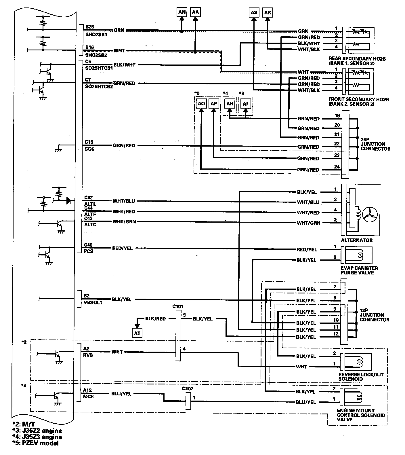
ECM/PCM Circuit Diagram (Part 6):



ECM/PCM Circuit Diagram (Part 7):



ECM/PCM Circuit Diagram (Part 8):



ECM/PCM Circuit Diagram (Part 9):



ECM/PCM Circuit Diagram (Part 10):



ECM/PCM Circuit Diagram (Part 11):



ECM/PCM Circuit Diagram (Part 12):



ECM/PCM Circuit Diagram (Part 13):



ECM/PCM Circuit Diagram (Part 14):



ECM/PCM Circuit Diagram (Part 15):



ECM/PCM Circuit Diagram (Part 16):



ECM/PCM Circuit Diagram (Part 17):