Curiosii for ever!: Car repair manuals for everyone.

ECM/PCM Circuit Diagrams

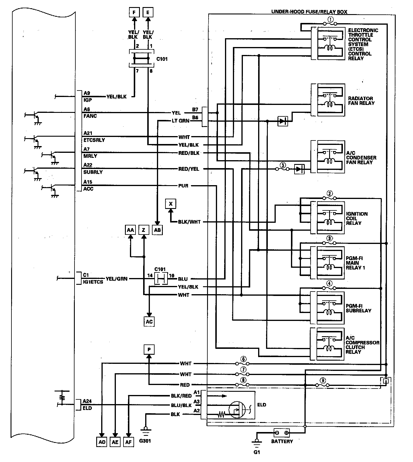
ECM/PCM Circuit Diagram (Part 1):



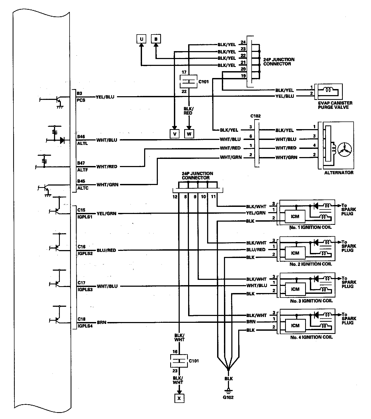
ECM/PCM Circuit Diagram (Part 2):



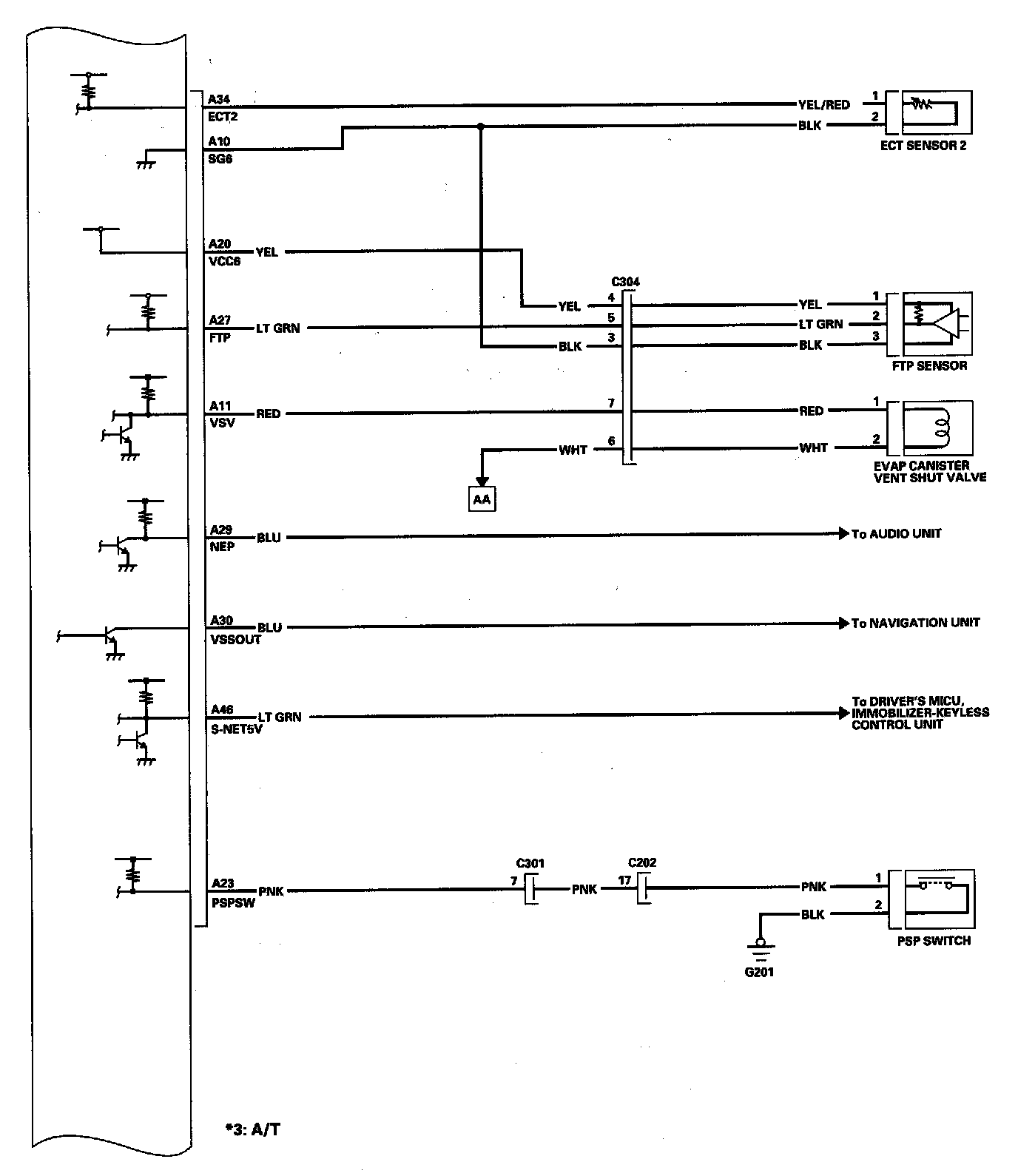
ECM/PCM Circuit Diagram (Part 3):



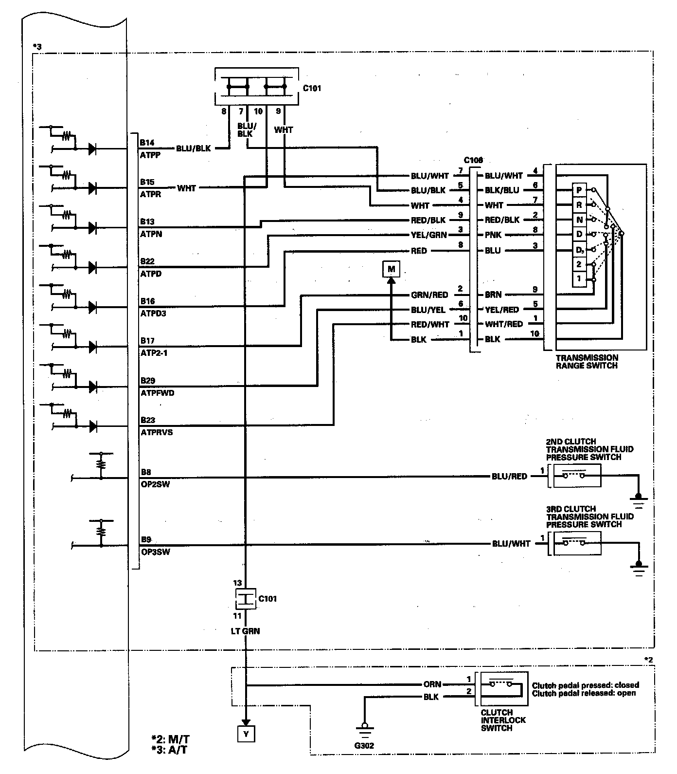
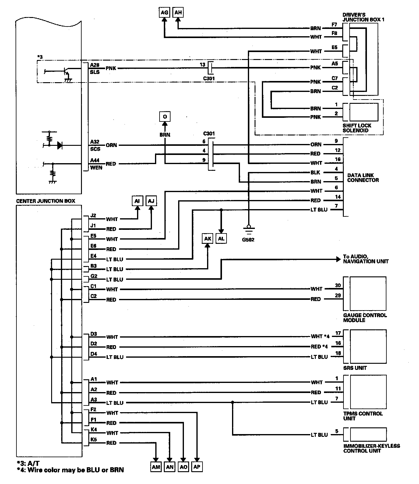
ECM/PCM Circuit Diagram (Part 4):



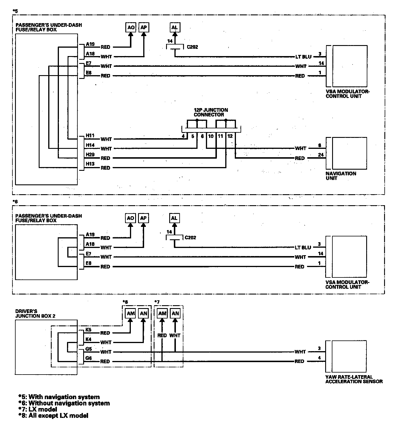
ECM/PCM Circuit Diagram (Part 5):



ECM/PCM Circuit Diagram (Part 6):



ECM/PCM Circuit Diagram (Part 7):



ECM/PCM Circuit Diagram (Part 8):



ECM/PCM Circuit Diagram (Part 9):



ECM/PCM Circuit Diagram (Part 10):



ECM/PCM Circuit Diagram (Part 11):



ECM/PCM Circuit Diagram (Part 12):



ECM/PCM Circuit Diagram (Part 13):