Curiosii for ever!: Car repair manuals for everyone.

Engine Installation

Engine Installation

Special Tools Required
^ Universal eyelet 07AAK-SNAA120
^ Frame positioning guide pin 070AG-SJAA10S
^ Engine hanger adapter VSB02C000015 *
^ Front subframe adapter VSB02C000016 *
^ Engine support hanger, A and Reds AAR-T1256 *
*: These special tools are available through the Honda Tool and Equipment Program, 1-888-424-6857

1. Install the accessory brackets, and tighten their bolts to the specified torque.





2. Raise the vehicle on the lift, and position the engine/transmission under the vehicle. Lower the vehicle, and attach the universal eyelet (07AAK-SNAA120) and chain hoist to the engine, then lift the engine into position in the vehicle.

NOTE: Reinstall the mounting bolts and support nuts in the sequence given in the following steps. Failure to follow this sequence may cause excessive noise and vibration, and reduce engine mount life.





3. Attach the engine hanger adapter (VSB02C000015) to the threaded hole in the cylinder head.





4. Install the engine support hanger (AAR-T1256), then attach the hook to the slotted hole in the engine hanger adapter. Tighten the wing nut (A) by hand to lift and support the engine/transmission.





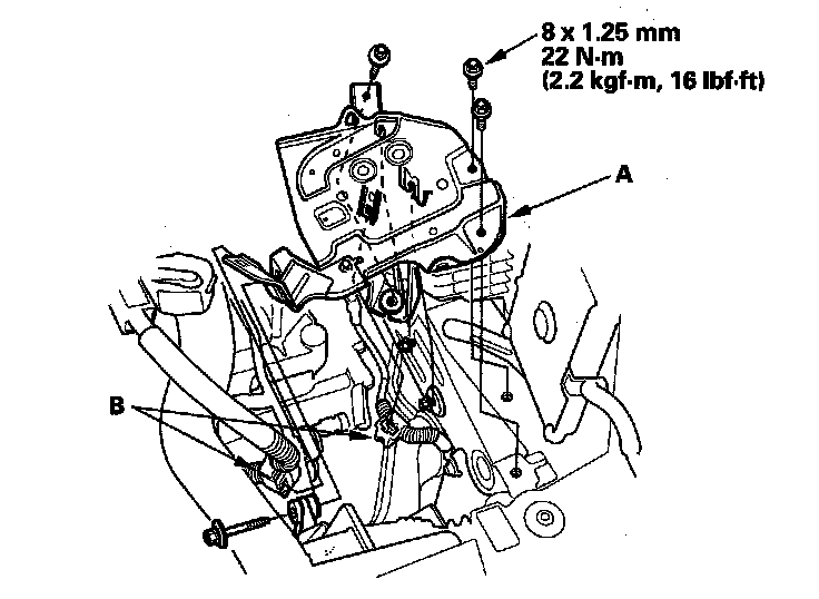
5. Tighten the upper transmission mount bracket mounting bolts to the specified torque.





6. Install the ground cable.
7. Support the engine with a jack and a wood block under the oil pan.
8. Remove the chain hoist.
9. Remove the universal eyelet.





10. Tighten the side engine mount bracket mounting bolts in the numbered sequence shown.





11. Install the ground cable.
12. Raise the vehicle on the lift.
13. Using the front subframe adapter (VSB02C000016) and a jack, raise the subframe up to body.





14. Loosely install the new front subframe mounting bolts (four) (A), the stiffener mounting bolts (four) (B) (C), and the stiffeners (four) (D).
15. Loosely install the subframe middle mount.





16. Remove the jack and the front subframe adapter.
17. Insert the frame positioning guide pin (070AG-SJAA10S) through the positioning slot (A) on the right rear stiffener, through the positioning hole (B) on the subframe, and into the positioning hole (C) on the body, then loosely tighten the subframe right rear mounting bolt.





18. Insert the frame positioning guide pin through the positioning slot on the left rear stiffener, through the positioning hole on the subframe, and into the positioning hole on the body, then loosely tighten the subframe left rear mounting bolt.
19. With the frame positioning guide pin in place, tighten the subframe right rear mounting bolt.
20. With the frame positioning guide pin in place, tighten the subframe left rear mounting bolt.
21. Tighten the stiffener mounting bolts to the specified torque.
22. Tighten the subframe mounting bolts to the specified torque.
23. Check that the positioning slots on the right/left rear stiffener, the positioning holes on the subframe, and the positioning holes on the body are aligned using the frame positioning guide pin.
24. Tighten the bolts securing the subframe middle mounts.





25. Tighten the nuts securing the lower transmission mount.





26. Lower the vehicle on the lift.
27. Remove the engine support hanger and the engine hanger adapter.
28. Tighten the front engine mount bolt (A), then install the front engine mount stop (B) and the vacuum hose (C).





29. A/T model: Install the ATF cooler pipe brackets (D).
30. M/T model: Install the rear engine mount.





31. A/T model: Install the rear engine mount upper bracket (A), then install the rear engine mount (B).





32. Loosen the mounting bolts for the side engine mount bracket, then retighten the bolts in the numbered sequence shown.





33. Loosen the mounting bolts for the upper transmission mount bracket, then retighten them to the specified torque.





34. Connect the quick connector to the thermostat cover.
35. Connect the heater hoses and the upper radiator hose.





36. A/T model: Install the ATF cooler hoses (A), and secure the hoses with the clips (B).





37. Install the bolts securing the steering gearbox stiffeners (A) and the washers (B). (left side)





38. Install the two bolts (A) securing the power steering (P/S) fluid line brackets.





39. Raise the vehicle on the lift.
40. Install the bolts securing the steering gearbox mounting bracket (A) and the heat shield (B). (right side)





41. Install the P/S fluid line bracket (A), and secure the hose with the hose clamp (B).





42. Install the A/C compressor (A), then connect the A/C compressor clutch connector (B).





43. Install a new set ring on the end of each driveshaft, then install the driveshafts. Make sure each ring "clicks" into place in the differential and the intermediate shaft.
44. Connect the lower arms to the knuckles.
45. Install the damper fork.
46. A/T model: Install the shift cable.
47. Install exhaust pipe A using new gaskets (B) and self-locking nuts (C).





48. Install the splash shield.





49. Install the front wheels.
50. Lower the vehicle on the lift.
51. M/T model: Install the clutch slave cylinder and the clutch line bracket mounting nut.
52. M/T model: Install the shift cable and the select cable, then tighten the three bolts securing the shift cable holder.
53. Install the A/C condenser fan shroud assembly.
54. Install the P/S pump (A), then install the P/S hose bracket (B).





55. Install the drive belt.
56. Connect the fuel feed hose (A), then install the quick-connect fitting cover (B).





57. Install the evaporative emission (EVAP) canister hose (A) and the brake booster vacuum hose (B).





58. Connect the engine control module (ECM)/powertrain control module (PCM) connectors (A) and the engine wire harness connector (B).





59. Install the harness clamps (C) and the bracket (D).
60. Install the ECM/PCM (A), then install the ECM/PCM cover (B).





61. Connect the battery cables (A) to the under-hood fuse/relay box.





62. Connect the harness connector (B), and install the harness connector to the bracket (C).
63. Install the water separator.
64. Install the battery base (A), then install the harness clamps (B).





65. Install the air cleaner assembly.
66. Install the strut brace (if equipped).
67. Install the front grille cover.
68. Do the battery installation procedure.
69. A/T model: Move the shift lever to each gear, and verify that the A/T gear position indicator follows the transmission range switch.
70. M/T model: Check that the transmission shifts into all gears smoothly.
71. Inspect for fuel leaks. Turn the ignition switch to ON (II) (do not operate the starter) so the fuel pump runs for about 2 seconds and pressurizes the fuel line. Repeat this operation three times, then check for fuel leakage at any point in the fuel line.
72. Refill the engine with engine oil.
73. Refill the transmission with fluid.
74. Refill the radiator with engine coolant, and bleed air from the cooling system with the heater valve open.
75. Do the ECM/PCM reset procedure.
76. Do the ECM/PCM idle learn procedure.
77. Do the crankshaft position (CKP) pattern clear/CKP pattern learn procedure.
78. Inspect the idle speed.
79. Inspect the ignition timing.
80. Check the wheel alignment.