Curiosii for ever!: Car repair manuals for everyone.

Radiator: Service and Repair

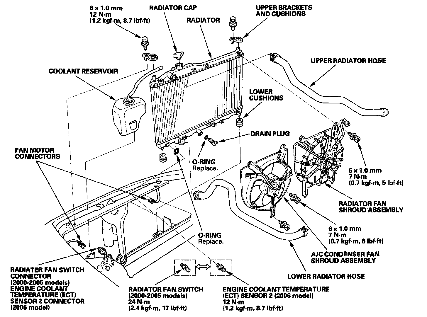
Radiator and Fan Replacement
1. Drain the engine coolant.





2. Remove the upper and lower radiator hoses.
3. 2000-2005 models: Disconnect the fan motor connectors and radiator fan switch connector.
4. 2006 models: Disconnect the fan motor connectors and engine coolant temperature (ECT) sensor 2 connector.
5. Remove the radiator upper brackets and cushions, then pull up the radiator.
6. Remove both fan shroud assemblies and other parts from the radiator.
7. Install the radiator in the reverse order of removal. Make sure the upper and lower cushions are set securely.
8. Refill the radiator with engine coolant, then bleed the air from the cooling system.
9. Clean up any spilled engine coolant.