Curiosii for ever!: Car repair manuals for everyone.

Wiper Motor: Service and Repair

Wiper Motor Replacement

Windshield Wiper Motor




1. Remove the nuts (A) and wiper arms (B).
2. Disconnect the washer tube (C), then remove the hood seals (D) and cowl covers (E).




3. Disconnect the 5P connector (A) from the wiper motor (B).
4. Remove the three bolts (C) and wiper linkage assembly (D).




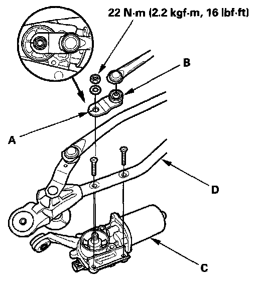
5. Scribe a line (A) across the link the windshield wiper linkage to show the original adjustment, then remove the nut and link(B).
6. Remove the two screws and wiper motor (C) from the wiper linkage (D).
7. Install in the reverse order of removal, and note these items:
- Grease the moving parts.
- Before reinstalling the wiper arms, turn the wiper switch ON, then OFF to return the wiper shafts to the park position.
- If necessary, replace any damaged clips.
- Check the wiper motor operation.

Rear Window Wiper Motor

1. Open the tailgate and remove the tailgate lower panel.




2. Remove the mounting nut (A), and wiper arm (B).




3. Disconnect the 4P connector (A) from the wiper motor (B).
4. Remove the three bolts and wiper motor.
5. Install in the reverse order of removal.