Curiosii for ever!: Car repair manuals for everyone.

Side Impact Sensor (Second) Replacement

Side Impact Sensor (Second) Replacement

Removal

1. Disconnect the negative cable from the battery, and wait at least 3 minutes before beginning work.
2. Disconnect the appropriate side curtain airbag 2P connector.
3. Remove the rear seat and seat side holster.
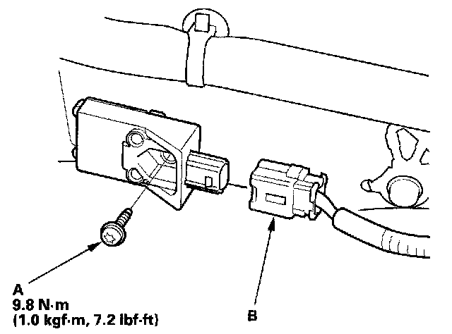
4. Disconnect the floor wire harness 2P connector from the side impact sensor (second).




5. Remove the TORX bolt (A) using a TORX T30 bit, then remove the side impact sensor (second) (B).

Installation




1. Install the new side impact sensor (second) with the TORX bolt (A) then connect floor wire harness 2P connector (B) to the side impact sensor (second).
2. Reconnect the negative cable to the battery.
3. After installing the side impact sensor (second), confirm proper system operation: Turn the ignition switch ON (II); the SRS indicator should come on for about 6 seconds and then go off.
4. Reinstall all removed parts.