Curiosii for ever!: Car repair manuals for everyone.

Fluid Filter - A/T: Service and Repair

ATF Filter Replacement
1. Make sure you have anti-theft code for the audio unit, then write down the audio presets.
2. Remove the air cleaner assembly.
3. Disconnect the negative cable from the battery, then disconnect the positive cable.
4. Remove the battery hold-down bracket, and remove the battery and the battery tray.
5. Remove the harness clamps from the battery base, then remove the battery base.
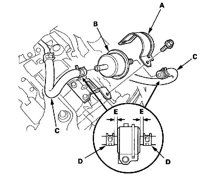
6. Remove the ATF filter holder (A).





7. Disconnect the ATF filter (B) from the ATF hoses (C), and replace it with new one.
8. Slide the ATF hoses on the new ATF filter until the hose end contacts the filter housing, and secure the hose with the clamp (D) at 6 - 8 mm (0.24 - 0.31 in.) (E) from the filter housing.
9. Install the ATF filter holder.
10. Install the battery base, then install the harness clamps.
11. Install the battery tray and the battery, then secure the battery with its hold-down bracket.
12. Connect the battery terminals, and apply grease around the battery terminals.
13. Install the air cleaner assembly.
14. Enter the anti-theft code for the audio unit, then enter the audio presets.