Curiosii for ever!: Car repair manuals for everyone.

Blower Unit Component Replacement

Blower Unit Component Replacement




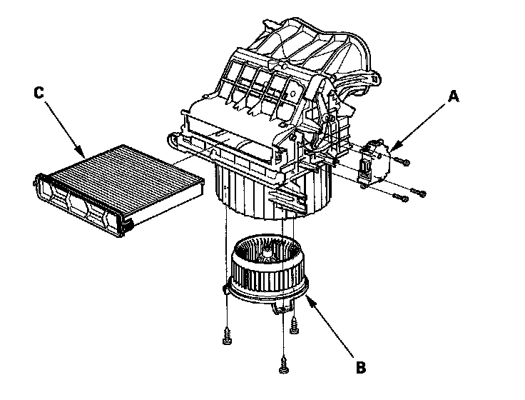
Note these items when overhauling the blower unit:
- The recirculation control motor (A), blower motor (B) and the dust and pollen filter (C) can be replaced without removing the blower unit.
- Before reassembly, make sure that the recirculation control linkage and door move smoothly without binding.
- After reassembly, make sure the recirculation control motor runs smoothly.