Curiosii for ever!: Car repair manuals for everyone.

CMP Pulse Plate Removal and Installation

CMP Pulse Plate Removal and Installation
Removal
1. Remove the air cleaner.
2. Remove the cylinder head cover.
3. Remove the purge control solenoid valve stay.
4. Remove the cylinder head plug.





5. Hold the camshaft with a 27 mm open-end wrench, then loosen the bolt.





6. Remove the camshaft position (CMP) pulse plate.





Installation
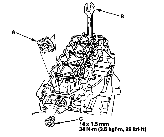
1. Install the CMP pulse plate (A). Hold the camshaft with an open-end wrench (B), then tighten the bolt (C).





2. Install the new cylinder head plug.





3. Install the purge control solenoid valve stay.
4. Install the cylinder head cover.
5. Install the air cleaner.