Curiosii for ever!: Car repair manuals for everyone.

Electronic Brake Control Module: Service and Repair

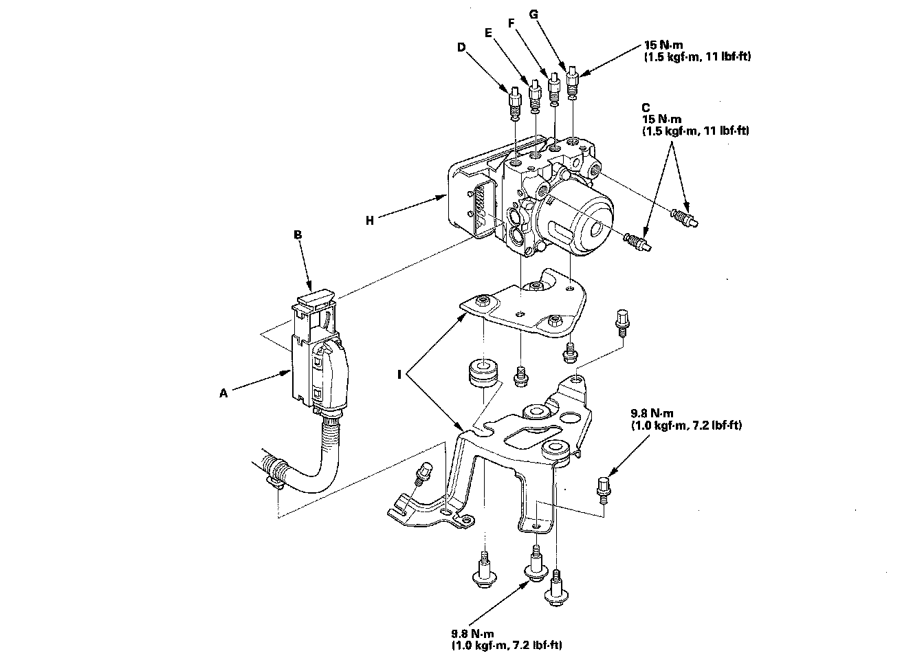
ABS Modulator-Control Unit Removal and Installation

NOTE:
^ Do not spill brake fluid on the vehicle; it may damage the paint; if brake fluid gets on the paint, wash it off immediately with water.
^ Be careful not to damage or deform the brake lines during removal and installation.
^ To prevent the brake fluid from flowing, plug and cover the hose ends and joints with a shop towel or equivalent material.

Removal
1. Disconnect the ABS modulator-control unit 25P connector (A) by pulling up the lock (B); the connector disconnects itself.





2. Disconnect the six brake lines from the ABS modulator-control unit.

NOTE: Brake lines are connected to the master cylinder (C) and to the right-front (D), the left-rear (E), the right-rear (F), and the left-front (G) brake systems.

3. Remove the ABS modulator-control unit (H) with the brackets (I) from the body.
4. Remove the ABS modulator-control unit from the brackets.
5. Separate the bracket if necessary.

Installation
1. Install the ABS modulator-control unit on the brackets.
2. Install the bracket with the ABS modulator-control unit to the body.
3. Reconnect the six brake lines, then tighten the flare nuts to the specified torque.
4. Align the connecting surface of the ABS modulator-control unit 25P connector to the ABS modulator-control unit.
5. Lower the lock of the ABS modulator-control unit 25P connector, then confirm the connector is fully seated.
6. Bleed the normal brake system (except the servo unit and power unit).
7. Start the engine, and check that the ABS indicator goes off.
8. Test-drive the vehicle, and check that the ABS indicator does not come on.

NOTE: If the brake pedal is spongy, there may be air trapped in the modulator and then induced into the normal brake system during modulation. Bleed the normal brake system (except the servo unit and power unit) again.