Curiosii for ever!: Car repair manuals for everyone.

Heater Core Case: Service and Repair

Heater Unit/Core Replacement

SRS components are located in this area. Review the SRS component locations, and the precautions and procedures, before performing repairs of service.

1. Make sure you have the anti-theft code for the audio and the navigation system, then write down the audio presets.
2. Disconnect the negative cable from the battery.
3. With air conditioning; disconnect the suction and receiver lines from the evaporator core.




4. From under the hood, open the cable clamp (A), then disconnect the heater valve cable (B) from the heater valve arm (C). Turn the heater valve arm to the fully opened position as shown.
5. When the engine is cool, drain the engine coolant from the radiator.




6. Slide the hose clamps (A) back, then disconnect the inlet heater hose (B) and the outlet heater hose (C) from the heater unit. Engine coolant will run out when the hoses are disconnected; drain it into a clean drip pan. Be sure not to let coolant spill on the electrical parts or the painted surfaces. If any coolant spills, rinse it off immediately.




7. Remove the mounting nut from the heater unit. Take care not to damage or bend the fuel lines and the brake lines, etc.
8. Remove the dashboard.




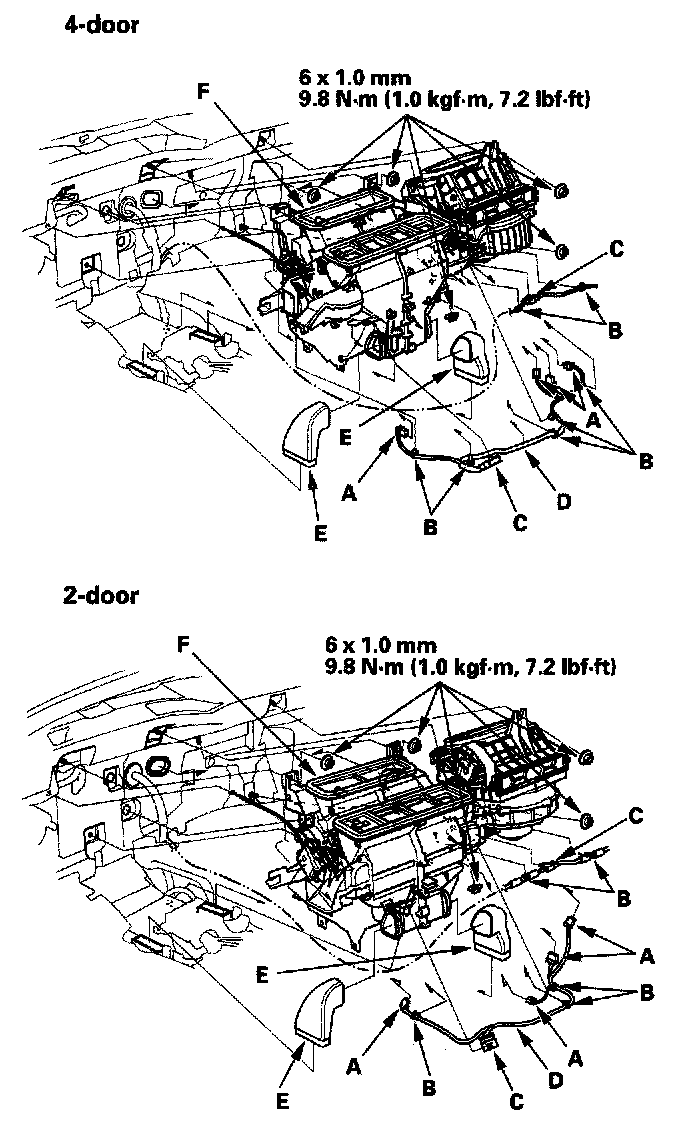
9. Disconnect the connectors (A) from the air mix control motor, the evaporator temperature sensor, the power transistor, and the recirculation control motor, then remove the wire harness clips (B), the connector clips (C) and the wire harness (D). Remove the heater ducts (E), then remove the mounting nuts and the blower-heater unit (F).




10. Remove the self-tapping screws, the evaporator temperature sensor (C) and the joint duct A, then remove the self-tapping screws and the joint duct B (4-door). Remove the self-tapping screws, then remove the passenger's heater outlet (D), and the heater core cover (E). Remove the self-tapping screws and the mode control motor (F) (2-door). Remove the self-tapping screws, the heater pipe brackets (G), the grommets (H) and carefully pull out the heater core (I) so you don't bend the inlet outlet pipes.
11. Install the heater core, and the evaporator core in the reverse order of removal.
12. Install the heater unit in the reverse order of removal, and note these items:
- Do not interchange (tie inlet and outlet heater hoses, and install the hose clamps securely.
- Refill the cooling system with engine coolant.
- Adjust the heater valve cable.
- Make sure that there is no coolant leakage.
- Make sure that there is no air leakage.
- Refer to evaporator core replacement.
- Reset the power window control unit.
- Enter the anti-theft codes for the audio and the navigation system, then enter the audio presets.