Curiosii for ever!: Car repair manuals for everyone.

Audio-HVAC Display Module Removal/Installation

Audio-HVAC Display Module Removal/Installation

SRS components are located in this area. Review the SRS component locations and the precautions and procedures before performing repairs or service.

NOTE:
- Put on gloves to protect your hands.
- Take care not to scratch the dashboard and related parts.
- Lay a shop towel under the parts when working on them to protect the face panel from scratches or other damage.
- Do not work in a dusty or dirty place.
- Discharge static electricity from your body before and during the work.
- Do not touch the circuit board with your bare hands.
- Do not work with dirty hands.
- Be careful not to fold the flat plate cable.
- Do not touch the terminal connector of the flat plate cable with your bare hands. (If you have touched it, wipe it off thoroughly.)

1. Make sure you have the anti-theft codes for the radio and navigation system, then write down the audio presets.
2. Remove the upper panel.
3. Remove the center pocket.
4. With navigation: Remove the navigation control unit.







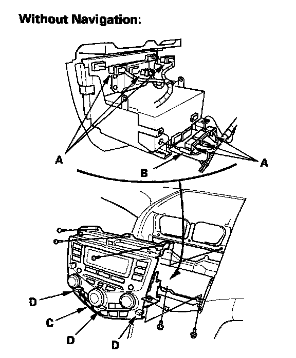
5. Remove the screws and bolts, disconnect the audio-HVAC display module connectors (A) and the antenna lead (B), then remove the audio-HVAC display module (C) by releasing the three clips (D).
6. Install the audio-HVAC display module and note these items:
- Make sure the disconnected connectors are plugged in properly, and the antenna lead is connected properly.
- Enter the anti-theft code for the radio, then enter the customer's audio presets.