Curiosii for ever!: Car repair manuals for everyone.

Transmission Removal

Transmission Removal

NOTE: Use fender covers to avoid damaging painted surfaces.

1. Make sure you have the anti-theft code for the radio, then write down the audio presets. Disconnect the negative cable from the battery first, then disconnect the positive cable. Remove the battery.





2. Loosen the locknut, then remove the shift lever knob.
3. Remove the center console.





4. Remove the boot holder (A) by releasing the lock tabs (B) indicated by the arrowheads (C). Insert a hook-shaped tool (D) underneath the boot holder, and lift slightly while releasing the lock tabs with a flat-tip screwdriver (E).
5. Pull up and remove the boot holder and the shift boot (F).





6. Remove the three bolts, then remove the shift lever (A) and the shift lever spring (B).





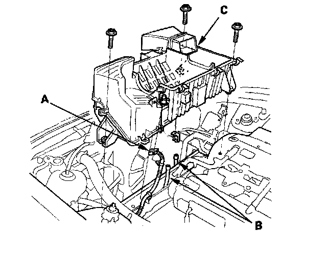
7. 2000-2005 models: Disconnect the air hose (A) and breather pipe (B), then remove the air cleaner housing cover (C) and air cleaner element assembly (D).





8. 2000-2005 models: Disconnect the control solenoid valve connector (A) and vacuum hoses (B), then remove the air cleaner housing (C).





9. 2006 model: Disconnect the intake air temperature (IAT) sensor connector (A) and breather pipe (B), remove the manifold absolute pressure (MAP) sensor harness (C) from the holder, then remove the air cleaner housing cover (D) and air cleaner element assembly (E).





10. 2006 model: Remove IAT sensor harness clamps (A), then remove the air cleaner housing (B).





11. Turn the steering wheel to the straight-ahead position, then remove the key from the ignition switch to lock the steering column. Make a reference mark (A) across the steering joint (B).
12. Loosen the upper steering joint bolt (C), and remove the lower steering joint bolt (D). Disconnect the steering joint from the gear box.
13. Remove the alternator-compressor belt and the alternator.





14. Disconnect the 1P connector (A), then remove the four mounting bolts and the A/C compressor (B). Hang the A/C compressor to the body with a suitable strap.





15. Remove the four exhaust manifold cover mounting bolts.





16. Remove the heat shield (A), then remove the exhaust manifold cover.





17. 2000-2005 models: Remove the upper starter motor mounting bolt (A) and upper intake manifold bracket mounting bolt (B). Disconnect the hose (C) from the suction valve.





18. 2006 model: Remove the upper starter motor mounting bolt (A) and upper intake manifold bracket mounting bolt (B).





19. 2000-2005 models: Disconnect the camshaft position (CMP) sensor A (top dead center (TDC) sensor 1) and CMP sensor B (TDC sensor 2) connectors.





20. 2006 model: Disconnect the camshaft position (CMP) sensor connector.





21. Disconnect the 2P connector (A) from the steering gearbox (B).
22. Disconnect the torque sensor 3P connector (C), and remove the wire harness clamp (D).
23. Raise the vehicle, and make sure it is securely supported.





24. Remove the splash shield.
25. Drain the transmission fluid. Install the drain plug with a new washer.





26. Remove the wire harness (A), ground cable (B), and lower intake manifold bracket mounting bolt, then remove the intake manifold bracket (C).





27. Disconnect the primary heated oxygen sensor (primary HO2S) (sensor 1) (2000-2005 models), the air fuel ratio (A/F) sensor (sensor 1) (2006 model) (A), secondary heated oxygen sensor (secondary HO2S) (sensor 2) (B), and the back-up light switch (C) connectors, then remove the wire harness from the transmission.





28. Remove the three way catalytic converter (TWC) (A) and gaskets (B).





29. Remove the exhaust manifold bracket (A) and the exhaust manifold (B).
30. Remove the propeller shaft.





31. Remove the four shift boot holder mounting bolts.








32. Remove the release fork boot (A), then carefully remove the slave cylinder (B). Do not press the clutch pedal once the slave cylinder has been removed.





33. Pull out the release fork (A) from the release fork hanger. Wedge a shop towel (B) between the opening in the clutch housing and the release fork to hold the release fork in place.





34. Remove the five lower transmission mounting bolts.





35. Place a floor jack under the front subframe and the engine mounting stiffener.
36. Remove the two center mounting bolts.
37. Loosen the four mounting bolts 75 mm (3.0 inch) as shown.
38. Lower the front subframe in until it touches the four loosened mounting bolts.





39. Place the floor jack under the transmission, and remove the three transmission rear mount bolts.





40. Lower the transmission. Disconnect the vehicle speed sensor (VSS) (2000-2005 models) or the output shaft (countershaft) speed sensor (2006 model) connector (A), then remove the wire harness (B) from the transmission.





41. Remove the three upper transmission mounting bolts.
42. Pull the transmission away from the engine until it clears the mainshaft, then lower the transmission on the jack.





43. Remove the transmission rear mount from the transmission.