Curiosii for ever!: Car repair manuals for everyone.

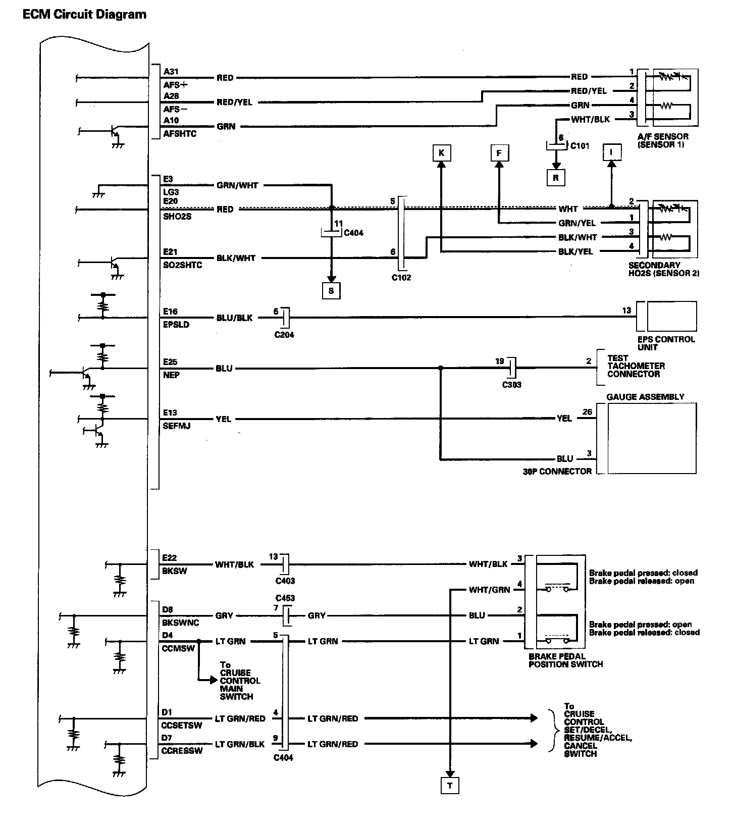
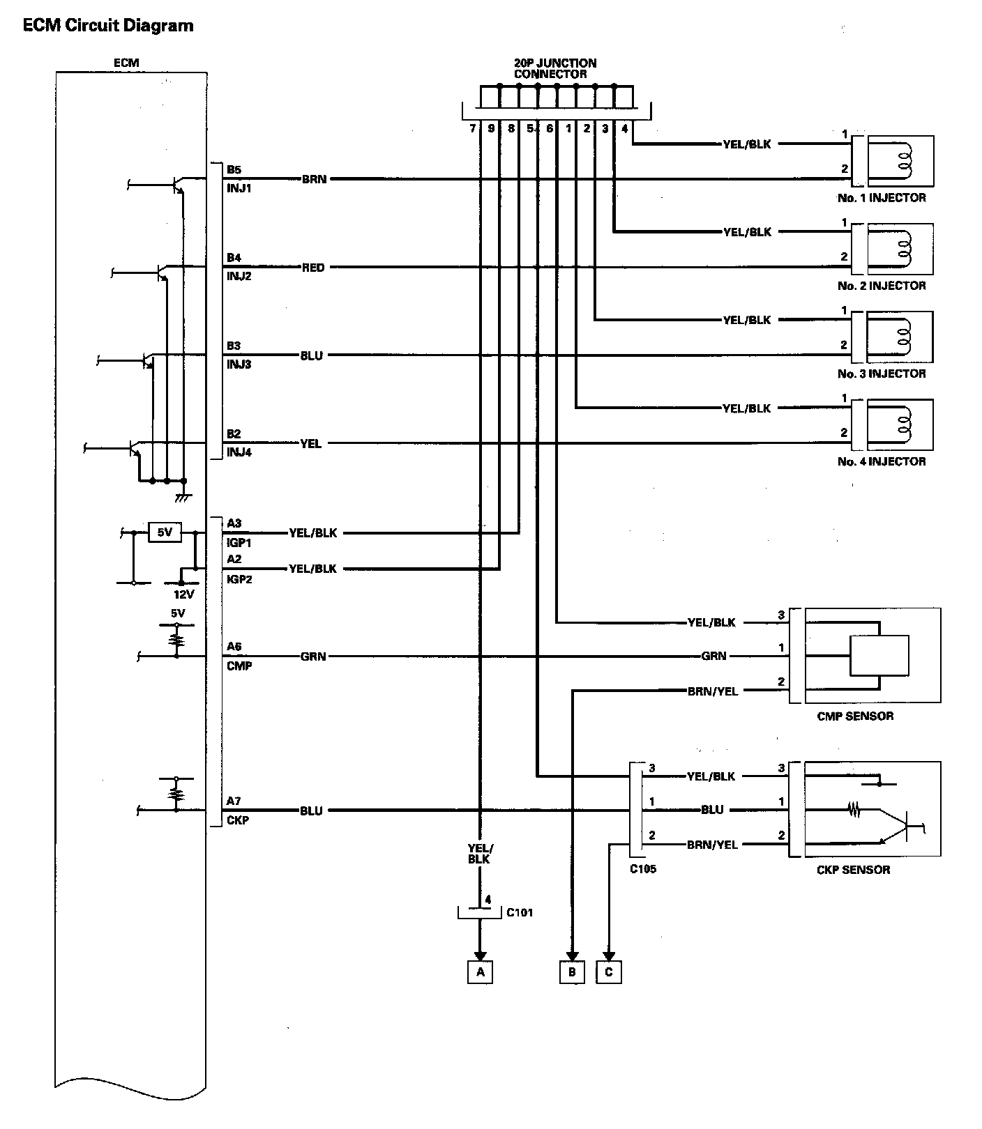
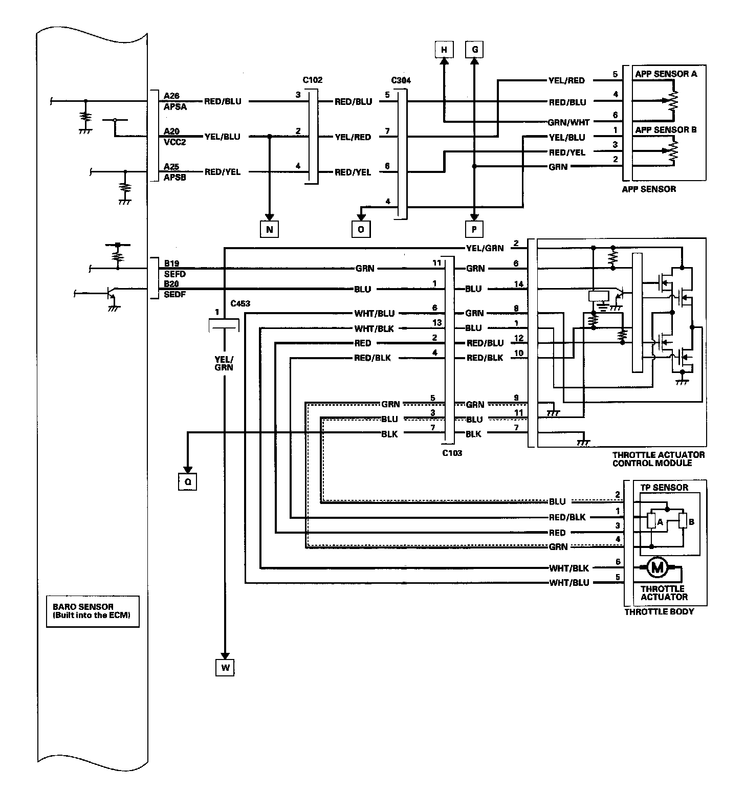
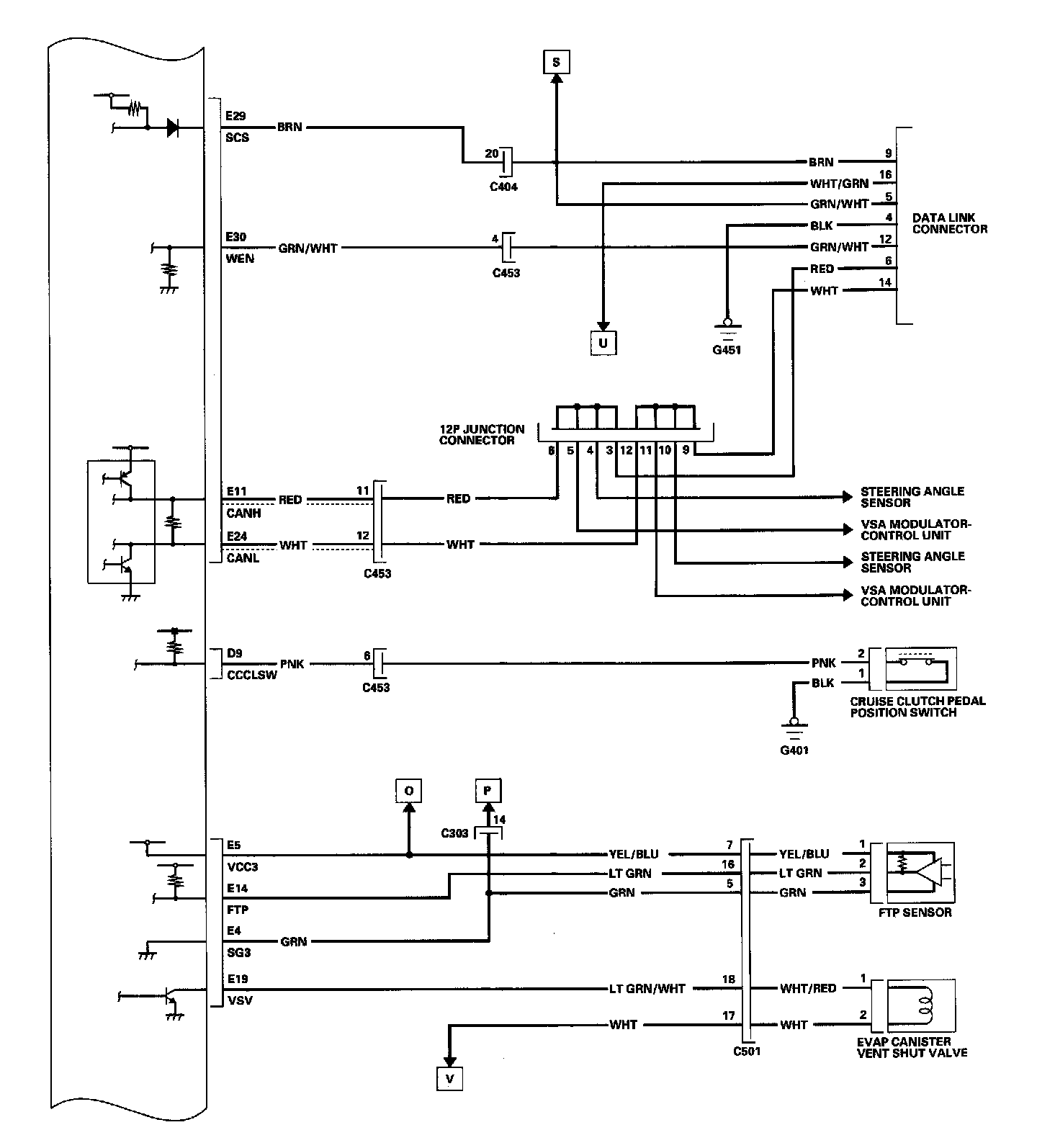
ECM Circuit Diagrams

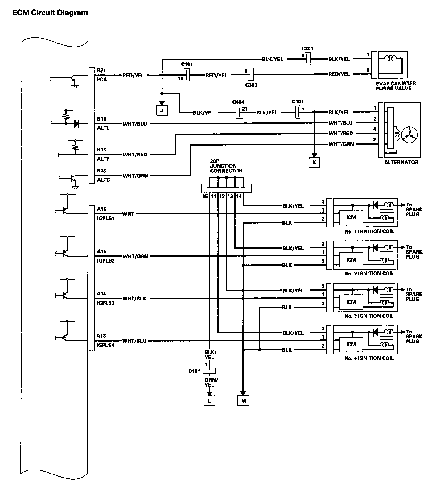
ECM Circuit Diagram 11-245:



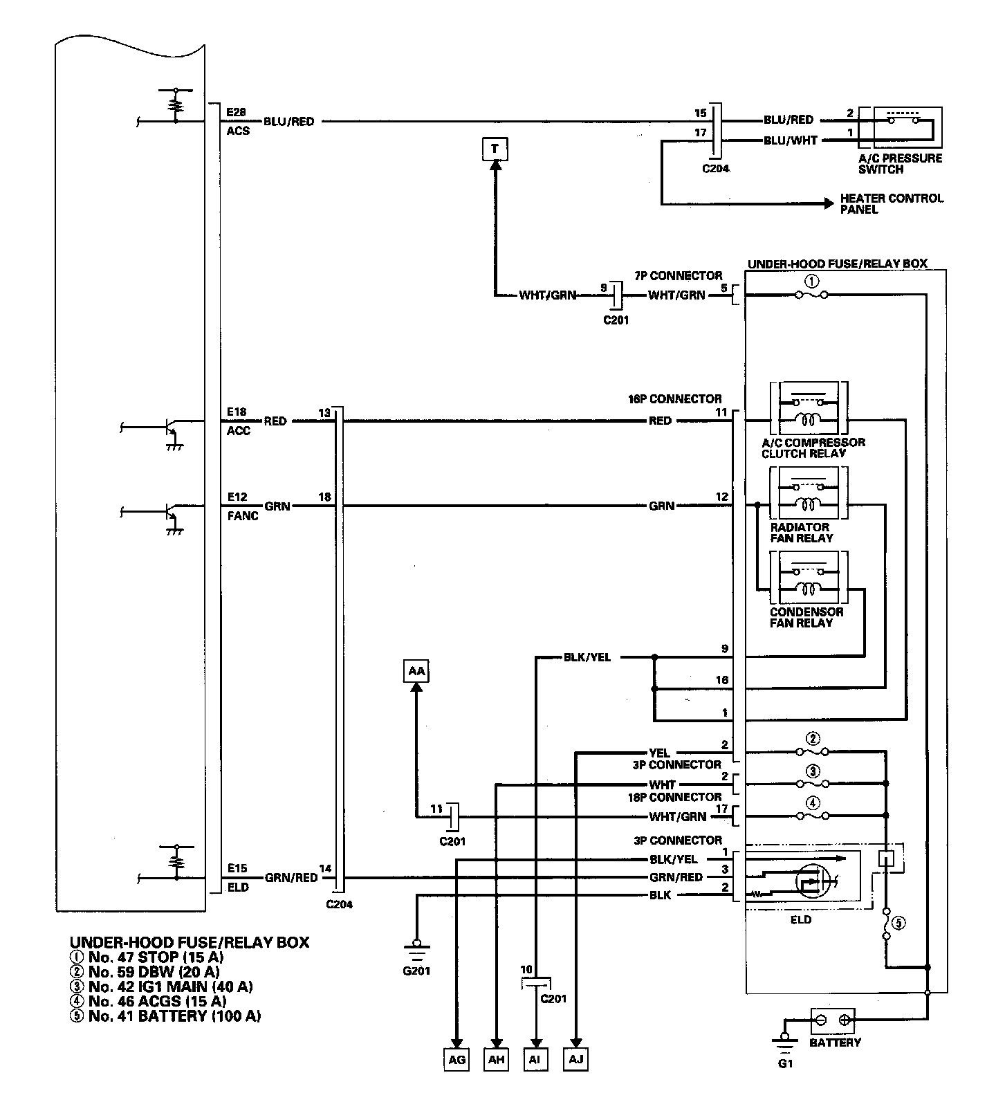
ECM Circuit Diagram 11-246:



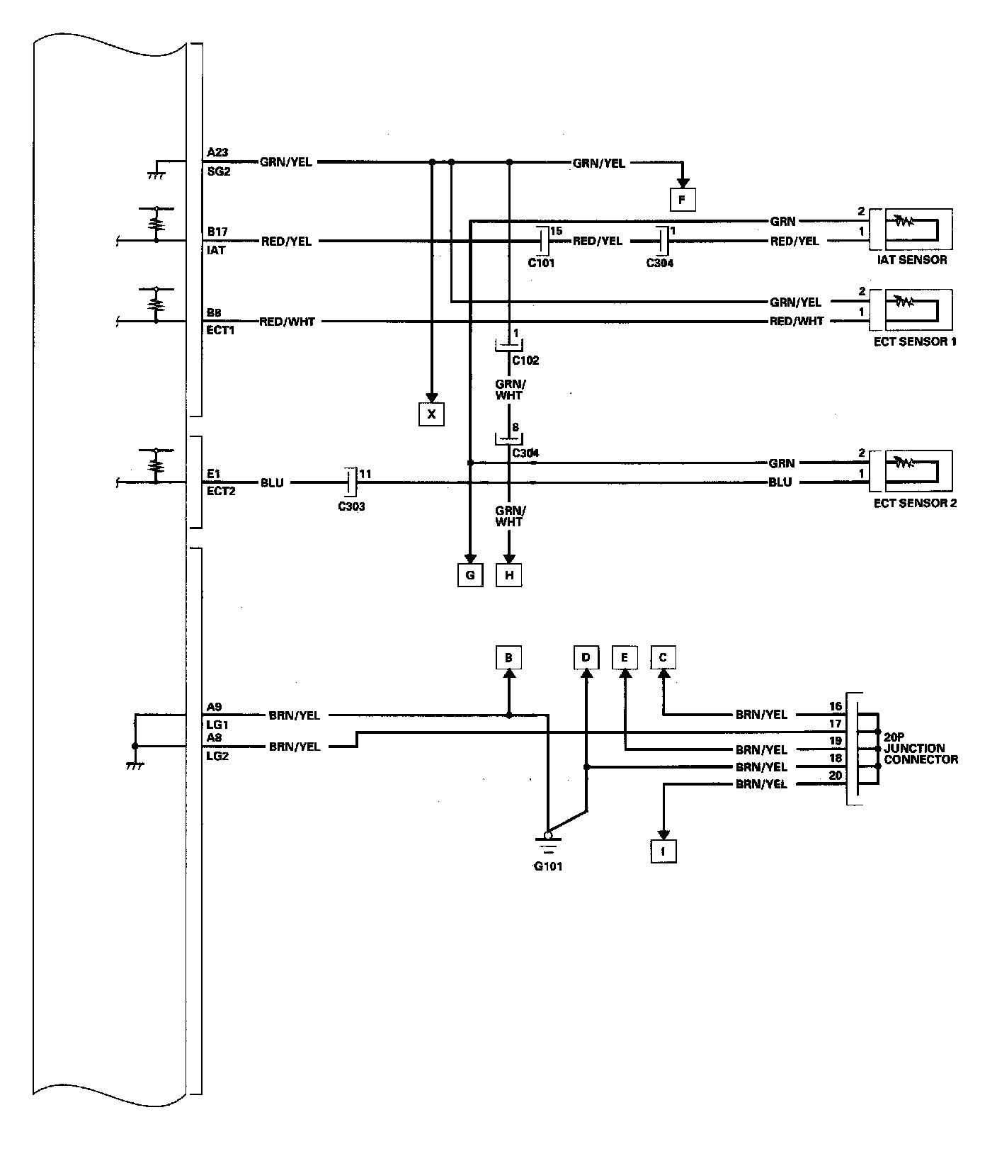
ECM Circuit Diagram 11-247:



ECM Circuit Diagram 11-248:



ECM Circuit Diagram 11-249:



ECM Circuit Diagram 11-250:



ECM Circuit Diagram 11-251:



ECM Circuit Diagram 11-252:



ECM Circuit Diagram 11-253:



ECM Circuit Diagram 11-254: