Master Switch Test/Replacement
Master Switch Test/Replacement4-door
1. Carefully pry out the master switch (A).
2. Disconnect the 22P connector (B) from the power window master switch.
3. Check for continuity between the terminals in each switch position according to the tables.
Driver's Switch (With AUTO UP/AUTO DOWN)
The driver's switch is combined with the control unit, so you cannot isolate the switch to test it. Instead, run the master switch input test procedures. If the tests are normal, the driver's switch must be faulty. Replace the switch.
4. If the continuity is not as specified, remove the screws and replace the switch.
5. Install the switch in the reverse order of removal.
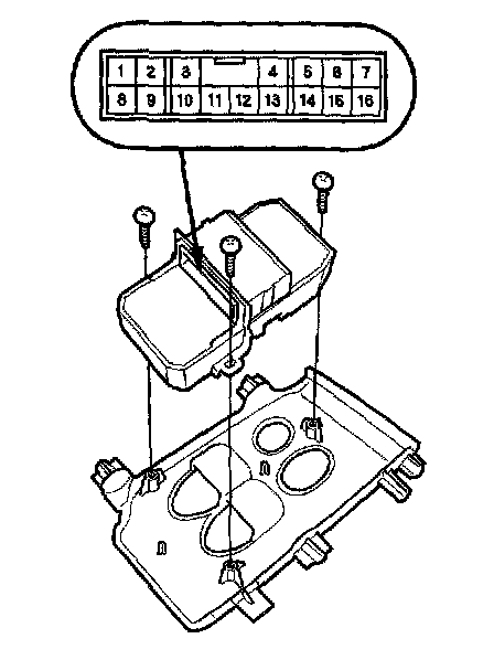
2-door
1. Remove the power window master switch, and disconnect the 16P connector from the switch.
2. Check for continuity between the terminals in each switch position according to the table.
Driver's Switch (With AUTO UP/AUTO DOWN)
The driver's switch is combined with the control unit, so you cannot isolate the switch to test it. Instead, run the master switch input test procedures. If the tests are normal, the driver's switch must be faulty.
3. If the continuity is not as specified, remove the screws and replace the switch.
4. Install the switch in the reverse order of removal.