Curiosii for ever!
: Car repair manuals for everyone.
Home
>>
Honda
>>
2006
>>
Civic Si L4-2.0L
>>
Repair and Diagnosis
>>
Specifications
>>
Mechanical Specifications
>>
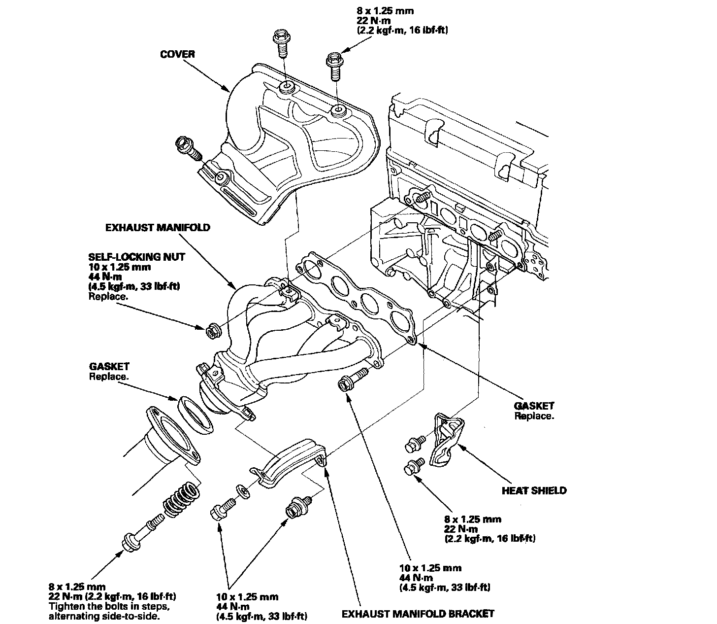
Exhaust Manifold
Exhaust Manifold
Install the
exhaust manifold
and tighten the bolts and nuts in a crisscross pattern in two or three steps, beginning with the inner bolt.