Curiosii for ever!: Car repair manuals for everyone.

Engine Installation

Engine Installation

Special Tools Required
^ Engine hanger plate 07AAK-SNAA120
^ Engine hanger adapter VSB02C000015 *
^ Front subframe adapter VSB02C000016 *
^ 2006 Civic engine hanger VSB02C000025 *
^ Engine support hanger, A and Reds AAR-T-12566 *
* : Available through Honda Tool and Equipment Program, 888-424-6857

1. Install the accessory brackets and tighten their bolts to the specified torques.





2. Raise the vehicle on the hoist, and position the engine/transmission assembly under the vehicle. Lower the vehicle, and attach the special tool and chain hoist to the engine, then lift the engine into position in the vehicle.

NOTE: Reinstall the mounting bolts/support nuts in the sequence given in the following steps. Failure to follow this sequence may cause excessive noise and vibration, and reduce engine mount life.





3. Attach the special tool to the threaded hole in the cylinder head.





4. Install the front leg assembly (A), hook (B), and wing nut (C) from an A and Reds engine support hanger (AAR-T-12566) onto the engine hanger. Carefully position the engine hanger on the vehicle, and attach the hook to the forward hole in the engine hanger adapter (A) Tighten the wing nut by hand to lift and support the engine/transmission assembly.

NOTE: Be careful when working around the windshield.





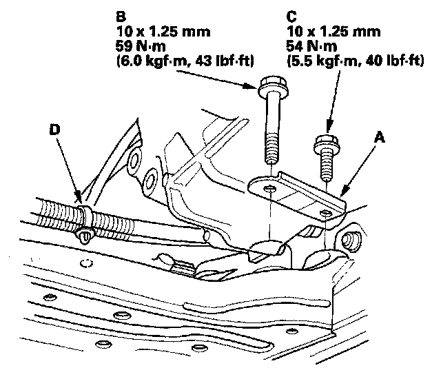
5. Loosen the upper torque rod mounting bolt (A).





6. Tighten the new side engine mount bracket mounting bolt and nut.





7. Tighten the new transmission mounting bolt and nuts.





8. Remove the chain hoist.
9. Remove the special tool.





10. Raise the vehicle on the hoist.
11. Set the front subframe adapter (A) to the subframe and hang the belt of the subframe adapter over the front of the subframe, then secure the belt with its stop.





12. Line up the slots in the arms with the bolt holes on the corner of the jack base, and tighten the bolts, then lift the subframe up to the body.
13. Loosely install the new subframe mounting bolts.





14. Align the front subframe reference marks (A) to the body (B), as noted during removal. Tighten the bolts on the front subframe to the specified torque.





15. Remove the jack and front subframe adapter.
16. Tighten the new mid-stiffener mounting bolts on both side.





17. Install the lower torque rod, then tighten the new lower torque rod mounting bolts in the numbered sequence shown.





18. Loosely tighten the new front mount mounting bolt (A), then install the lower radiator hose to the clamp (B).





19. Lower the vehicle on the hoist.
20. Remove the special tools from the engine and vehicle.
21. Tighten the upper torque rod mounting bolt.





22. Raise the vehicle on the hoist to full height.
23. Tighten the front mount mounting bolt.





24. Install the A/C compressor (A), then connect the A/C compressor clutch connector (B).





25. Install the stiffener (A), then tighten the steering gearbox mounting bolt (B) and stiffener mounting bolt (C).





26. Install the harness clamp (D) to the subframe.
27. Install the steering gearbox bracket (A).





28. Install the stiffener (B), then tighten the steering gearbox mounting bolt (C) and stiffener mounting bolt (D).
29. Install a new set ring on the end of each driveshaft, then install the driveshafts. Make sure each ring "clicks" into place in the differential and intermediate shaft.
30. Connect the lower arms to the knuckles.
31. Connect the stabilizer links.
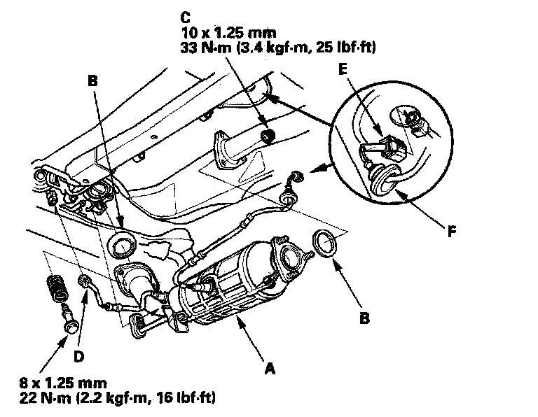
32. Install the three way catalytic converter (TWC) (A). Use new gaskets (B) and new self-locking nuts (C).





33. Connect the air fuel ratio (A/F) sensor connector (D).
34. Connect the secondary heated oxygen sensor (secondary HO2S) connector (E), then install the grommet (F).
35. Install the splash shield.





36. Lower the vehicle on the hoist.
37. Install the heater hoses.





38. Install the radiator.
39. Install the idler pulley base.
40. Install the drive belt.
41. Install the air cleaner housing bracket.





42. Install the shift cable.
43. Install the clutch slave cylinder, and clutch line bracket mounting bolt.
44. Connect the fuel feed hose, then install the quick-connect fitting cover (A).





45. Install the evaporative emission (EVAP) canister hose (A) and brake booster vacuum hose (B).





46. Install the intake manifold cover.





47. Connect the engine control module (ECM) connectors (A) and engine wire harness connector (B).





48. Install the harness clamps (C).
49. Install the ECM (A), then install the ECM cover (B).





50. Install the battery cables (A) to the under-hood fuse/relay box.





51. Install the harness clamp (B).
52. Install the resonator (A).





53. Connect the connector (B), and install the harness clamp (C).
54. Install the under-cowl panel.
55. Install the air cleaner housing.
56. Install the front wheels.
57. Install the battery. Clean the battery posts and cable terminals with sandpaper, then assemble them, and apply grease to prevent corrosion.
58. Check that the transmission shifts into gear smoothly.
59. Inspect for fuel leaks: Turn the ignition switch ON (II) (do not operate the starter) so the fuel pump runs for about 2 seconds and pressurizes the fuel line. Repeat this operation two or three times, then check for fuel leakage at any point in the fuel line.
60. Refill the engine with engine oil.
61. Refill the transmission with fluid.
62. Refill the radiator with engine coolant, and bleed air from the cooling system with the heater valve open.
63. Do the ECM reset procedure.
64. Do the crankshaft position (CKP) pattern clear/CKP pattern learn procedure.
65. Inspect the idle speed.
66. Inspect the ignition timing.
67. Check the wheel alignment.
68. Do the power window control unit reset procedure.
69. Enter the anti-theft code for the radio or the navigation system, then enter the customer's audio presets.
70. Set the clock.