Curiosii for ever!
: Car repair manuals for everyone.
Home
>>
Honda
>>
2006
>>
Civic Si L4-2.0L
>>
Repair and Diagnosis
>>
Diagrams
>>
Electrical Diagrams
>>
Powertrain Management
>>
System Diagram
>>
Control Module Circuit Diagrams
>>
ECM/PCM Electrical Connections
ECM/PCM Electrical Connections
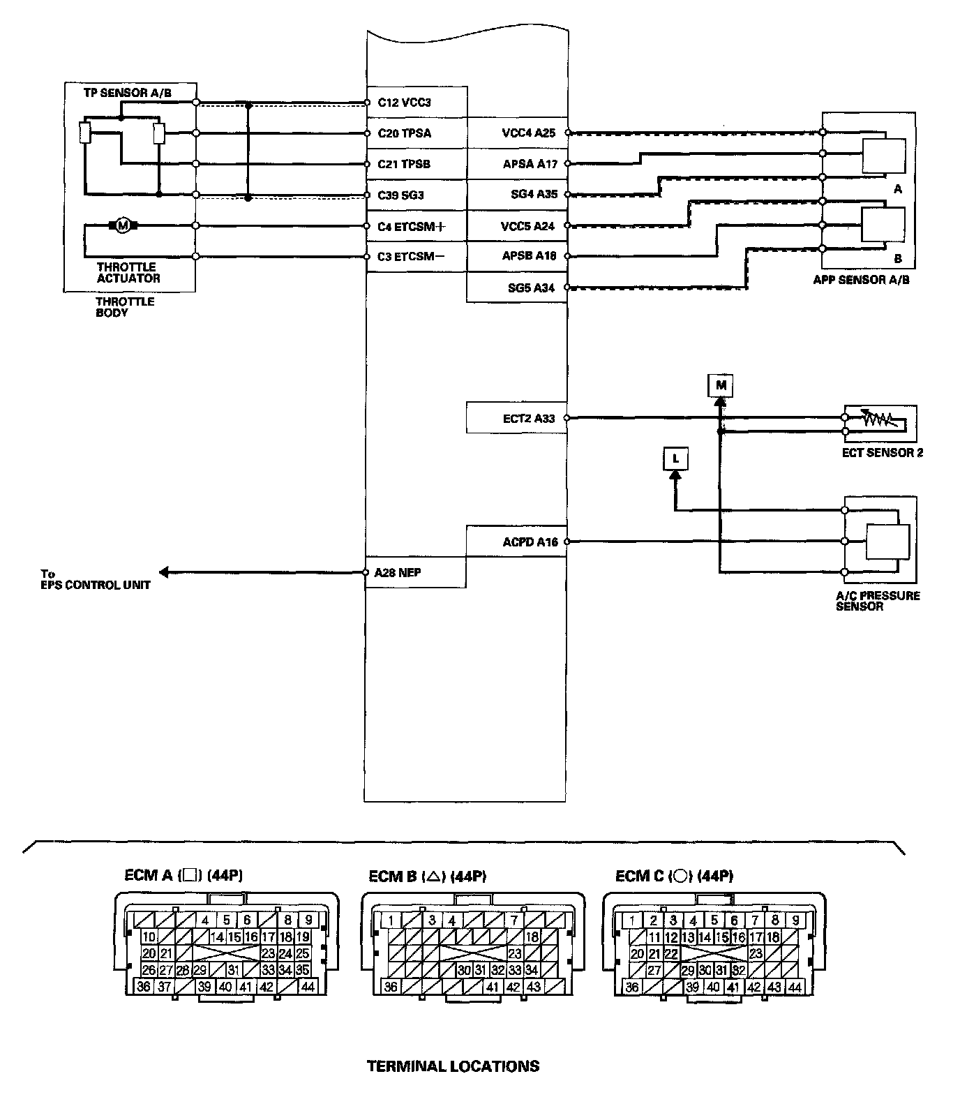
ECM Electrical Connections Part 1:
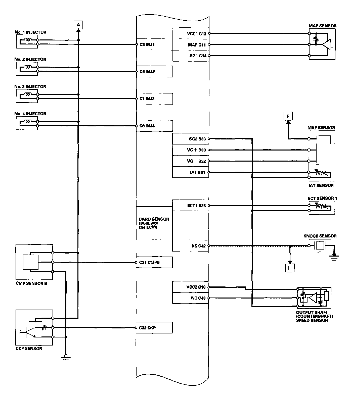
ECM Electrical Connections Part 2:
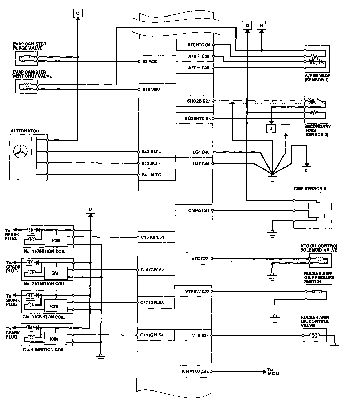
ECM Electrical Connections Part 3:
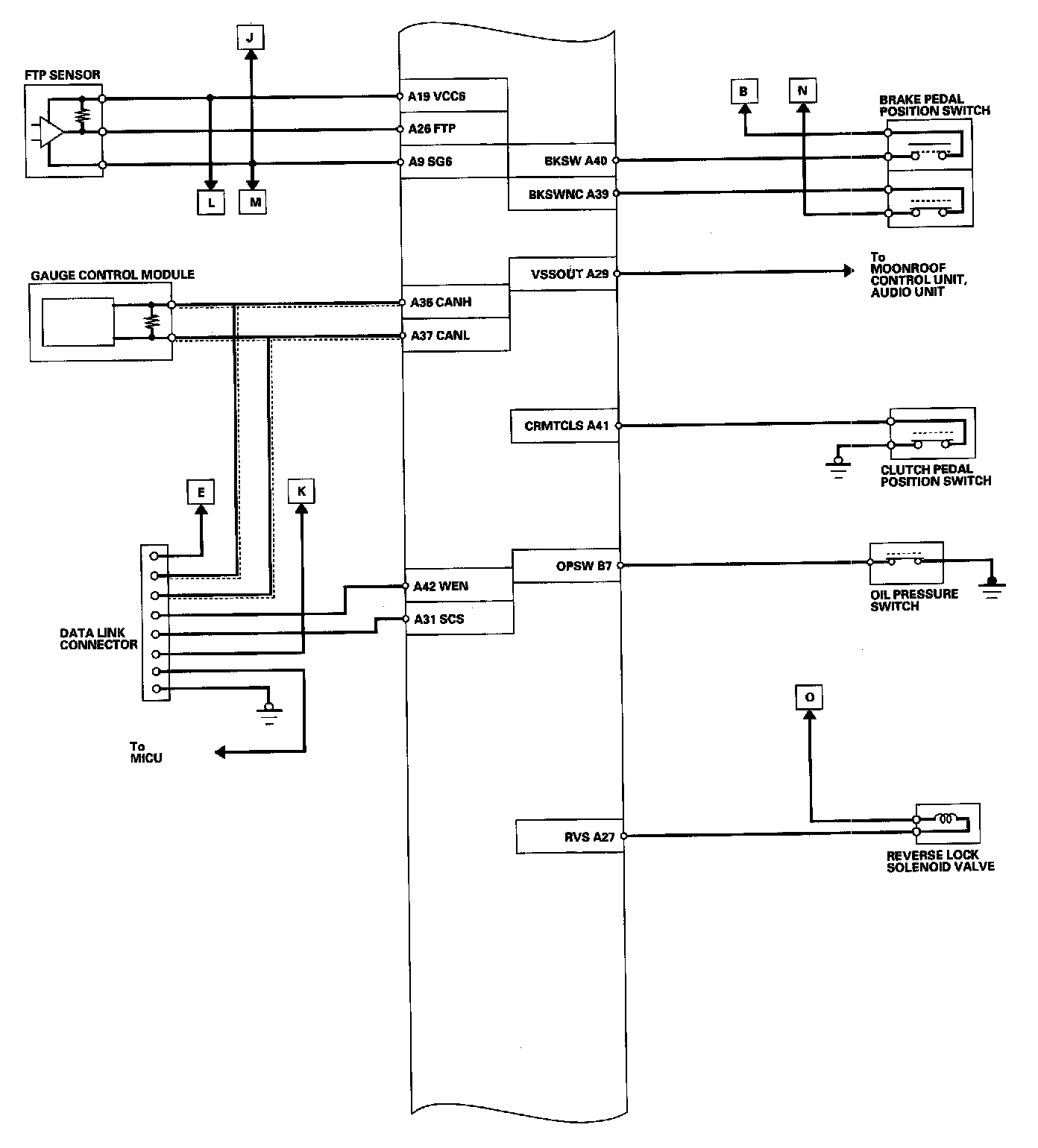
ECM Electrical Connections Part 4:
ECM Electrical Connections Part 5: