Curiosii for ever!: Car repair manuals for everyone.

Keyless Entry

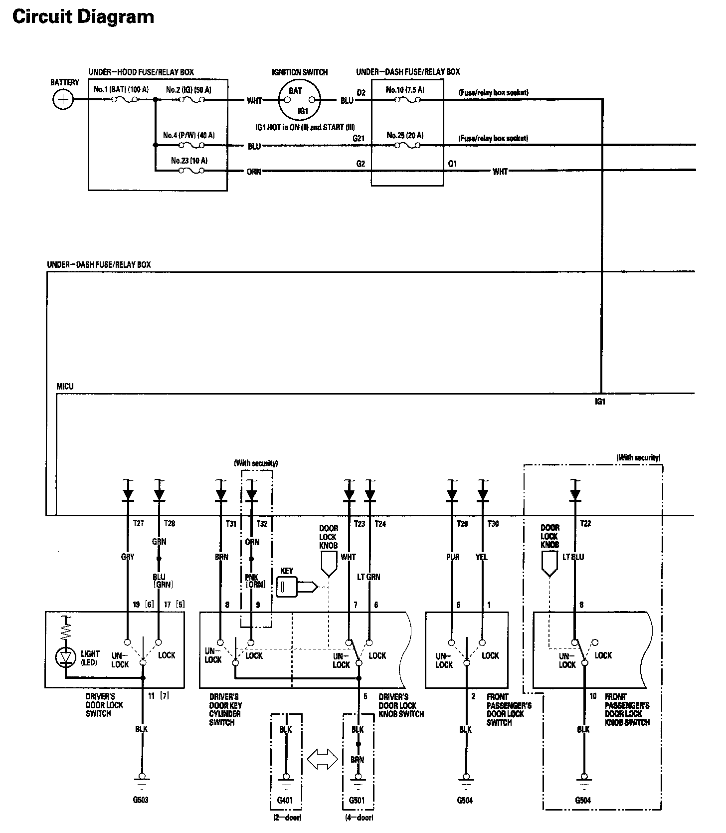
Keyless/Power Door Locks/Security System - Circuit Diagram Part 1:



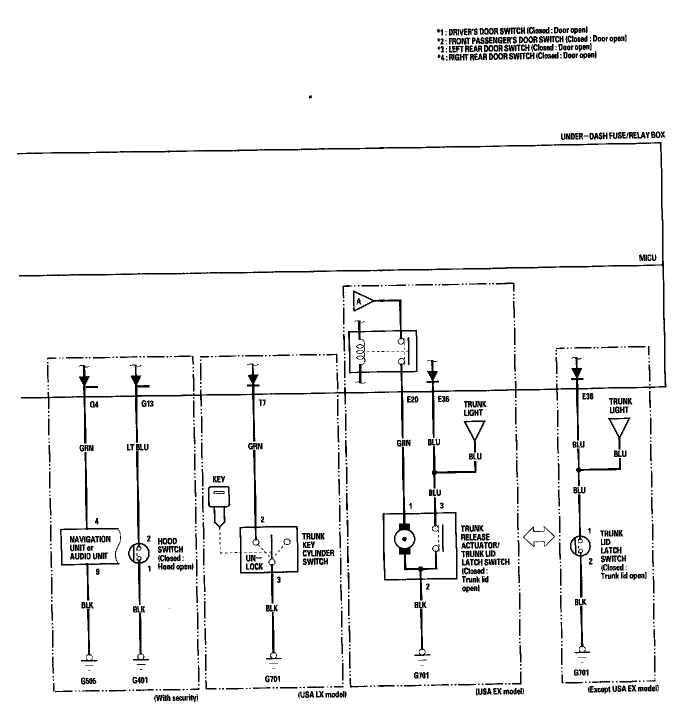
Keyless/Power Door Locks/Security System - Circuit Diagram Part 2:



Keyless/Power Door Locks/Security System - Circuit Diagram Part 3:



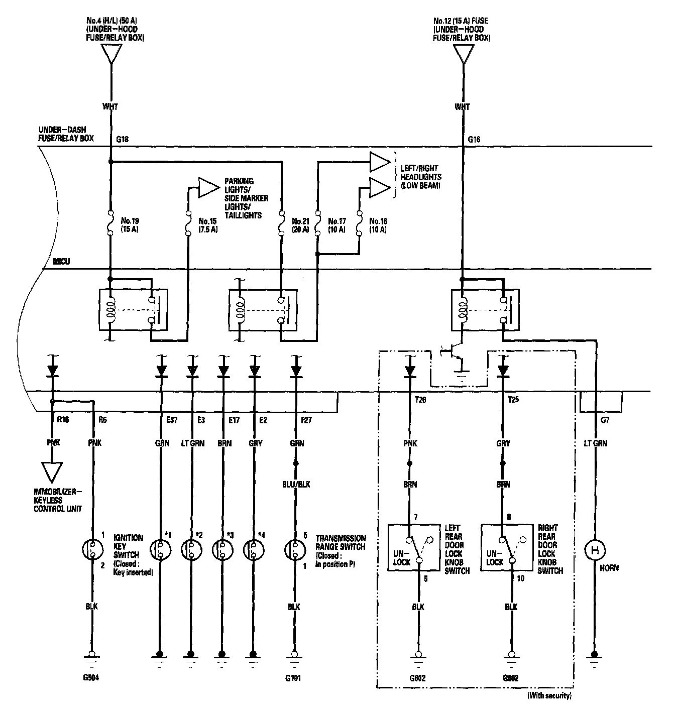
Keyless/Power Door Locks/Security System - Circuit Diagram Part 4: