Curiosii for ever!: Car repair manuals for everyone.

Overhaul

Starter Overhaul

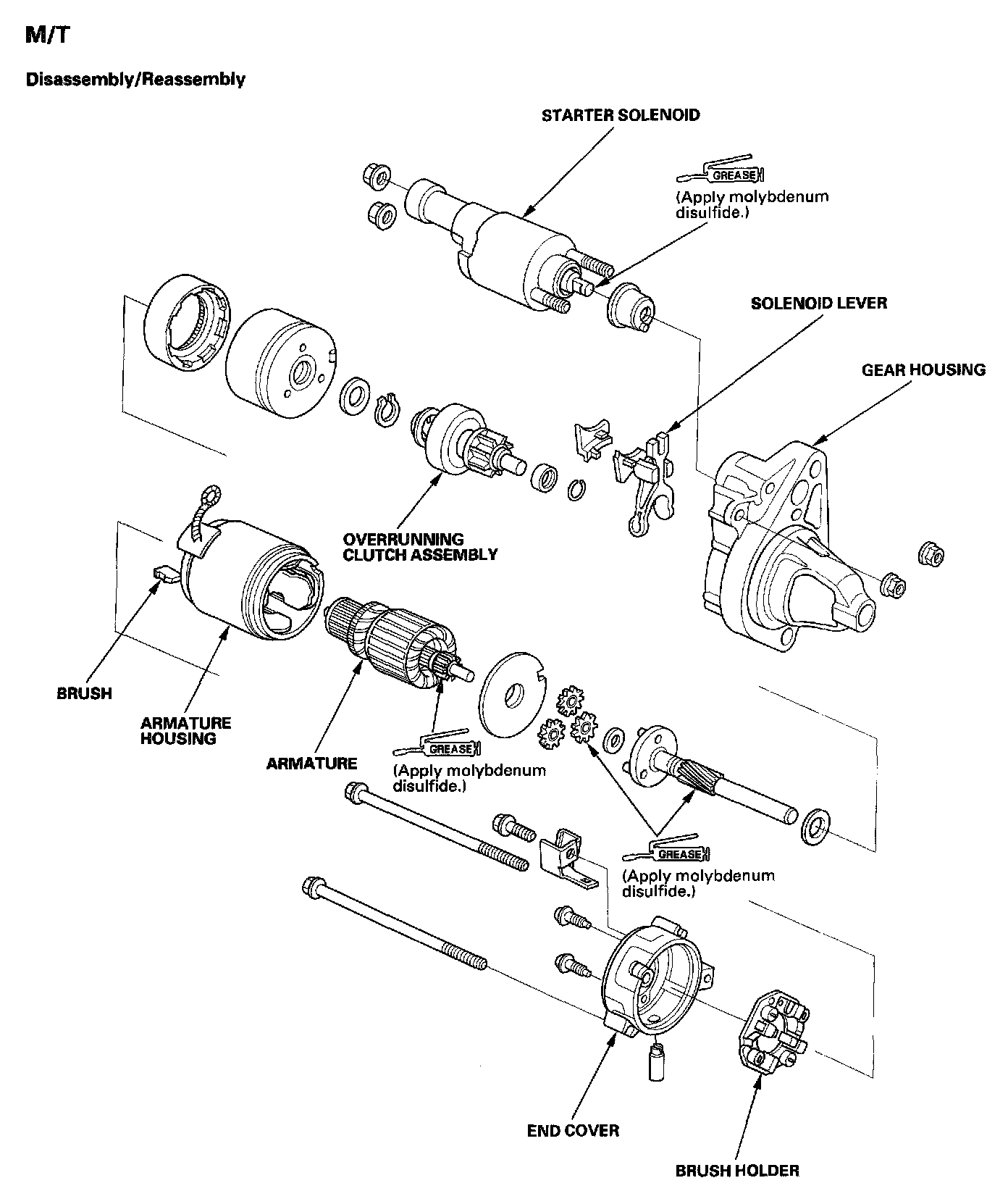
M/T




Disassembly/Reassembly

Armature Inspection and Test

1. Remove the starter.
2. Disassemble the starter as shown at the beginning of this procedure.




3. Inspect the armature for wear or damage from contact with the permanent magnet. If there is wear or damage, replace the armature.




4. Check the commutator (A) surface. If the surface is dirty or burnt, resurface with emery cloth or a lathe within the following specifications, or recondition with #500 or #600 sandpaper (B).




5. Check the commutator diameter. If the diameter is below the service limit, replace the armature.




6. Measure the commutator (A) runout.
- If the commutator runout is within the service limit, check the commutator for carbon dust or brass chips between the segments.
- If the commutator runout is not within the service limit, replace the armature.




7. Check the mica depth (A). If the mica is too high (B), undercut the mica with a hacksaw blade to the proper depth. Cut away all the mica (C) between the commutator segments. The undercut should not be too shallow, too narrow, or V-shaped (D).




8. Check for continuity between the segments of the commutator. If there is an open circuit between any of the segments, replace the armature.




9. Place the armature (A) on an armature tester (B). Hold a hacksaw blade (C) on the armature core. If the blade is attracted to the core or vibrates while the core is turned, the armature is shorted. Replace the armature.




10. Check with an ohmmeter for continuity between the commutator (A) and armature coil core (B), and between the commutator and armature shaft (C). If there is continuity, replace the armature.

Starter Brush Inspection




11. Measure the brush length. If it is not within the service limit, replace the brush holder assembly.

Starter Field Winding Test




12. Check for continuity between the brushes (A). If there is no continuity, replace the armature housing (B).
13. Check for continuity between each brush (A) and the armature housing (B). If there is continuity, replace the armature housing.

Starter Brush Holder Test




14. Check for continuity between the (+) brush holder (A) and (-) brush holder (B). If there is continuity, replace the brush holder assembly.

Brush Spring Inspection




15. Insert the brush (A) into the brush holder, and bring the brush into contact with the commutator, then attach a spring scale (B) to the spring (C). Measure the spring tension at the moment the spring lifts off the brush.

Overrunning Clutch Inspection




16. Slide the overrunning clutch (A) along the shaft. Replace it, if it does not slide smoothly.
17. Hold the drive gear (B), and turn the overrunning clutch in the direction shown to make sure it turns freely. Also make sure the overrunning clutch locks in the opposite direction.
18. If the starter drive gear is worn or damaged, replace the overrunning clutch assembly; the gear is not available separately. Check the condition of the flywheel or torque converter ring gear if the starter drive gear teeth are damaged.

Starter Reassembly




19. Pry back each brush spring with a screwdriver, then position the brush about halfway out of its holder, and release the spring to hold it there.

NOTE: To seat new brushes, slip a strip of # 500 or # 600 sandpaper, with the grit side up, between the commutator and each brush, and smoothly turn the armature. The contact surface of the brushes will be sanded to the same contour as the commutator.




20. Install the armature in the housing, and install the brush holder. Next, pry back each brush spring again, and push the brush down until it seats against the commutator, then release the spring against the end of the brush.
21. Install the starter end cover to retain the brush holder.

A/T




Disassembly/Reassembly

Armature Inspection and Test

1. Remove the starter.
2. Disassemble the starter as shown at the beginning of this procedure.




3. Inspect the armature for wear or damage from contact with the permanent magnet. If there is wear or damage, replace the armature.




4. Check the commutator (A) surface. If the surface is dirty or burnt, resurface with emery cloth or a lathe within the following specifications, or recondition with #500 or #600 sandpaper (B).




5. Check the commutator diameter. If the diameter is below the service limit, replace the armature.




6. Measure the commutator (A) runout.
- If the commutator runout is within the service limit, check the commutator for carbon dust or brass chips between the segments.
- If the commutator runout is not within the service limit, replace the armature.




7. Check the mica depth (A). If the mica is too high (B), undercut the mica with a hacksaw blade to the proper depth. Cut away all the mica (C) between the commutator segments. The undercut should not be too shallow, too narrow, or V-shaped (D).




8. Check for continuity between the segments of the commutator. If there is an open circuit between any of the segments, replace the armature.




9. Place the armature (A) on an armature tester (B). Hold a hacksaw blade (C) on the armature core. If the blade is attracted to the core or vibrates while the core is turned, the armature is shorted. Replace the armature.




10. Check with an ohmmeter for continuity between the commutator (A) and armature coil core (B), and between the commutator and armature shaft (C). If there is continuity, replace the armature.

Starter Brush Inspection




11. Measure the brush length. If it is shorter than the service limit, replace the brush holder assembly.

Starter Brush Holder Test




12. Check for continuity between the (+) brush (A) and (-) brush (B). If there is continuity, replace the brush holder assembly.

Planetary Gear Inspection




13. Check the planetary gears (A) and ring gear (B). Replace them if they are worn or damaged.

Overrunning Clutch Inspection




14. While holding the drive gear (A), turn the gear shaft (B) counterclockwise. Check that the drive gear comes out to the other end. If the drive gear does not move smoothly, replace the gear cover assembly.
15. While holding the drive gear, turn the gear shaft clockwise. The gear shaft should turn freely. If the gear shaft does not turn freely, replace the gear cover assembly.
16. If the starter drive gear is worn or damaged, replace the overrunning clutch assembly; the gear is not available separately.

Check the condition of the torque converter ring gear to see if the starter drive gear teeth are damaged.

Starter Reassembly




17. Install the brush into the brush holder, and set the armature (A) in the brush holder (B).

NOTE: To seat the new brushes, slip a strip of # 500 or # 600 sandpaper, with the grit side up, between the commutator and each brush, and smoothly turn the armature. The contact surface of the brushes will be sanded to the same contour as the commutator.

18. While squeezing a spring (C), insert it in the hole on the brush holder, and push it until it bottoms. Repeat this for the other three springs (D, E, and F).
19. Install the armature and brush holder assembly into the housing.

NOTE: Make sure the armature stays in the holder.