Curiosii for ever!: Car repair manuals for everyone.

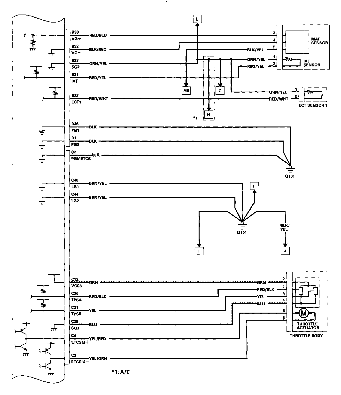
ECM/PCM Circuit Diagrams

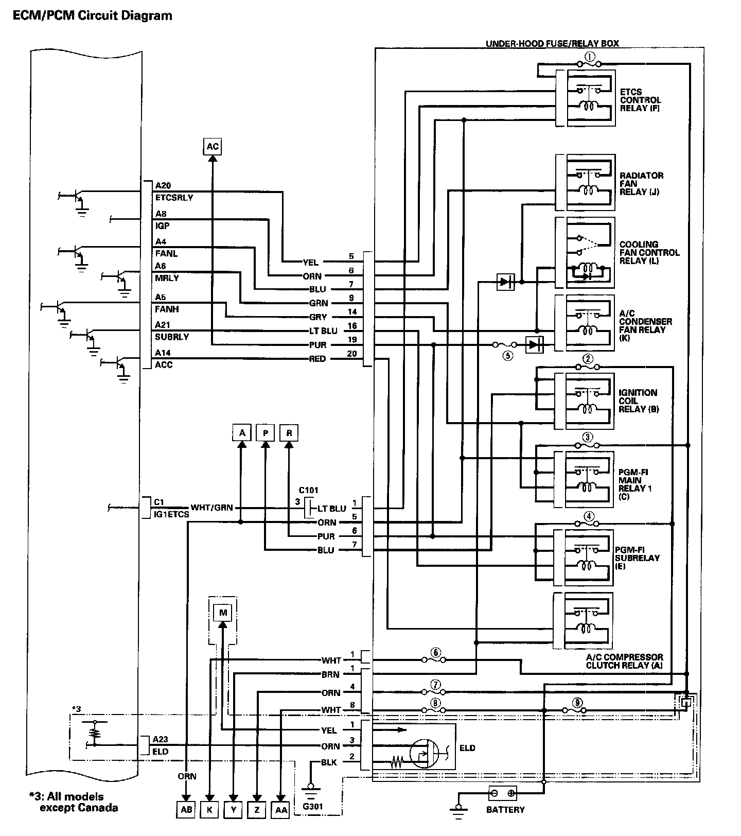
ECM/PCM Circuit Diagram 11-45:



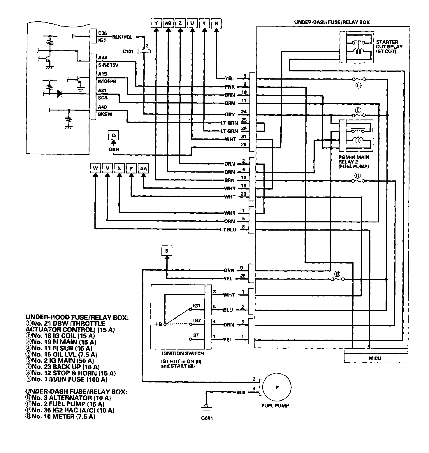
ECM/PCM Circuit Diagram 11-46:



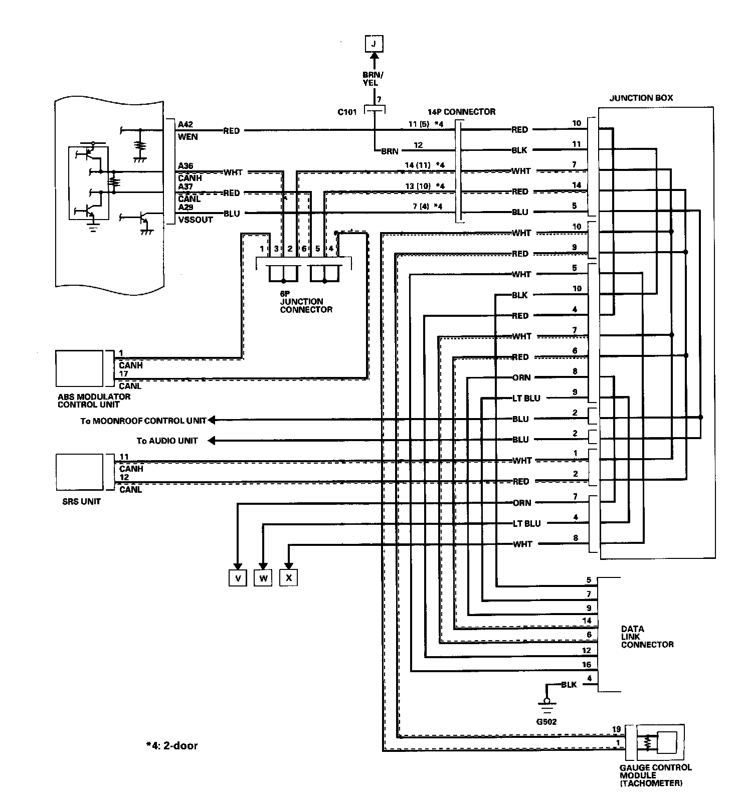
ECM/PCM Circuit Diagram 11-47:



ECM/PCM Circuit Diagram 11-48:



ECM/PCM Electric Diagram 11-49:



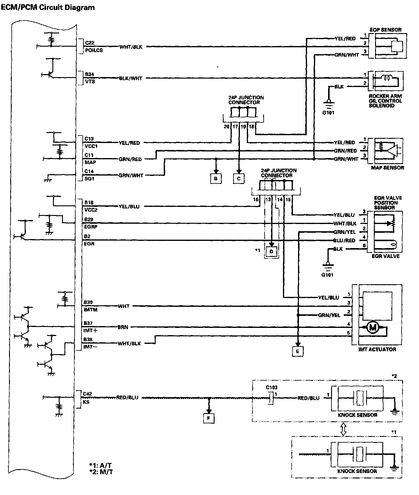
ECM/PCM Circuit Diagram 11-50:



ECM/PCM Electric Diagram 11-51:



ECM/PCM Circuit Diagram 11-52:



ECM/PCM Electric Diagram 11-53:



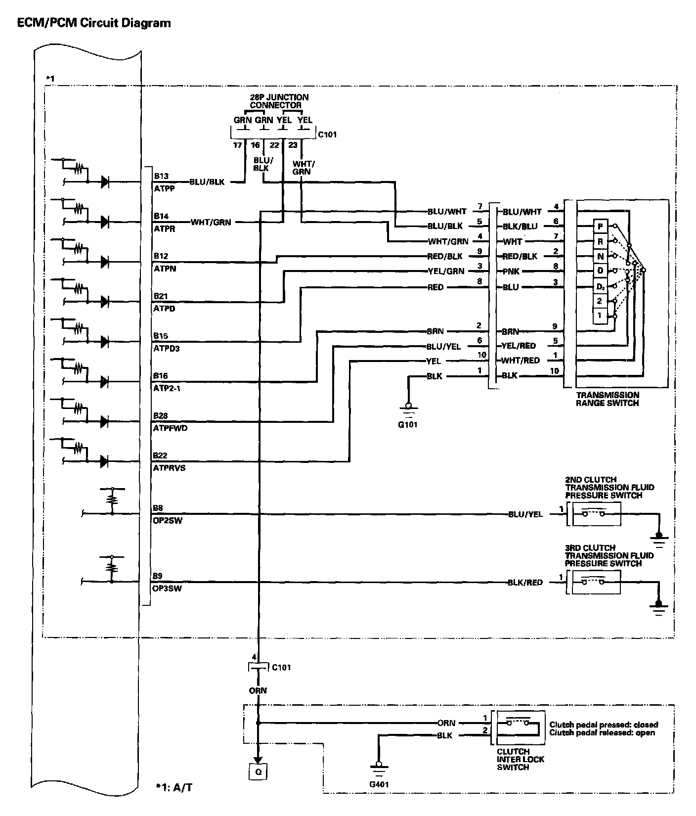
ECM/PCM Circuit Diagram 11-54:



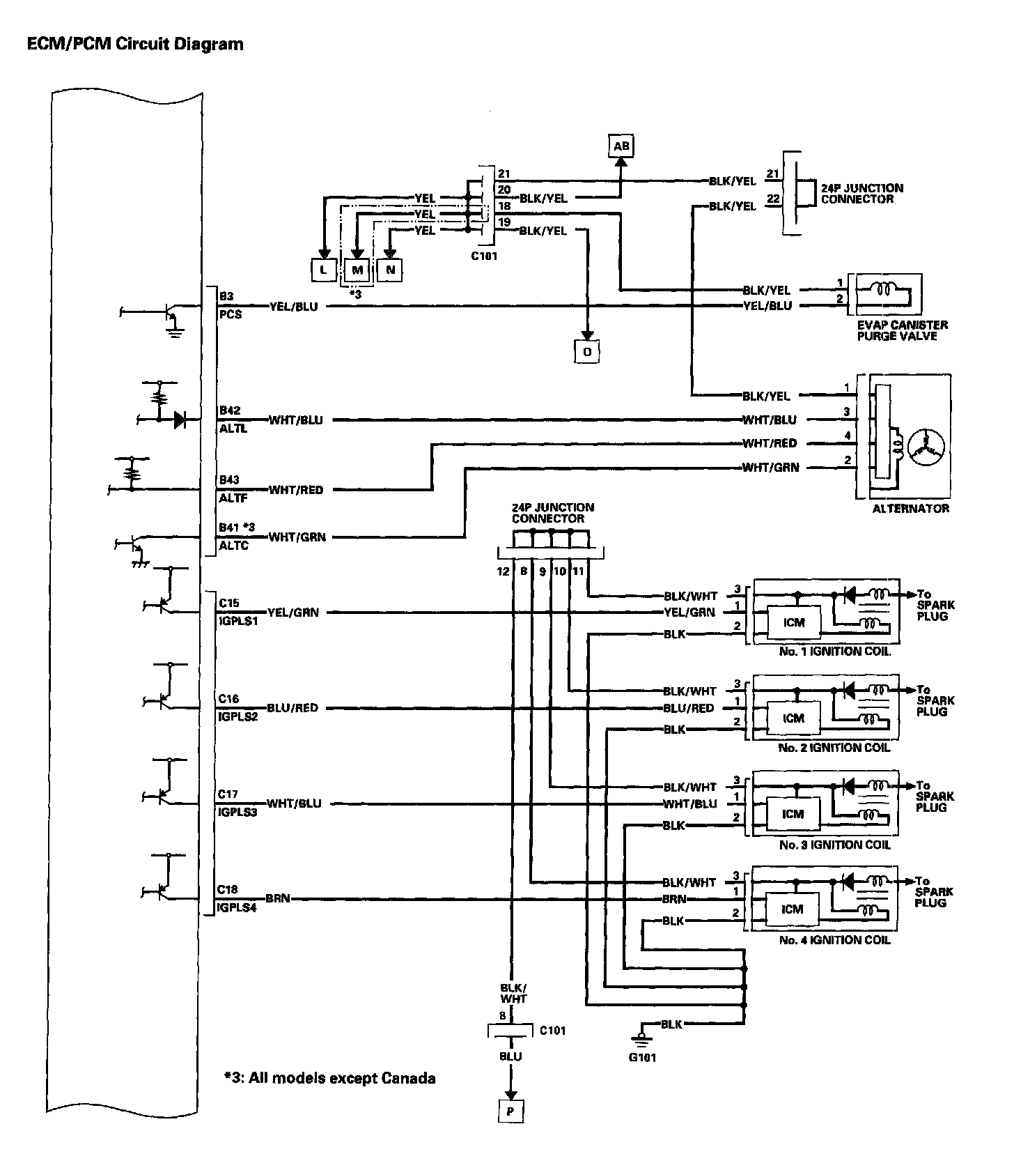
ECM/PCM Circuit Diagram 11-55: