Curiosii for ever!
: Car repair manuals for everyone.
Home
>>
Honda
>>
2006
>>
Civic L4-1.8L
>>
Repair and Diagnosis
>>
Heating and Air Conditioning
>>
Condenser Fan
>>
Locations
>>
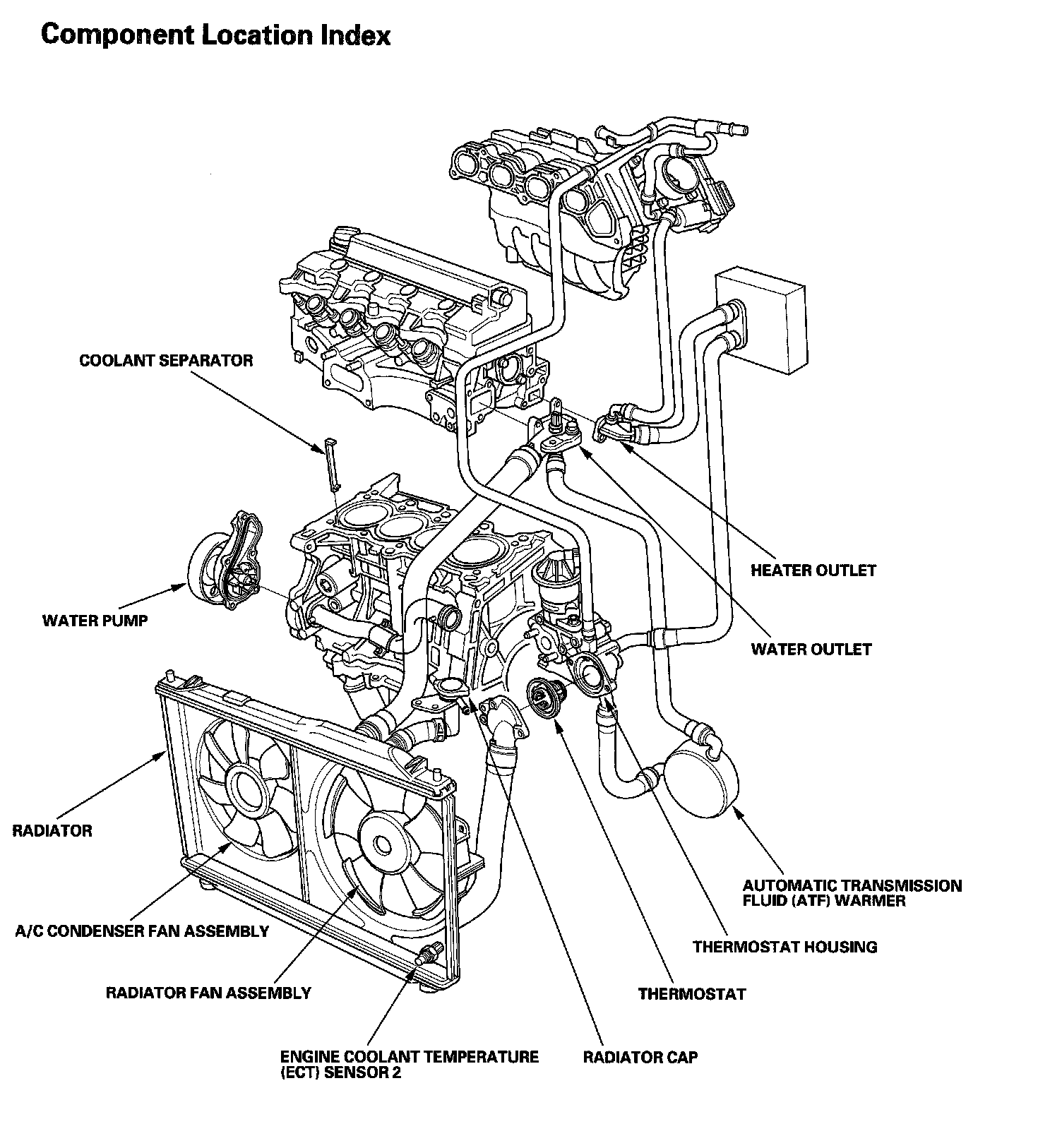
Cooling System Component Location Index
Cooling System Component Location Index
Cooling System Component Location Index: