Curiosii for ever!: Car repair manuals for everyone.

Removal and Installation

Alternator Removal and Installation

Removal

1. Make sure you have the anti-theft code for the radio or the navigation system, then write down the customer's audio presets.
2. Disconnect the negative cable from the battery first, then disconnect the positive cable.
3. Remove the drive belt.




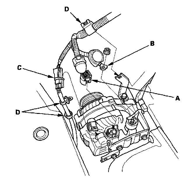
4. Disconnect the alternator connector (A) and BLK wire (B) from the alternator.
5. Remove the harness connector (C) and harness clamps (D) from the alternator.




6. Remove the alternator.

Installation




1. Install the alternator.




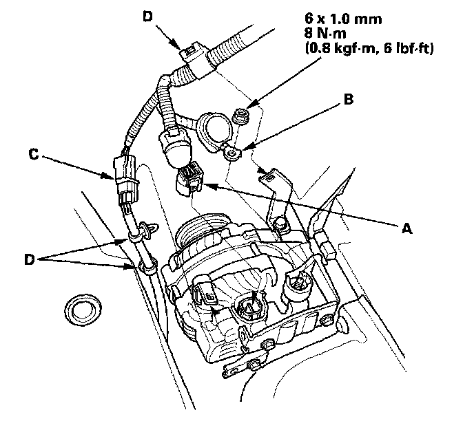
2. Connect the alternator connector (A) and BLK wire (B) to the alternator.
3. Install the harness connector (C) and harness clamp (D) to the alternator.
4. Install the drive belt.
5. Connect the positive cable to the battery first, then connect the negative cable.
6. Enter the anti-theft code for the radio or the navigation system, then enter the customer's audio presets.
7. Set the clock.
8. Do the power window control unit reset procedure.