Curiosii for ever!: Car repair manuals for everyone.

Transmission Installation

Transmission Installation

Special Tools Required
^ Engine hanger adapter VSB02C000015
^ Engine support hanger, A and Reds AAR-T-12566
^ Front subframe adapter VSB02C000016

These special tools are available through the Honda Tool and Equipment Program 1-888-424-6857.

NOTE: Use fender covers to avoid damaging painted surfaces.

1. Clean the ATF cooler.





2. Install the torque converter assembly (A) on the mainshaft (B) with the new O-ring (C).
3. Install the 14 x 20 mm dowel pins (D) in the torque converter housing.
4. Place the transmission on the jack, and raise the transmission to the engine level.





5. Attach the transmission to the engine, then install the rear transmission housing mounting bolts.





6. install the front transmission housing mounting bolts.





7. Install the upper transmission housing mounting bolts.
8. Remove the jack from the transmission.





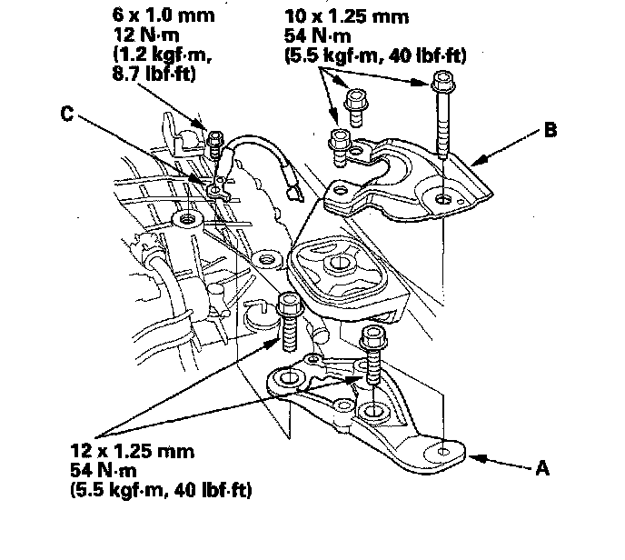
9. Install the front mount bracket with the new bolts.





10. Install the rear mount bracket.





11. Install the new set rings (A) on the right and left driveshafts (B).
12. Install the right and left driveshafts. While installing the driveshafts in the differential, be sure not to allow dust or other foreign particles to enter the transmission.

NOTE:
^ Clean the areas where the driveshafts contact the transmission (differential) with solvent or carburetor cleaner, and dry with compressed air.
^ Turn the right and left steering knuckle fully outward, and slide the driveshafts into the differential until you feel its set ring engages the side gear.

13. Install the driveshaft boot cover bracket (C).
14. Install the driveshaft boot cover (D), but do not tighten the bolts.
15. Tighten the upper right bolt (E) on the cover first, then upper left bolt (F), and lastly the lower left bolt (G).





16. Install the transmission lower mounts.





17. Support the front subframe (A) with the special tool and a jack, and lift it up to body.





18. Loosely install the new subframe mounting bolts (A), and stiffener mounting bolts (B) (C).





19. Loosely install both of the new mid-mounts mounting bolts.





20. Align the reference marks (A) with edge (B) of both rear stiffeners (C), and tighten the rear subframe mounting bolts, then front bolts, and tighten the stiffener bolts to the specified torque.
21. Tighten the mid-mount mounting bolts.





22. Install the transmission lower mount nuts.





23. Attach the shift cable end (A) to the selector control lever (B), then insert the control pin (C) into the control lever hole through the shift cable end, and secure the control pin with the spring clip (D). Do not bend the shift cable excessively.
24. Install the shift cable cover (E), then secure the shift cable holder (F) to the shift cable cover with the three bolts.





25. Attach the torque converter to the drive plate with eight bolts (A). Rotate the crankshaft pulley as necessary to tighten the bolts to 1/2 of the specified torque, then to the final torque, in a crisscross pattern. After tightening the last bolt, check that the crankshaft rotates freely.
26. Install the engine stiffener (B).





27. Connect the power steering pressure switch connector.





28. Install the exhaust pipe A, its mount (B), and new gaskets (C) (D).





29. Install the damper forks (A) with damper pinch bolts (B) and new self-locking nuts (C), then install the ball joints on the lower arms (D) with the castle nuts (E) and new cotter pins (F).
30. Install the tie-rod end ball joint (G) to each knuckle with the nuts (H) and new cotter pins (I).
31. Install the stabilizer links (J) to the lower arms, and install the nuts (K). Insert a 6 mm Allen wrench (L) in the ball joint pin (M), and tighten the nuts.





32. Install the new front mount bolt.
33. Install the front mount stop (A) and vacuum hose clamp bracket (B).
34. Connect the vacuum hose (C) to the vacuum line (D), then install the hose on its clamp (E) at the mark (F).





35. Install the new rear mount bolt.
36. Install the rear mount stop (B).





37. Remove the engine support hanger, and remove the special tool adapter from the engine.





38. Install the transmission upper mount bracket (A), transmission upper mount bracket plate (B), and ground cable (C).





39. Connect the ATF cooler hose (A) to the ATF cooler line (B), and secure it with the clip.
40. Install the ATF cooler hose (C) on the clamp (D), at the mark (E).





41. Connect the ATF cooler hoses (A) to the ATF cooler lines (B), and secure the hoses with the clips.





42. Connect the 3rd clutch transmission fluid pressure switch connector (A), and install the harness clamp (B) on the clamp bracket (C).





43. Connect the shift solenoid harness connector (A), A/T clutch pressure control solenoid valve B connector, and solenoid valve C connector, and install the harness clamp (D) on the clamp bracket (E).





44. Connect the output shaft (countershaft) speed sensor connector (A) and input shaft (mainshaft) speed sensor connector (B).
45. Connect the AF sensor connector (C), then install it on its bracket (D).
46. Connect the transmission range switch connector (E), then install it on its bracket (F).
47. Install the harness clamps (G) on the harness clamp brackets (H).





48. Install the A/T clutch pressure control solenoid valve A connector and 2nd clutch transmission fluid pressure switch connector (B), and install the harness clamps (C) on the harness clamp brackets (D).





49. Install the power steering pump outlet line (A) with a new O-ring (B) to the pump (C), and secure the hose clamp (D) with the bolt.
50. Connect the return hose (E) to the power steering fluid reservoir (F), then secure the hose with its clamp (G).
51. Refill the power steering system with fluid.
52. Refill the transmission with ATF.





53. Connect the steering joint to the steering gearbox pinion shaft (A) by aligning the reference mark (B), and remove the wire (C) from the joint yoke (D).
54. Install the steering joint cover (E).
55. Remove the steering wheel.
56. Center the SRS cable reel and install the steering wheel.
57. Install the battery base.
58. Install the air cleaner housing and intake air duct.
59. Install the battery tray, battery, and battery cover, then secure the battery with its hold-down bracket.
60. Connect the battery terminals.
61. Set the parking brake. Start the engine, and shift the transmission through all gears three times.
62. Check the shift lever operation, A/T gear position indicator operation, and shift cable adjustment.
63. Check and adjust the front wheel alignment.
64. Install the splash shield.
65. Start the engine in, the P or N position, and warm it up to normal operating temperature (the radiator fan comes on).
66. Turn off the engine, and check the ATF level.
67. Do the power window control unit reset procedure.
68. Do the road test.
69. Enter the radio code (navigation code), reset the radio presets and set the clock.