Curiosii for ever!: Car repair manuals for everyone.

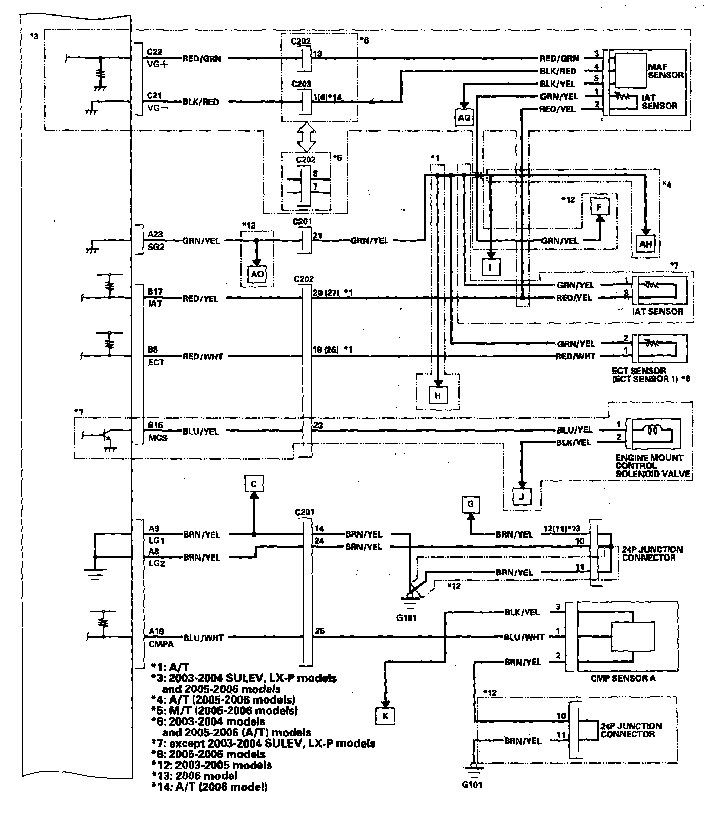
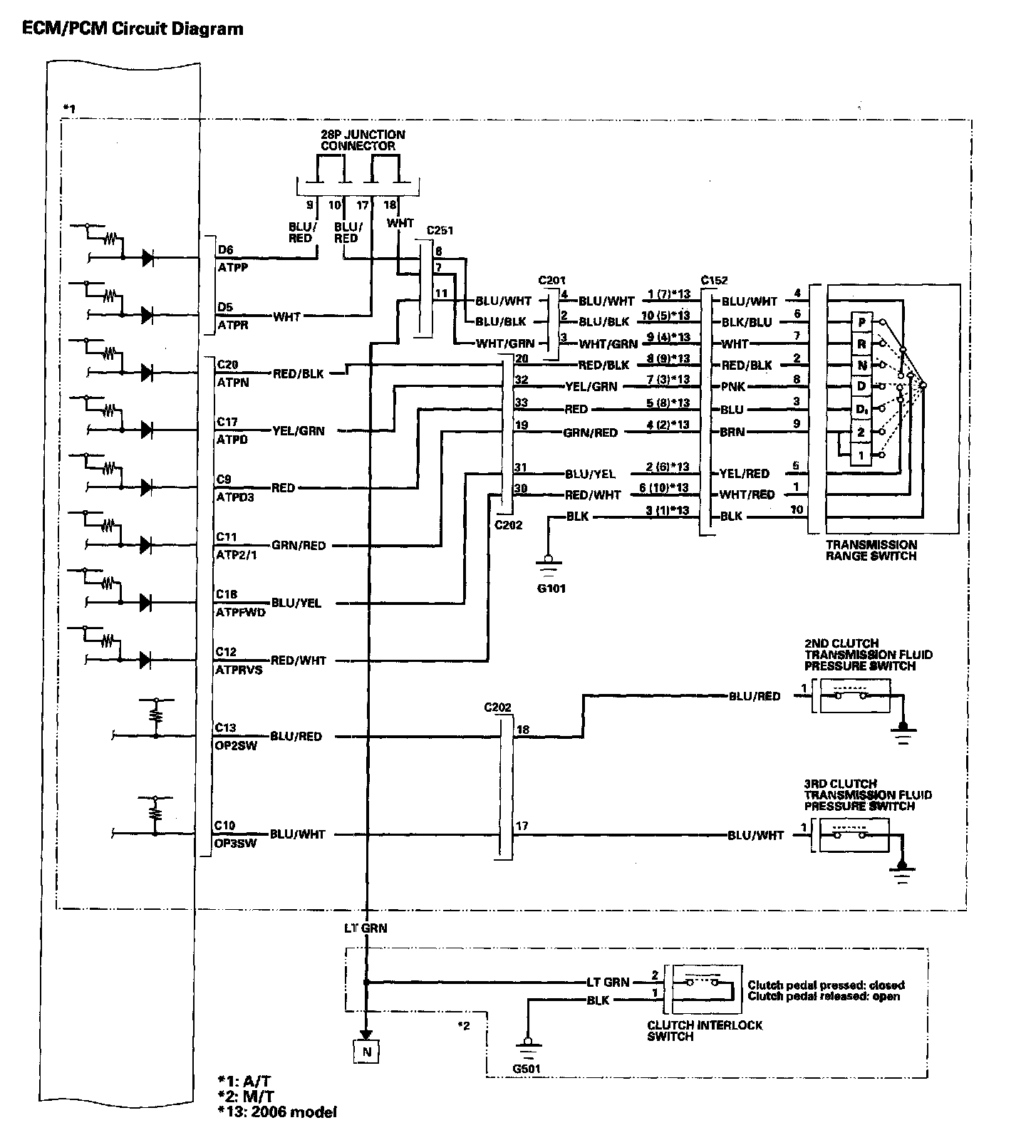
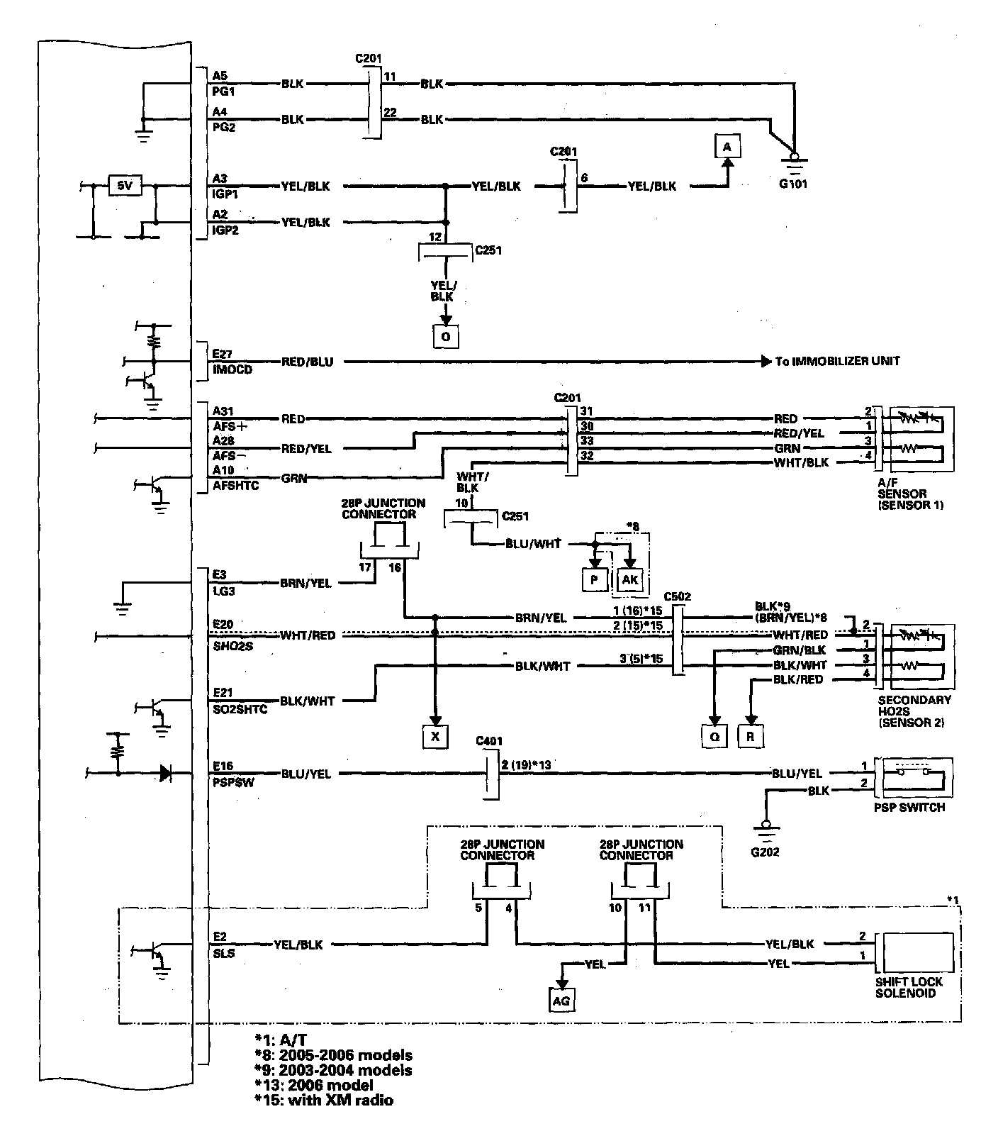
ECM/PCM Circuit Diagrams

ECM/PCM Circuit Diagram 11-48:



ECM/PCM Circuit Diagram 11-49:



ECM/PCM Circuit Diagram 11-50:



ECM/PCM Circuit Diagram 11-51:



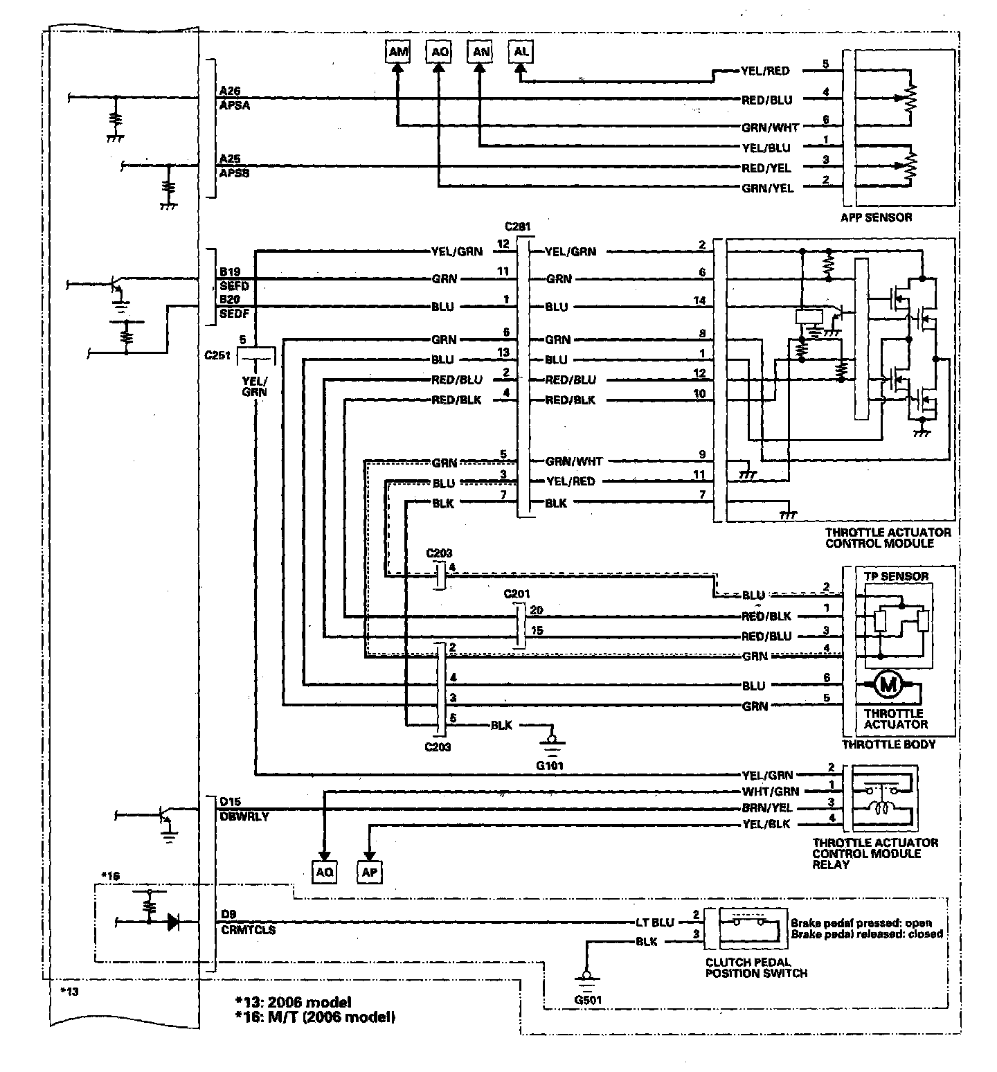
ECM/PCM Circuit Diagram 11-52:



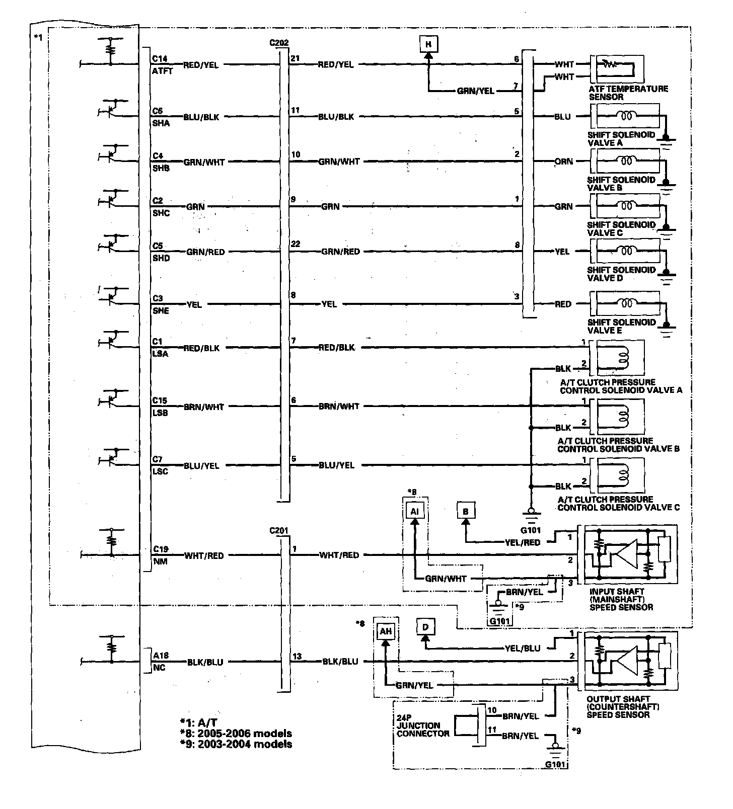
ECM/PCM Circuit Diagram 11-53:



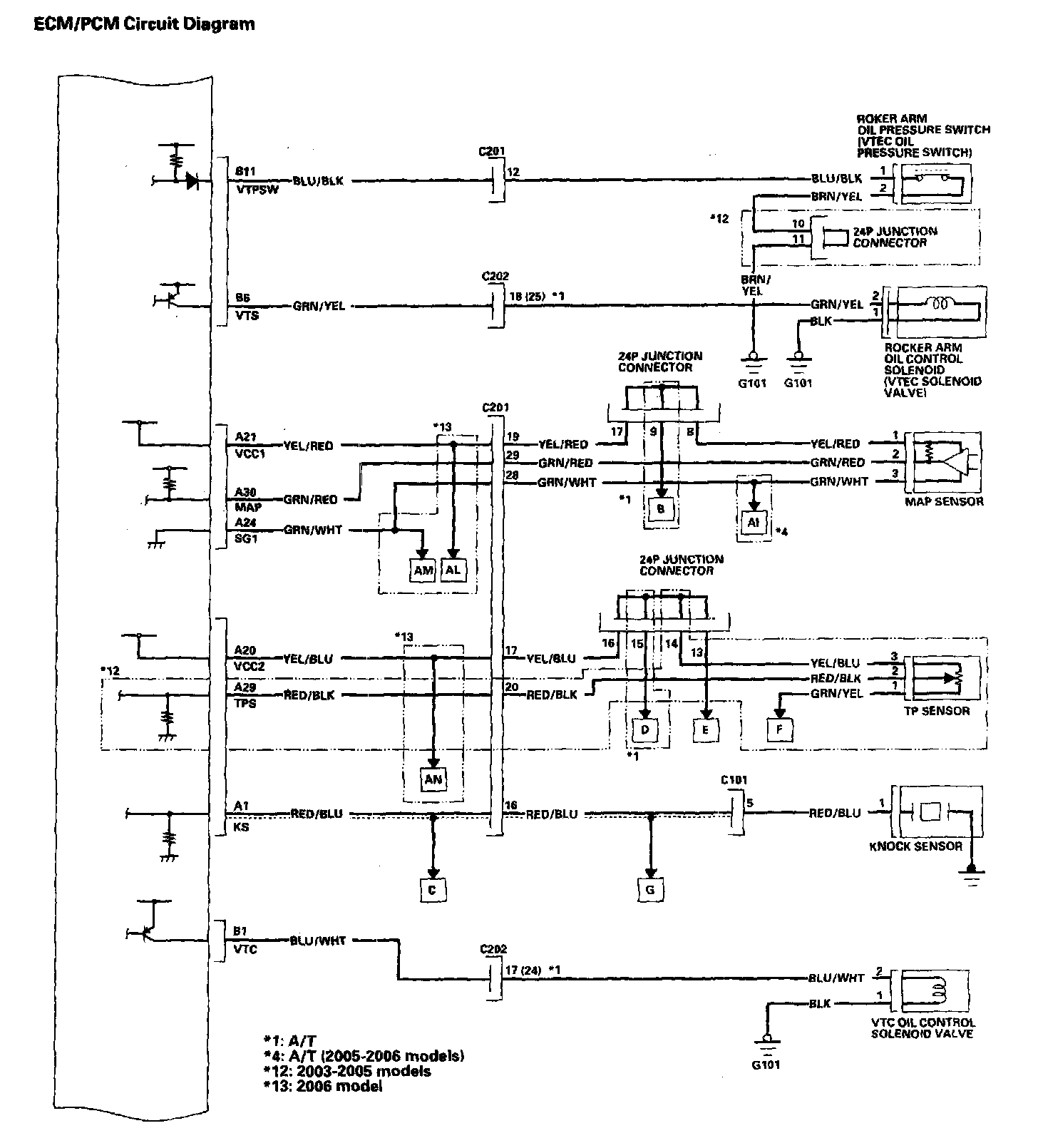
ECM/PCM Circuit Diagram 11-54:



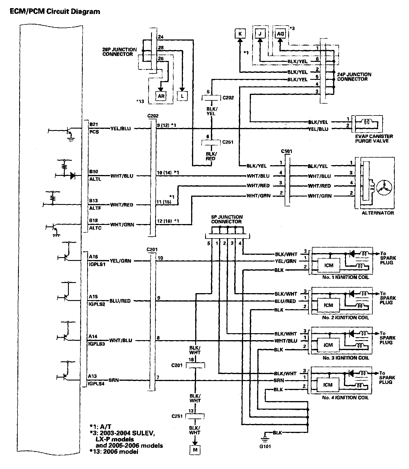
ECM/PCM Circuit Diagram 11-55:



ECM/PCM Circuit Diagram 11-56:



ECM/PCM Circuit Diagram 11-57:



ECM/PCM Circuit Diagram 11-58: