Curiosii for ever!
: Car repair manuals for everyone.
Home
>>
Honda
>>
2006
>>
Accord L4-2.4L
>>
Repair and Diagnosis
>>
Diagrams
>>
Exploded Views
>>
Automatic Transmission/Transaxle
>>
System Diagram
>>
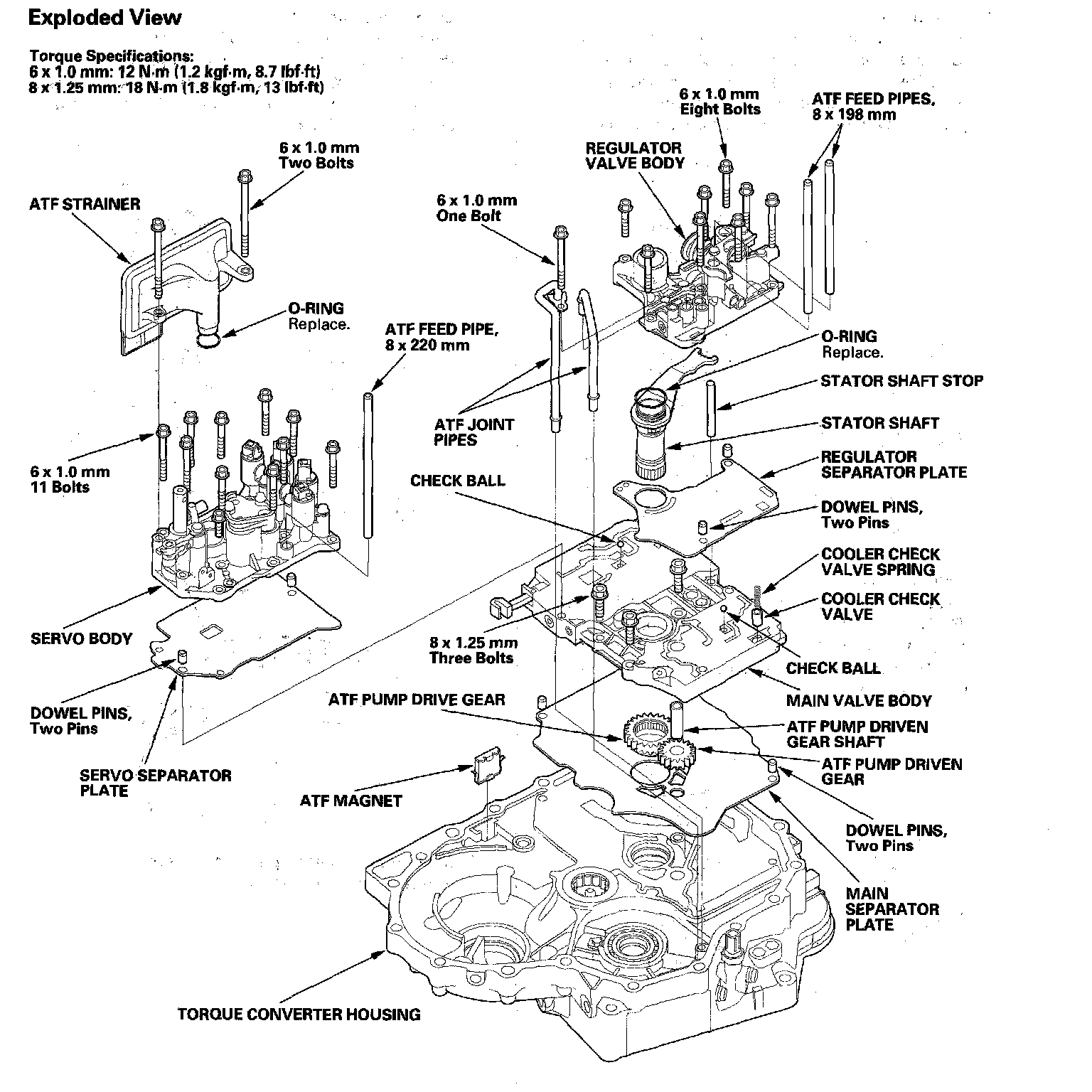
Valve Body
Valve Body
Valve Body and ATF Strainer: