Curiosii for ever!
: Car repair manuals for everyone.
Home
>>
Honda
>>
2005
>>
S2000 L4-2.2L
>>
Repair and Diagnosis
>>
Powertrain Management
>>
Emission Control Systems
>>
Relays and Modules - Emission Control Systems
>>
Air Injection Pump Relay
>>
Service and Repair
Air Injection Pump Relay: Service and Repair
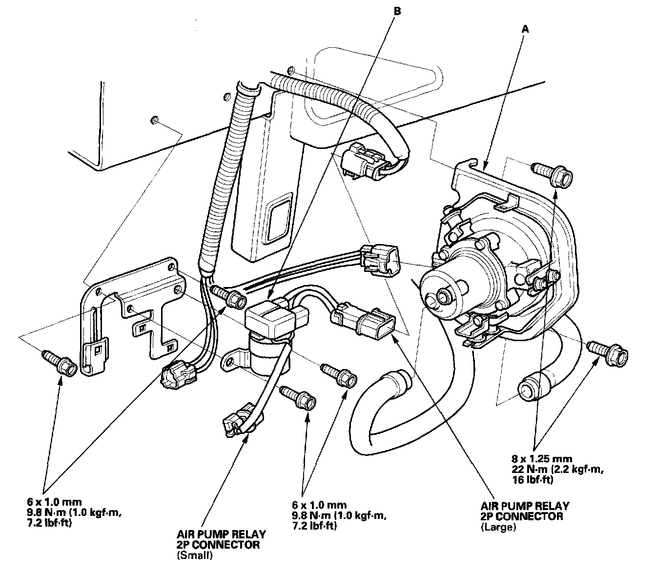
Air Pump/Air Pump Relay Removal/Installation
1.
Remove the front bumper, 2000-2003 models, 2004-2005 models.
2.
Remove the air pump (A), and the air pump relay (B).