Curiosii for ever!: Car repair manuals for everyone.

Refueling Control Valve: Service and Repair

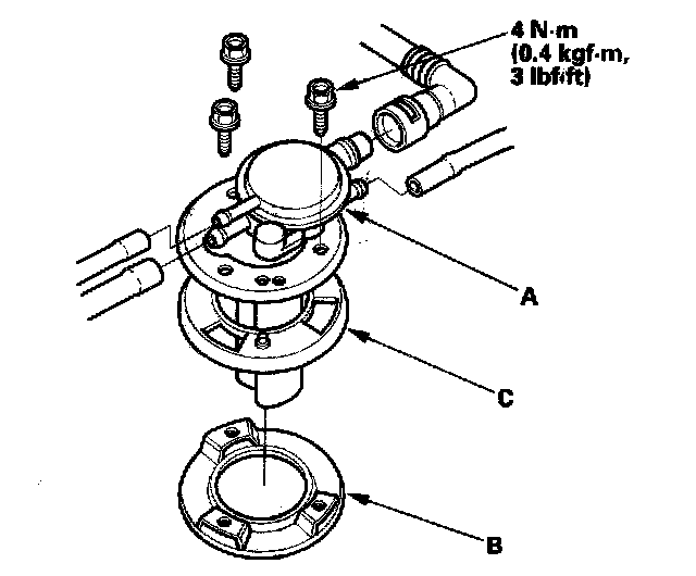
Fuel Tank Vapor Control Valve Replacement

1. Remove the fuel tank.




2. Remove the fuel tank vapor control valve (A) from the fuel tank (B).
3. Replace the base gasket (C).
4. Install the fuel tank vapor control valve (A).
5. Install the fuel tank.